|
外螺纹零件的末端 (GB/T 2—2001) mm |
|||||||||
|
螺栓、 螺柱及 螺钉 (开槽及 十字槽 螺钉) |
|
u≤2P re≈1.4d |
|||||||
|
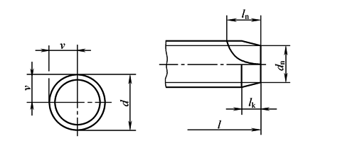
螺钉及 自攻螺 钉的刮 削端 |
|
dn=d-1.6P v=0.5d±0.5 lk=3P±0.5 ln=5P±0.5P |
|||||||
|
紧
定
螺
钉 |
|
螺纹直径 d |
dp h14 |
dt h16 |
dz h14 |
|
|
||
|
1.6 |
0.8 |
— |
0.8 |
0.4 |
0.8 |
||||
|
1.8 |
0.9 |
— |
0.9 |
0.45 |
0.9 |
||||
|
2 |
1 |
— |
1 |
0.5 |
1 |
||||
|
2.2 |
1.2 |
— |
1.1 |
0.55 |
1.1 |
||||
|
2.5 |
1.5 |
— |
1.2 |
0.63 |
1.25 |
||||
|
3 |
2 |
— |
1.4 |
0.75 |
1.5 |
||||
|
3.5 |
2.2 |
— |
1.7 |
0.88 |
1.75 |
||||
|
4 |
2.5 |
— |
2 |
1 |
2 |
||||
|
4.5 |
3 |
— |
2.2 |
1.12 |
2.25 |
||||
|
5 |
3.5 |
— |
2.5 |
1.25 |
2.5 |
||||
|
6 |
4 |
1.5 |
3 |
1.5 |
3 |
||||
|
7 |
5 |
2 |
4 |
1.75 |
3.5 |
||||
|
8 |
5.5 |
2 |
5 |
2 |
4 |
||||
|
10 |
7 |
2.5 |
6 |
2.5 |
5 |
||||
|
12 |
8.5 |
3 |
8 |
3 |
6 |
||||
|
14 |
10 |
4 |
8.5 |
3.5 |
7 |
||||
|
16 |
12 |
4 |
10 |
4 |
8 |
||||
|
18 |
13 |
5 |
11 |
4.5 |
9 |
||||
|
20 |
15 |
5 |
14 |
5 |
10 |
||||
|
22 |
17 |
6 |
15 |
5.5 |
11 |
||||
|
24 |
18 |
6 |
16 |
6 |
12 |
||||
|
27 |
21 |
8 |
— |
6.7 |
13.5 |
||||
|
30 |
23 |
8 |
— |
7.5 |
15 |
||||
|
33 |
26 |
10 |
— |
8.2 |
16.5 |
||||
|
36 |
28 |
10 |
— |
9 |
18 |
||||
|
39 |
30 |
12 |
— |
9.7 |
19.5 |
||||
|
42 |
32 |
12 |
— |
10.5 |
21 |
||||
|
45 |
35 |
14 |
— |
11.2 |
22.5 |
||||
|
48 |
38 |
14 |
— |
12 |
24 |
||||
|
52 |
42 |
16 |
— |
13 |
26 |
||||
|
① 对d<M1.6的规格,末端的尺寸和公差应经协议。 ② 公称尺寸小于等于1mm时,公差按h13。 ③ 对d小于等于M5的规格,截面锥端上没有平面(dt)部分,其端部可以倒圆。 ④ 公称尺寸小于等于1mm时,公差按 |
|||||||||



