|
飞轮尺寸的确定 |
|||
|
|
整体式(实腹式) |
幅 条 式 |
幅 板 式 |
|
简 图 |
|
|
|
|
用于 |
小型飞轮 |
中、大型飞轮 |
中、小型飞轮 |
|
平均直径D/m |
由结构及允许圆周速度υp确定,D≤60υp/πnm |
||
|
允许圆周速度υp/m·s-1 |
铸铁:υp=30~50 铸钢:υp=70~90 锻钢:υp=100~120 |
铸铁:υp=45~55 铸钢:υp=40~60
|
铸铁:υp=30~50 铸钢:υp=70~90
|
|
飞轮转动惯量/kg·m2 |
Jf |
||
|
飞轮质量m/kg |
|
轮缘质量:m0=(0.7~0.9)4Jf/D2 |
|
|
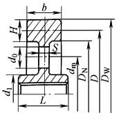
飞轮宽度b及轮缘厚度H |
|
|
|
|
H=kb;k=1~2大型飞轮取小值,ρ=7850kg·m-3(钢的密度)、7250kg·m-3(铸铁密度) |
|||
|
其他尺寸(参照表图)及强度校核(当υ<υp时可不校核) |
轮毂直径d1=(2~2.5)d,轮毂长度L=(1.5~2)d,d—— 轴的直径 |
||
|
σp、τp—— 铸铁为110MPa,铸钢为200MPa μ—— 材料的泊松比 y——验算截面所在半径,m ω—— 飞轮的最大角速度, r·s-1 |
飞轮外径DW=D+H;轮缘内径:DN=D-H |
||
|
h1由强度条件确定,h2=0.8h1 a1=(0.4~0.6)h1;a2=0.8a1 辐条截面长径h1的确定;
z——辐条数;D<500,z=4;500<D<2000,z=6;1600<D<3000,z=8 T——作用在飞轮轴上的最大转矩,N·m σbp——许用弯曲应力,铸铁为12~14MPa,铸钢为35MPa 对于重要的飞轮,在必要时应验算A—A、B—B和C—C截面处的应力 |
S=b/(4~5) dm=(DN+d1)/2 d0=(DN-d1)/4 |
||




