|
运动副中摩擦力的计算 |
||
|
运动副名称 |
简 图 |
公 式 |
|
楔面移动副 |
|
N '=Qcosλ+Psinλ N=N '/2sinα
含α=90°便得到平面移动副的公式 |
|
有间隙支承或短支承的移动及回转副 |
|
Mm=lQμd/a |
|
无间隙支承的移动及转动副 |
|
F=3lμQ/a Mm=3lμQ d/2a |
|
推力轴颈 |
|
|
|
圆锥形轴颈 |
|
|
|
螺旋副 |
|
F=Qtan(λ±φ) 使Q上升时用“+”号;反之用“-”号
对三角、梯形螺纹将式中φ用φ' 取代 tanφ'=tanφ/cosα |
|
滚动摩擦 |
|
N=Q;Mm=μkN;F=μkN/r 纯滚动条件μs>μk/r 纯滑动条件μs<μk/r |
|
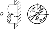
径向轴颈 |
|
总反作用力R恒切于ρ=μ'r的摩擦圆,其形成的摩擦力矩Mm与ω方向相反 Mm=Qρ=μ'Q r
有间隙轴颈μ'=μ
式中 A=1.4(钢球) =1.46(滚子) |
|
注:μ、μk—— 在选用摩擦因数值时,应注意试验条件与使用条件是否一致;μs—— 静摩擦因数;F、Mm—— 摩擦力和摩擦力矩;Q—— 外力(重力、轴向力);N—— 法向压力;R—— 总反作用力,在转动副中其方向应根据运动副所在构件的力平衡条件来确定;2r、D、d—— 轴、内圆和滚动体的直径;λ、α—— 螺旋的升角与牙型半角;φ—— 摩擦角。 |
||








