|
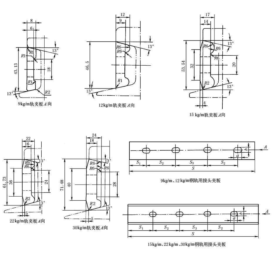
轻轨接头夹板(GB/T 11265—1989) |
|||||||||
|
|
|||||||||
|
夹板型号 |
尺 寸/mm |
抗拉强度σb /MPa |
化 学 成 分 |
理论质量 /kg·块-1 |
|||||
|
S |
S1 |
S2 |
S3 |
a |
b |
||||
|
9kg/m轨用 |
385 |
38 |
102 |
105 |
18 |
14 |
375~460 |
应符合GB/T 700中Q235-A的规定 |
0.81 |
|
12 kg/m轨用 |
409 |
50 |
102 |
105 |
18 |
14 |
1.39 |
||
|
15 kg/m轨用 |
409 |
50 |
102 |
105 |
24 |
18 |
2.20 |
||
|
22 kg/m轨用 |
510 |
63 |
127 |
130 |
29 |
22 |
410~510 |
应符合GB/T 700中Q255-A的规定 |
3.80 |
|
30 kg/m轨用 |
561 |
90 |
127 |
130 |
29 |
22 |
5.54 |
||

