|
轻轨(GB/T 11264—1989) |
||||||||||||||||||||||||||||||||||
|
|
||||||||||||||||||||||||||||||||||
|
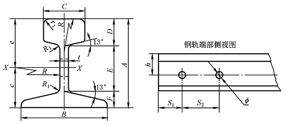
钢轨型号 /kg·m-1 |
截 面 尺 寸 |
截面 面积 |
理论 质量 |
截面特性参数 |
||||||||||||||||||||||||||||||
|
轨高 |
底宽 |
头宽 |
头高 |
腰高 |
底高 |
腰厚 |
S1 |
S2 |
h |
f |
R |
R1 |
r1 |
A /cm2 |
W kg·m-1 |
质心位置 |
惯性矩 |
截面 系数 |
回转 半径 |
|||||||||||||||
|
A |
B |
C |
D |
E |
F |
t |
c /cm |
e /cm |
I /cm4 |
Z /cm3 |
i /cm |
|||||||||||||||||||||||
|
/mm |
||||||||||||||||||||||||||||||||||
|
9 |
63.50 |
63.50 |
32.10 |
17.48 |
35.72 |
10.30 |
5.90 |
50.8 |
101.6 |
35.34 |
16 |
304.8 |
4.76 |
6.35 |
11.39 |
8.94 |
3.09 |
3.26 |
62.41 |
19.10 |
2.33 |
|||||||||||||
|
12 |
69.85 |
69.85 |
38.10 |
19.85 |
37.70 |
12.30 |
7.54 |
50.8 |
101.6 |
38.70 |
16 |
304.8 |
6.35 |
6.35 |
15.54 |
12.20 |
3.40 |
3.59 |
98.82 |
27.60 |
2.51 |
|||||||||||||
|
15 |
79.37 |
79.37 |
42.86 |
22.22 |
43.65 |
13.50 |
8.33 |
50.8 |
101.6 |
44.05 |
20 |
304.8 |
6.35 |
7.94 |
19.33 |
15.20 |
3.89 |
4.05 |
156.10 |
38.60 |
2.83 |
|||||||||||||
|
22 |
93.66 |
93.66 |
50.80 |
26.99 |
50.00 |
16.67 |
10.72 |
63.5 |
127.0 |
51.99 |
24 |
304.8 |
6.35 |
7.94 |
28.39 |
22.30 |
4.52 |
4.85 |
339.00 |
69.60 |
3.45 |
|||||||||||||
|
30 |
107.95 |
107.95 |
60.33 |
30.95 |
57.55 |
19.45 |
12.30 |
63.5 |
127.0 |
59.73 |
24 |
304.8 |
6.35 |
7.94 |
38.32 |
30.10 |
5.21 |
5.59 |
606.00 |
108.00 |
3.98 |
|||||||||||||
|
钢类 |
牌号 |
型号 /kg·m-1 |
化 学 成 分(质量分数)/% |
力 学 性 能 |
||||||||||||||||||||||||||||||
|
C |
Si |
Mn |
P |
S |
Cu |
σb/MPa |
HB |
落 锤 试 验 |
||||||||||||||||||||||||||
|
碳 素 钢 |
50Q |
≤12 |
0.35~0.60 |
0.15~0.35 |
≥0.40 |
≤0.045 |
≤0.050 |
≤0.40 |
— |
— |
— |
|||||||||||||||||||||||
|
55Q |
≤12 |
0.50~0.60 |
0.15~0.35 |
0.60~0.90 |
≤0.045 |
≤0.050 |
≤0.40 |
— |
— |
— |
||||||||||||||||||||||||
|
15~30 |
≥685 |
≥197 |
不断不裂 (落锤高2.9m) |
|||||||||||||||||||||||||||||||
|
低 合 金 钢 |
45SiMnP |
≤12 |
0.35~0.55 |
0.50~0.80 |
0.60~1.00 |
≤0.12 |
≤0.050 |
≤0.40 |
— |
— |
— |
|||||||||||||||||||||||
|
50SiMnP |
≤12 |
0.45~0.58 |
0.50~0.80 |
0.60~1.00 |
≤0.12 |
≤0.050 |
≤0.40 |
— |
— |
— |
||||||||||||||||||||||||
|
15~30 |
≥685 |
≥197 |
不断不裂(落锤高:22kg/m为4.4m,30kg/m为5.0m) |
|||||||||||||||||||||||||||||||
|
36CuCrP |
15~30 |
0.31~0.42 |
0.50~0.80 |
0.60~1.00 |
0.02~0.06 |
≤0.040 |
0.10~0.30 Cr:0.80~1.20 |
≥785 |
≥220 |
|||||||||||||||||||||||||
|
注:落锤试验取长度为1500mm的试样,轨头朝上放置在间距为1050mm的支座上,用500kg的落锤从表中所给出的高度打击钢轨。 |
||||||||||||||||||||||||||||||||||

