|
H型钢(GB/T 11263—2017) |
|
|
|
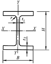
H———高度 B———宽度 t1———腹板厚度 标记:H后加高度×宽度×腹板厚度×翼缘厚度 t2———翼缘厚度 例如:H800×300×14×26 r———圆角半径 |
|
类别 |
型号 (高度×宽度)/mm×mm |
截面尺寸/mm |
截面 面积 /cm2 |
理论 质量 /(kg/m) |
表面积 m2/m |
惯性距/cm4 |
惯性半径/cm |
截面模数/cm3 |
|
|||||||
|
H |
B |
t1 |
t2 |
r |
Ix |
ix |
Iy |
iy |
Wx |
Wy |
|
|||||
|
HW ︵ 宽 翼 缘 型 ︶ |
100×100 |
100 |
100 |
6 |
8 |
8 |
21.58 |
16.9 |
0.574 |
378 |
134 |
4.18 |
2.48 |
75.6 |
26.7 |
|
|
125×125 |
125 |
125 |
6.5 |
9 |
8 |
30.00 |
23.6 |
0.723 |
839 |
293 |
5.28 |
3.12 |
134 |
46.9 |
||
|
150×150 |
150 |
150 |
7 |
10 |
8 |
39.64 |
31.1 |
0.872 |
1620 |
563 |
6.39 |
3.76 |
216 |
75.1 |
||
|
175×175 |
175 |
175 |
7.5 |
11 |
13 |
51.42 |
40.4 |
1.01 |
2900 |
984 |
7.50 |
4.37 |
331 |
112 |
||
|
200×200 |
200 |
200 |
8 |
12 |
13 |
63.53 |
49.9 |
1.16 |
4720 |
1600 |
8.61 |
5.02 |
472 |
160 |
||
|
200 |
204 |
12 |
12 |
13 |
71.53 |
56.2 |
1.17 |
4980 |
1700 |
8.34 |
4.87 |
498 |
167 |
|||
|
250×250 |
244 |
252 |
11 |
11 |
13 |
81.31 |
63.8 |
1.45 |
8700 |
2940 |
10.3 |
6.01 |
713 |
233 |
||
|
250 |
250 |
9 |
14 |
13 |
91.43 |
71.8 |
1.46 |
10700 |
3650 |
10.8 |
6.31 |
860 |
292 |
|||
|
250 |
255 |
14 |
14 |
13 |
103.6 |
81.6 |
1.47 |
11400 |
3880 |
10.5 |
6.10 |
912 |
304 |
|||
|
300×300 |
294 |
302 |
12 |
12 |
13 |
106.3 |
83.5 |
1.75 |
16600 |
5510 |
12.5 |
7.20 |
1130 |
365 |
||
|
300 |
300 |
10 |
15 |
13 |
118.5 |
93.0 |
1.76 |
20200 |
6750 |
13.1 |
7.55 |
1350 |
450 |
|||
|
300 |
305 |
15 |
15 |
13 |
133.5 |
105 |
1.77 |
21300 |
7100 |
12.6 |
7.29 |
1420 |
466 |
|||
|
350×350 |
338 |
351 |
13 |
13 |
13 |
133.3 |
105 |
2.03 |
27700 |
9380 |
14.4 |
8.38 |
1640 |
534 |
||
|
344 |
348 |
10 |
16 |
13 |
144.0 |
113 |
2.04 |
32800 |
11200 |
15.1 |
8.83 |
1910 |
646 |
|||
|
344 |
354 |
16 |
16 |
13 |
164.7 |
129 |
2.05 |
34900 |
11800 |
14.6 |
8.48 |
2030 |
669 |
|||
|
350 |
350 |
12 |
19 |
13 |
171.9 |
135 |
2.05 |
39800 |
13600 |
15.2 |
8.88 |
2280 |
776 |
|||
|
350 |
357 |
19 |
19 |
13 |
196.4 |
154 |
2.07 |
42300 |
14400 |
14.7 |
8.57 |
2420 |
808 |
|||
|
400×400 |
388 |
402 |
15 |
15 |
22 |
178.5 |
140 |
2.32 |
49000 |
16300 |
16.6 |
9.54 |
2520 |
809 |
||
|
394 |
398 |
11 |
18 |
22 |
186.8 |
147 |
2.32 |
56100 |
18900 |
17.3 |
10.1 |
2850 |
951 |
|||
|
394 |
405 |
18 |
18 |
22 |
214.4 |
168 |
2.33 |
59700 |
20000 |
16.7 |
9.64 |
3030 |
985 |
|||
|
400 |
400 |
13 |
21 |
22 |
218.7 |
172 |
2.34 |
66600 |
22400 |
17.5 |
10.1 |
3330 |
1120 |
|||
|
400 |
408 |
21 |
21 |
22 |
250.7 |
197 |
2.35 |
70900 |
23800 |
16.8 |
9.74 |
3540 |
1170 |
|||
|
414 |
405 |
18 |
28 |
22 |
295.4 |
232 |
2.37 |
92800 |
31000 |
17.7 |
10.2 |
4480 |
1530 |
|||
|
428 |
407 |
20 |
35 |
22 |
360.7 |
283 |
2.41 |
119000 |
39400 |
18.2 |
10.4 |
5570 |
1930 |
|||
|
458 |
417 |
30 |
50 |
22 |
528.6 |
415 |
2.49 |
187000 |
60500 |
18.8 |
10.7 |
8170 |
2900 |
|||
|
498* |
432 |
45 |
70 |
22 |
770.1 |
604 |
2.60 |
298000 |
94400 |
19.7 |
11.1 |
12000 |
4370 |
|||
|
500×500 |
492 |
465 |
15 |
20 |
22 |
258.0 |
202 |
2.78 |
117000 |
33500 |
21.3 |
11.4 |
4770 |
1440 |
||
|
502 |
465 |
15 |
25 |
22 |
304.5 |
239 |
2.80 |
146000 |
41900 |
21.9 |
11.7 |
5810 |
1800 |
|||
|
502 |
470 |
20 |
25 |
22 |
329.6 |
259 |
2.81 |
151000 |
43300 |
21.4 |
11.5 |
6020 |
1840 |
|||
|
HM ︵ 中 翼 缘 型 ︶ |
150×100 |
148 |
100 |
6 |
9 |
8 |
26.34 |
20.7 |
0.670 |
1000 |
150 |
6.16 |
2.38 |
135 |
30.1 |
|
|
200×150 |
194 |
150 |
6 |
9 |
8 |
38.10 |
29.9 |
0.960 |
2630 |
507 |
8.30 |
3.64 |
271 |
67.6 |
||
|
250×175 |
244 |
175 |
7 |
11 |
13 |
55.49 |
43.6 |
1.15 |
6040 |
984 |
10.4 |
4.21 |
495 |
112 |
||
|
300×200 |
294 |
200 |
8 |
12 |
13 |
71.05 |
55.8 |
1.35 |
11100 |
1600 |
12.5 |
4.74 |
756 |
160 |
||
|
298 |
201 |
9 |
14 |
13 |
82.03 |
64.4 |
1.36 |
13100 |
1900 |
12.6 |
4.80 |
878 |
189 |
|||
|
350×250 |
340 |
250 |
9 |
14 |
13 |
99.53 |
78.1 |
1.64 |
21200 |
3650 |
14.6 |
6.05 |
1250 |
292 |
||
|
400×300 |
390 |
300 |
10 |
16 |
13 |
133.3 |
105 |
1.94 |
37900 |
7200 |
16.9 |
7.35 |
1940 |
480 |
||
|
450×300 |
440 |
300 |
11 |
18 |
13 |
153.9 |
121 |
2.04 |
54700 |
8110 |
18.9 |
7.25 |
2490 |
540 |
||
|
500×300 |
482 |
300 |
11 |
15 |
13 |
141.2 |
111 |
2.12 |
58300 |
67600 |
20.3 |
6.91 |
2420 |
450 |
||
|
488 |
300 |
11 |
18 |
13 |
159.2 |
125 |
2.13 |
68900 |
8110 |
20.8 |
7.13 |
2820 |
540 |
|||
|
550×300 |
544 |
300 |
11 |
15 |
13 |
148.0 |
116 |
2.24 |
76400 |
6760 |
22.7 |
6.75 |
2810 |
450 |
||
|
550 |
300 |
11 |
18 |
13 |
166.0 |
130 |
2.26 |
89800 |
8110 |
23.3 |
6.98 |
3270 |
540 |
|||
|
600×300 |
582 |
300 |
12 |
17 |
13 |
169.2 |
133 |
2.32 |
98900 |
7660 |
24.2 |
6.72 |
3400 |
511 |
||
|
588 |
300 |
12 |
20 |
13 |
187.2 |
147 |
2.33 |
11400 |
9010 |
24.7 |
6.93 |
3890 |
301 |
|||
|
594 |
302 |
14 |
23 |
13 |
217.1 |
170 |
2.35 |
13400 |
10600 |
24.8 |
6.97 |
4500 |
700 |
|||
|
HN ︵ 窄 翼 缘 型 ︶ |
100×50 |
100 |
50 |
5 |
7 |
8 |
11.84 |
9.30 |
0.376 |
187 |
14.8 |
3.97 |
1.11 |
37.5 |
5.91 |
|
|
125×60 |
125 |
60 |
6 |
8 |
8 |
16.68 |
13.1 |
0.464 |
409 |
291 |
4.95 |
1.32 |
65.4 |
9.71 |
||
|
150×75 |
150 |
75 |
5 |
7 |
8 |
17.84 |
14.0 |
0.576 |
666 |
49.5 |
6.10 |
1.66 |
88.8 |
13.2 |
||
|
175×90 |
175 |
90 |
5 |
8 |
8 |
22.84 |
18.0 |
0.686 |
1210 |
97.5 |
7.25 |
2.06 |
138 |
21.7 |
||
|
200×100 |
198 |
99 |
4.5 |
7 |
8 |
22.68 |
17.8 |
0.769 |
1540 |
113 |
8.24 |
2.23 |
156 |
22.9 |
||
|
200 |
100 |
5.5 |
8 |
8 |
26.66 |
20.9 |
0.775 |
1810 |
134 |
8.22 |
2.23 |
181 |
26.7 |
|||
|
250×125 |
248 |
124 |
5 |
8 |
8 |
31.98 |
25.1 |
0.968 |
3450 |
255 |
10.4 |
2.82 |
278 |
41.1 |
||
|
250 |
125 |
6 |
9 |
8 |
36.96 |
29.0 |
0.974 |
3960 |
294 |
10.4 |
2.81 |
317 |
47.0 |
|||
|
300×150 |
298 |
149 |
5.5 |
8 |
13 |
40.80 |
32.0 |
1.16 |
6320 |
442 |
12.4 |
3.29 |
424 |
59.3 |
||
|
300 |
150 |
6.5 |
9 |
13 |
46.78 |
36.7 |
1.16 |
7210 |
508 |
12.4 |
3.29 |
481 |
67.7 |
|||
|
350×175 |
346 |
174 |
6 |
9 |
13 |
52.45 |
41.2 |
1.35 |
11000 |
791 |
14.5 |
3.88 |
638 |
91.0 |
||
|
350 |
175 |
7 |
11 |
13 |
62.91 |
49.4 |
1.36 |
13500 |
984 |
14.6 |
3.95 |
771 |
112 |
|||
|
400×150 |
400 |
150 |
8 |
13 |
13 |
70.37 |
55.2 |
1.36 |
18600 |
734 |
16.3 |
3.22 |
929 |
97.8 |
||
|
400×200 |
396 |
199 |
7 |
11 |
13 |
71.41 |
56.1 |
1.55 |
19800 |
1450 |
16.6 |
4.50 |
999 |
145 |
||
|
400 |
200 |
8 |
13 |
13 |
83.37 |
65.4 |
1.46 |
23500 |
1740 |
16.8 |
4.56 |
1170 |
174 |
|||
|
450×150 |
446 |
150 |
7 |
12 |
13 |
66.99 |
52.6 |
1.47 |
22000 |
677 |
18.1 |
3.17 |
985 |
90.3 |
||
|
450 |
151 |
8 |
14 |
13 |
77.49 |
60.8 |
1.65 |
25700 |
806 |
18.2 |
3.22 |
1140 |
107 |
|||
|
450×200 |
446 |
199 |
8 |
12 |
13 |
82.97 |
65.1 |
1.66 |
28100 |
1580 |
18.4 |
4.36 |
1260 |
159 |
||
|
450 |
200 |
9 |
14 |
13 |
95.43 |
74.9 |
1.50 |
32900 |
1870 |
18.6 |
4.42 |
1460 |
187 |
|||
|
475×150 |
470 |
150 |
7 |
13 |
13 |
71.53 |
56.2 |
1.52 |
26200 |
733 |
19.1 |
3.20 |
1110 |
97.8 |
||
|
475 |
151.5 |
8.5 |
15.5 |
13 |
86.15 |
67.6 |
1.53 |
31700 |
901 |
19.2 |
3.23 |
1330 |
119 |
|||
|
482 |
153.5 |
10.5 |
19 |
13 |
106.4 |
83.5 |
1.55 |
39600 |
1150 |
19.3 |
3.28 |
1640 |
150 |
|||
|
500×150 |
492 |
150 |
7 |
12 |
13 |
70.21 |
55.1 |
1.57 |
27500 |
677 |
19.8 |
3.10 |
1120 |
90.3 |
||
|
500 |
152 |
9 |
16 |
13 |
92.21 |
72.4 |
1.75 |
37000 |
940 |
20.0 |
3.19 |
1480 |
124 |
|||
|
504 |
153 |
10 |
18 |
13 |
103.3 |
81.1 |
1.58 |
41900 |
1080 |
20.1 |
3.23 |
1660 |
141 |
|||
|
500×200 |
496 |
199 |
9 |
14 |
13 |
99.29 |
77.9 |
1.75 |
40800 |
1840 |
20.3 |
4.30 |
1650 |
185 |
||
|
500 |
200 |
10 |
16 |
13 |
112.3 |
88.1 |
1.76 |
46800 |
2140 |
20.4 |
4.36 |
1870 |
214 |
|||
|
506 |
201 |
11 |
19 |
13 |
129.3 |
102 |
1.77 |
58500 |
2580 |
20.7 |
4.46 |
2190 |
257 |
|||
|
550×200 |
546 |
199 |
9 |
14 |
13 |
103.8 |
81.5 |
1.85 |
50800 |
1840 |
22.1 |
4.21 |
1860 |
185 |
||
|
550 |
200 |
10 |
16 |
13 |
117.3 |
92.0 |
1.86 |
58200 |
2140 |
22.3 |
4.27 |
2120 |
214 |
|||
|
600×200 |
596 |
199 |
10 |
15 |
13 |
117.8 |
92.4 |
1.95 |
66600 |
1980 |
23.8 |
4.09 |
2240 |
199 |
||
|
600 |
200 |
11 |
17 |
13 |
131.7 |
103 |
1.96 |
75600 |
2270 |
24.0 |
4.15 |
2520 |
227 |
|||
|
606 |
201 |
12 |
20 |
13 |
149.8 |
118 |
1.97 |
88300 |
2720 |
24.3 |
4.25 |
2910 |
270 |
|||
|
625×200 |
625 |
198.5 |
11.5 |
17.5 |
13 |
138.8 |
109 |
1.99 |
85000 |
2290 |
24.8 |
4.06 |
2720 |
231 |
||
|
630 |
200 |
13 |
20 |
13 |
158.2 |
124 |
2.01 |
97900 |
2680 |
24.9 |
4.11 |
3110 |
268 |
|||
|
638 |
202 |
15 |
24 |
13 |
186.9 |
147 |
2.03 |
118000 |
3320 |
25.2 |
4.21 |
3710 |
328 |
|||
|
650×300 |
646 |
299 |
10 |
15 |
13 |
152.8 |
120 |
2.43 |
110000 |
6690 |
26.9 |
6.61 |
3410 |
447 |
||
|
650 |
300 |
11 |
17 |
13 |
171.2 |
134 |
2.44 |
125000 |
7660 |
27.0 |
6.68 |
3850 |
511 |
|||
|
656 |
301 |
12 |
20 |
13 |
195.8 |
154 |
2.45 |
147000 |
9100 |
27.4 |
6.81 |
4470 |
605 |
|||
|
700×300 |
692 |
300 |
13 |
20 |
18 |
207.5 |
163 |
2.53 |
168000 |
9020 |
28.5 |
6.59 |
4870 |
601 |
||
|
700 |
300 |
13 |
24 |
18 |
231.5 |
182 |
2.54 |
197000 |
10800 |
29.2 |
6.83 |
5640 |
721 |
|||
|
750×300 |
734 |
299 |
12 |
16 |
18 |
182.7 |
143 |
2.61 |
161000 |
7140 |
29.7 |
6.25 |
4390 |
478 |
||
|
742 |
300 |
13 |
20 |
18 |
214.0 |
168 |
2.63 |
197000 |
9020 |
30.4 |
6.49 |
5320 |
601 |
|||
|
750 |
300 |
13 |
24 |
18 |
238.0 |
187 |
2.64 |
231000 |
10800 |
31.1 |
6.74 |
6150 |
721 |
|||
|
758 |
303 |
16 |
28 |
18 |
284.8 |
224 |
2.67 |
276000 |
13000 |
31.1 |
6.75 |
7270 |
859 |
|||
|
800×300 |
792 |
300 |
14 |
22 |
18 |
239.5 |
188 |
2.73 |
248000 |
9920 |
32.2 |
6.43 |
6270 |
661 |
||
|
800 |
300 |
14 |
26 |
18 |
263.5 |
207 |
2.74 |
286000 |
11700 |
33.0 |
6.66 |
7160 |
781 |
|||
|
850×300 |
834 |
298 |
14 |
19 |
18 |
227.5 |
179 |
2.80 |
251000 |
8400 |
3.2 |
6.07 |
6020 |
564 |
||
|
842 |
299 |
15 |
23 |
18 |
259.7 |
204 |
2.82 |
298000 |
10300 |
33.9 |
6.28 |
7080 |
687 |
|||
|
850 |
300 |
16 |
27 |
18 |
292.1 |
229 |
2.84 |
346000 |
12200 |
34.4 |
6.45 |
8140 |
812 |
|||
|
858 |
301 |
17 |
31 |
18 |
324.1 |
255 |
2.86 |
395000 |
14100 |
34.9 |
6.59 |
9210 |
939 |
|||
|
900×300 |
890 |
299 |
15 |
23 |
18 |
266.9 |
210 |
2.92 |
339000 |
10300 |
35.6 |
6.20 |
7610 |
687 |
||
|
900 |
300 |
16 |
28 |
18 |
305.8 |
240 |
2.94 |
404000 |
12600 |
36.4 |
6.42 |
8990 |
842 |
|||
|
912 |
302 |
18 |
34 |
18 |
360.1 |
293 |
2.97 |
491000 |
15700 |
36.9 |
6.59 |
10800 |
1040 |
|||
|
1000×300 |
970 |
297 |
16 |
21 |
18 |
276.0 |
217 |
3.07 |
393000 |
9210 |
37.8 |
5.77 |
8110 |
620 |
||
|
980 |
298 |
17 |
26 |
18 |
315.5 |
248 |
3.09 |
472000 |
11500 |
38.7 |
6.04 |
9630 |
772 |
|||
|
990 |
298 |
17 |
31 |
18 |
345.3 |
271 |
3.11 |
544000 |
13700 |
39.7 |
6.30 |
11000 |
921 |
|||
|
1000 |
300 |
19 |
36 |
18 |
395.1 |
310 |
3.13 |
634000 |
16300 |
40.1 |
6.41 |
12700 |
1080 |
|||
|
1008 |
302 |
21 |
40 |
18 |
439.3 |
345 |
3.15 |
712000 |
18400 |
40.3 |
6.47 |
14100 |
1220 |
|||
|
HT ︵ 薄 壁 型 ︶ |
100×50 |
95 |
48 |
3.2 |
4.5 |
8 |
7.620 |
5.98 |
0.362 |
115 |
8.39 |
3.88 |
1.04 |
24.2 |
3.49 |
|
|
97 |
49 |
4 |
5.5 |
8 |
9.370 |
7.36 |
0.368 |
143 |
10.9 |
3.91 |
1.07 |
29.6 |
4.45 |
|||
|
100×100 |
96 |
99 |
4.5 |
6 |
8 |
16.20 |
12.7 |
0.565 |
272 |
97.2 |
4.09 |
2.44 |
56.7 |
19.6 |
||
|
125×60 |
118 |
58 |
3.2 |
4.5 |
8 |
9.250 |
7.26 |
0.448 |
218 |
14.7 |
4.85 |
1.26 |
37.0 |
5.08 |
||
|
120 |
59 |
4 |
5.5 |
8 |
11.39 |
8.94 |
0.454 |
271 |
19.0 |
4.87 |
1.29 |
45.2 |
6.43 |
|||
|
125×125 |
119 |
123 |
4.5 |
6 |
8 |
20.12 |
15.8 |
0.707 |
532 |
186 |
5.14 |
3.04 |
89.5 |
30.3 |
||
|
150×75 |
145 |
73 |
3.2 |
4.5 |
8 |
11.47 |
9.00 |
0.562 |
416 |
29.3 |
6.01 |
1.59 |
57.3 |
8.02 |
||
|
147 |
74 |
4 |
5.5 |
8 |
14.12 |
11.1 |
0.568 |
516 |
37.3 |
6.04 |
1.62 |
70.2 |
10.1 |
|||
|
150×100 |
139 |
97 |
3.2 |
4.5 |
8 |
13.43 |
10.6 |
0.646 |
476 |
68.6 |
5.94 |
2.25 |
68.4 |
14.1 |
||
|
142 |
99 |
4.5 |
6 |
8 |
18.27 |
14.3 |
0.657 |
654 |
97.2 |
5.98 |
2.30 |
92.1 |
19.6 |
|||
|
175×90 |
144 |
148 |
5 |
7 |
8 |
27.76 |
21.8 |
0.856 |
1090 |
378 |
6.25 |
3.69 |
151 |
51.1 |
||
|
147 |
149 |
6 |
8.5 |
8 |
33.67 |
26.4 |
0.864 |
1350 |
469 |
6.32 |
3.73 |
183 |
63.0 |
|||
|
175×175 |
168 |
88 |
3.2 |
4.5 |
8 |
13.55 |
10.6 |
0.668 |
670 |
51.2 |
7.02 |
1.94 |
79.7 |
11.6 |
||
|
171 |
89 |
4 |
6 |
8 |
17.58 |
13.8 |
0.676 |
894 |
70.7 |
7.13 |
2.00 |
105 |
15.9 |
|||
|
200×100 |
167 |
173 |
5 |
7 |
13 |
33.32 |
26.2 |
0.994 |
1780 |
605 |
7.30 |
4.26 |
213 |
69.9 |
||
|
172 |
175 |
6.5 |
9.5 |
13 |
44.64 |
35.0 |
1.01 |
2470 |
850 |
7.43 |
4.36 |
287 |
97.1 |
|||
|
200×150 |
193 |
98 |
3.2 |
4.5 |
8 |
15.25 |
12.0 |
0.758 |
994 |
70.7 |
8.07 |
2.15 |
103 |
14.4 |
||
|
200×200 |
196 |
99 |
4 |
6 |
8 |
19.78 |
15.5 |
0.766 |
1320 |
97.2 |
8.18 |
2.21 |
135 |
19.6 |
||
|
250×125 |
188 |
149 |
4.5 |
6 |
8 |
26.34 |
20.7 |
0.949 |
1730 |
331 |
8.09 |
3.54 |
184 |
44.4 |
||
|
250×175 |
192 |
198 |
6 |
8 |
13 |
43.69 |
34.3 |
1.14 |
3060 |
1040 |
8.37 |
4.86 |
319 |
105 |
||
|
300×150 |
244 |
124 |
4.5 |
6 |
8 |
25.86 |
20.3 |
0.961 |
2650 |
191 |
10.1 |
2.71 |
217 |
30.8 |
||
|
300×200 |
238 |
173 |
4.5 |
8 |
13 |
39.12 |
30.7 |
1.14 |
4240 |
691 |
10.4 |
4.20 |
356 |
79.9 |
||
|
350×175 |
294 |
148 |
4.5 |
6 |
13 |
31.90 |
25.0 |
1.15 |
4800 |
325 |
12.3 |
3.19 |
327 |
43.9 |
||
|
400×150 |
286 |
198 |
6 |
8 |
13 |
49.33 |
38.7 |
1.33 |
7360 |
1040 |
12.2 |
4.58 |
515 |
105 |
||
|
400×200 |
340 |
173 |
4.5 |
6 |
13 |
36.97 |
29.0 |
1.34 |
7490 |
518 |
14.2 |
3.74 |
441 |
59.9 |
||
|
390 |
148 |
6 |
8 |
13 |
47.57 |
37.3 |
1.34 |
11700 |
434 |
15.7 |
3.01 |
602 |
58.6 |
|||
|
390 |
198 |
6 |
8 |
13 |
55.57 |
43.6 |
1.54 |
14700 |
1040 |
16.2 |
4.31 |
752 |
105 |
|||
|
类别 |
型号 (高度×宽度)/mm×mm |
截面尺寸/mm |
截面 面积/cm2 |
理论 质量 /(kg/m) |
惯性距/cm4 |
惯性半径/cm |
截面模数/cm3 |
表面 面积 /(m2/m) |
|||||||
|
H |
B |
t1 |
t2 |
r |
Ix |
Iy |
ix |
iy |
Wx |
Wy |
|||||
|
H 型 钢 桩 HP ︵ 桩 型 ︶ |
200×200 |
200 |
200 |
8 |
12 |
13 |
63.53 |
49.9 |
4720 |
1600 |
8.61 |
5.02 |
472 |
160 |
1.16 |
|
250×250 |
250 |
250 |
9 |
14 |
13 |
91.43 |
71.8 |
10700 |
3650 |
10.8 |
6.31 |
860 |
292 |
1.46 |
|
|
300×300 |
300 |
300 |
10 |
15 |
13 |
118.5 |
93.0 |
20200 |
6750 |
13.1 |
7.55 |
1350 |
450 |
1.76 |
|
|
350×350 |
344 |
348 |
10 |
16 |
13 |
144.0 |
113 |
32800 |
11200 |
15.1 |
8.83 |
1910 |
646 |
2.04 |
|
|
350 |
350 |
12 |
19 |
13 |
171.9 |
135 |
39800 |
13600 |
15.2 |
8.88 |
2280 |
776 |
2.05 |
||
|
400×400 |
400 |
400 |
13 |
21 |
22 |
218.7 |
172 |
66600 |
22400 |
17.5 |
10.1 |
3330 |
1120 |
2.34 |
|
|
400 |
408 |
21 |
21 |
22 |
250.7 |
197 |
70900 |
23800 |
16.8 |
9.74 |
3540 |
1170 |
2.35 |
||
|
414 |
405 |
18 |
28 |
22 |
295.4 |
232 |
92800 |
31000 |
17.7 |
10.2 |
4480 |
1530 |
2.37 |
||
|
428 |
407 |
20 |
35 |
22 |
360.7 |
283 |
11900 |
39400 |
18.2 |
10.4 |
5570 |
1930 |
2.41 |
||
|
458 |
417 |
30 |
50 |
22 |
528.6 |
415 |
18700 |
60500 |
18.8 |
10.7 |
8170 |
2900 |
2.49 |
||
|
498 |
432 |
45 |
70 |
22 |
770.1 |
604 |
29800 |
94400 |
19.7 |
11.1 |
12000 |
4370 |
2.60 |
||
|
注:1.同一型号的产品,其内侧尺寸高度一致。表中带 * 者国内暂不能生产。 2.截面面积计算公式为t1(H-2t2)+2Bt2+0.858r2。 3.H型钢的化学成分和力学性能应符合GB/T 700(碳素结构钢)、GB/T 712(船体用结构钢)、GB/T 714(桥梁、建筑用碳素钢)、GB/T 1591(低合金高强度结构钢)、GB/T 4171(高耐候结构钢)和GB/T 4172(焊接结构用耐候钢)的规定。H型钢以热轧状态交货。 |

