|
形位公差与尺寸公差的关系及公差原则应用示例 |
|||
|
公差 原则 |
应 用 示 例 |
||
|
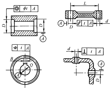
独 立 原 则 |
销轴,未注尺寸公差和形位公差
|
||
|
极限尺寸不控制轴线直线度误差和由棱圆形成的圆度误差 实际要素的局部实际尺寸由给定的极限尺寸控制,形状误差由未注形状公差控制,两者分别满足要求
|
|||
|
未注尺寸公差,注有形状公差。最大极限尺寸与最小极限尺寸之间任何实际尺寸的圆度公差都是0.005
|
|||
|
极限尺寸不控制轴线直线度误差由棱圆形成的圆度误差 实际要素的局部实际尺寸由给定的极限尺寸控制,形状误差由圆度公差控制,两者分别满足要求
|
|||
|
影响装配和工作时的过盈或间隙的均匀性,因而影响密封、压合紧度的部位
|
|||
|
影响零件运动精度的部位
|
|||
|
影响摩擦寿命的部位,如滑块两工作表面的平行度
|
|||
|
影响旋转平衡、强度、重量、外观等部位,如高速飞轮安装内孔A和外表面的同轴度
|
|||
|
所有量规、夹具、定位元件、引导元件的工作表面之间的相互位置公差等
|
|||
|
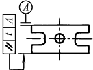
包 容 要 求 |
由最大极限尺寸形成的最大实体边界(f 30)控制了轴的尺寸大小和形状误差 形状误差受极限尺寸控制,最大可达尺寸公差(0.021),不必考虑未注形状公差的控制
|
||
|
由最大极限尺寸形成的最大实体边界(f 30)控制了轴的尺寸大小和形状误差 形状误差除受极限尺寸控制外,还必须满足圆度公差的进一步要求
|
|||
|
用于关联要素,采用零值公差
|
|||
|
最 大 实 体 要 求 ︵ 单 一 要 素 ︶ |
极限尺寸不控制形状误差,仅控制局部实际尺寸;形状误差由极限尺寸与给定的形状公差形成的实效边界( 实际轴的形状误差在实效边界内可以得到极限尺寸的补偿,此时,不必考虑未注形状公差
|
||
|
极限尺寸不控制形状误差,仅控制局部实际尺寸,形状误差由极限尺寸与给定的形状公差形成的实效边界(f 30.01)控制。形状误差除受实际边界的限制,并能得到极限尺寸的补偿外,还必须满足对轴线直线度公差的进一步要求。即:轴线直线度误差允许得到补偿,超过给定值f 0.01,但最大不得超过f 0.02
|
|||
|
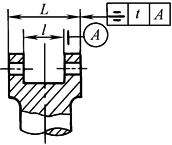
最 大 实 体 要 求 ︵ 关 联 要 素 ︶ |
螺栓杆部(或通孔)及类似部位的直线度
|
||
|
螺钉杆部和头部间(螺钉通孔及沉头孔间)及类似部位的同轴度 |
|
||
|
不影响安装使用的连接件的位置度公差,如衬套和垫圈零件内、外圈间的同轴度以及带舌锁紧垫圈的对称度 |
|
||
|
圆周分布的与直角坐标分布的连接安装孔 |
|
||
|
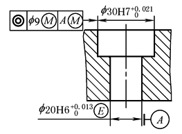
最 小 实 体 要 求 |
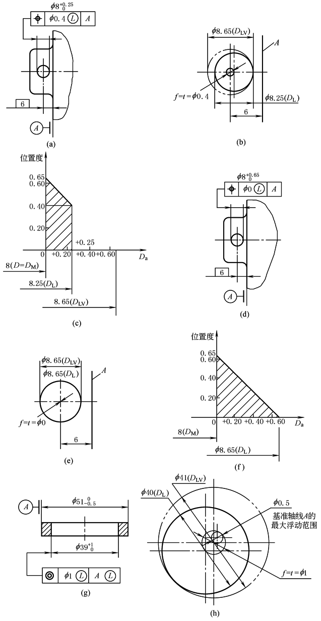
1.轴线位置度公差采用最小实体要求 图a表示孔 该孔应满足下列要求: (1)实际尺寸在f 8~f 8.25之间 (2)实际轮廓不超出关联最小实体实效边界,即其关联体内作用尺寸不大于最小实体实效尺寸DLV=DL+t=f 8.25+f 0.4=f 8.65 当该孔处于最大实体要求时,其轴线对A基准的位置误差允许达到最大值,即等于图样给出的位置度公差(f 0.4)与孔的尺寸公差(0.25)之和f 0.65 2.轴线位置度公差采用最小实体要求的零形位公差 图d表示孔 该孔应满足下列要求: (1)实际尺寸不小于f 8 (2)实际轮廓不超出最小实体边界,即其关联体内作用尺寸不大于最小实体尺寸DL=f 8.65 当该孔处于最小实体状态时,其轴线对A基准的位置度误差应为零,如图e所示。当该孔处于最大实体状态时,其轴线对A基准的位置度误差允许达到最大值,即孔的尺寸公差f 0.65。图f给出了表达上述关系的动态公差图 3.同轴度公差采用最小实体要求 图g中最小实体要求应用于孔 (1)实际尺寸在f 39~f 40之间 (2)实际轮廓不超出关联最小实体实效边界,即其关联体内作用尺寸不大于关联最小实体实效尺寸DLV=DL+t=f 40+f 1=f 41 |
|
|
|
当该孔处于最大实体状态时,基轴线对A基准的同轴度误差允许达到最大值,即等于图样给出的同轴度公差(f 1)与孔的尺寸公差(1mm)之和f 2,如图i所示 当基准要素的实际轮廓偏离其最小实体边界,即其体内作用尺寸偏离最小实体尺寸时,允许基准要素在一定范围内浮动。其最大浮动范围是直径等于基准要素的尺寸公差0.5mm的圆柱形区域,如图h(被测要素处于最小实体状态)和图i(被测要素处于最大实体状态)所示 4.同轴度公差采用最小实体要求的零形位公差 图j表示最小实体要求的零形位公差应用于孔 该孔应满足下列要求: (1)实际尺寸不小于f 39 (2)实际轮廓不超出关联最小实体边界,即其关联体内作用尺寸不大于最小实体尺寸DL=41 当该孔处于最小实体状态时,其轴线对A基准的同轴度误差应为零,如图k所示 当该孔处于最大实体状态时,其轴线对A基准的同轴度误差允许达到最大值,即图样给出的被测要素的尺寸公差值f 2,如图l所示 5.成组要素的位置度公差采用最小实体要求 图m表示12个槽3.5mm±0.05mm的中心平面对A、B基准的位置度公差采用最小实体要求。当各槽均处于最小实体状态时,其中心平面对A、B基准的位置度公差为0.5,如图n所示。图o给出了表达上述关系的动态公差图 各槽应满足下列要求: (1)实际尺寸在3.45~3.55之间 (2)实际轮廓不超出关联最小实体实效边界,即其关联体内作用尺寸不大于关联最小实体实效尺寸DLV=DL+t=3.55+0.5=4.05 当各槽均处于最大实体状态时,其中心平面对A、B基准的位置度误差允许达到最大值,即等于图样给出的位置度公差(0.5)与槽的尺寸公差(0.)之和0.6 |
|
||
|
可 逆 要 求 |
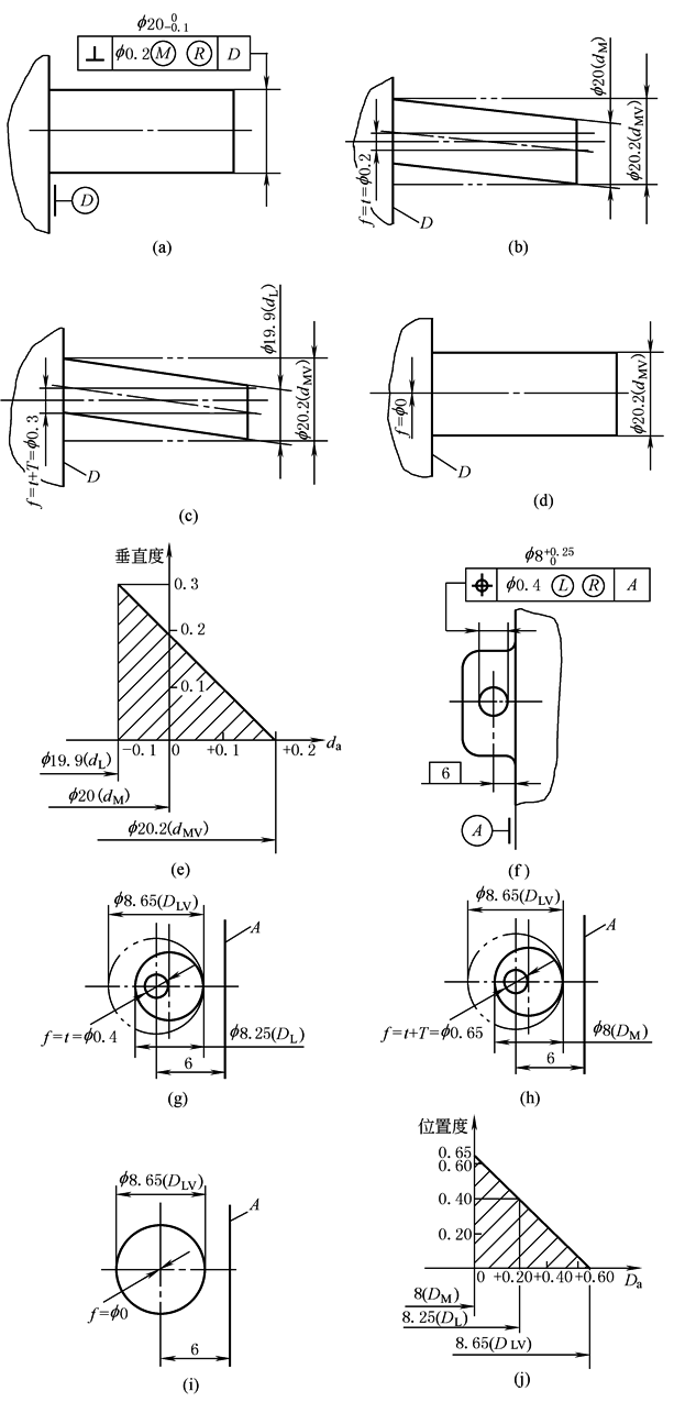
1.可逆要求用于最大实体要求 图a中的被测要素(轴)不得超出其最大实体实效边界,即其关联体外作用尺寸不超出最大实体实效尺寸f 20.2。所有局部实际尺寸应在f 19.9~f 20.2之间,轴线的垂直度公差可根据其局部实际尺寸在0~0.3之间变化,例如,如果所有局部实际尺寸都是f 20(dM),则轴线的垂直度误差可为f 0.2(见图b);如果所有局部实际尺寸都是f 19.9mm(dL),则轴线的垂直度误差可为f 0.3(见图c);如果轴线的垂直度误差为零,则局部实际尺寸可为f 20.2(见图d)。图e给出了表达上述关系的动态公差图 2.可逆要求用于最小实体要求 图f中的被测要素(孔)不得超出其最小实体实效边界,即其关联体内作用尺寸不超出最小实体实效尺寸f 8.65(=f 8+0.25+f 0.4)。所有局部实际尺寸应在f 8~f 8.65之间,其轴线的位置度误差可根据其局部实际尺寸在0~0.65之间变化。例如:如果所有局部实际尺寸均为f 8.25(DL),则其轴线的位置度误差可为f 0.4(见图g);如果所有局部实际尺寸均为f 8(DM),则轴线的位置度误差可为f 0.65(见图h);如果轴线的位置度误差为零,则局部实际尺寸可为f 8.65(DLV)(见图i)。图j给出了表达上述关系的动态公差图 |
||
|
|
|||





















