|
螺纹的标记方法 |
||||||||||||||||||
|
螺纹 类别 |
特征 代号 |
公称 直径 |
螺距 |
导程 |
线数 |
旋向 |
公差带 代号 |
旋合长 度代号 |
标记示例 |
附 注 |
||||||||
|
标 准 普 通 螺 纹 |
粗牙 |
M |
10 |
|
|
|
右 |
6H |
L |
|
标准GB/T 197—2003 普通螺纹粗牙不注螺距,中等旋合长度不标N(以下同)。短、长旋合长度分别用字母S、L表示。右旋不标注。多线时注出Ph(导程)、P(螺矩)(下同) 螺纹副标记示例:M20×2LH 中等公差精度(如6H、6g)不注公差带代号 |
|||||||
|
细牙 |
16 |
1.5 |
|
|
LH (左) |
5g6g |
S |
|
||||||||||
|
小螺纹 |
S |
0.8 |
|
|
|
|
4H5 |
|
S0.8 4H5 |
标准GB/T 15054.4—1994 内螺纹中径公差带为4H,顶径公差等级为5级。外螺纹中径公差带为5h,顶径公差等级为3级。顶径公差带位置仅一种,故只注等级 螺纹副标记示例:S0.94H5/5h3 |
||||||||
|
1.2 |
|
|
|
LH (左) |
5h3 |
|
S1.2LH5h3 |
|||||||||||
|
梯形螺纹 |
Tr |
32 |
6 |
|
|
LH (左) |
7e |
|
|
标准GB/T 5796.4—2005 多线螺纹螺距和导程都可参照此格式标注 螺纹副标记示例:Tr36×6-7H/7e |
||||||||
|
40 |
7 |
14 |
2 |
LH (左) |
7e |
L |
Tr40×14(P7)LH-7e-L |
|||||||||||
|
锯齿形 螺纹 |
B |
40 |
7 |
14 |
2 |
LH (左) |
8c |
L |
B40×14(P7)LH-8c-L |
标准GB/T 13576—1992 螺纹副标记示例:B40×7-7A/7c |
||||||||
|
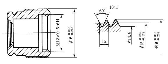
非 标 准 螺 纹 |
非标准螺纹,应画出螺纹的牙型,并注出所需要的尺寸及有关要求(下图)
|
|||||||||||||||||
|
螺 纹 长 度 |
图a所标注的螺纹长度,均指不包括螺尾在内的有效螺纹长度。当需要标出螺尾长度时,其标注方法见图b或另加说明
|
|||||||||||||||||
|
螺纹类别 |
特征 代号 |
尺寸 代号 |
旋向 |
公差 等级 |
基距 代号 |
标记示例 |
附 注 |
|||||||||||
|
米制锥 螺纹 |
ZM |
公称 直径 14 |
|
|
S |
|
标准GB/T 1415—1992 S为短基距代号,标准基距不注代号(下同) 螺纹副标记示例:ZM10/ZM10;M10×1·GB 1415/ZM10-S |
|||||||||||
|
60° 密 封 管 螺 纹 |
圆锥管螺纹 (内、外) |
NPT |
3/4 |
LH(左) |
|
|
|
标准GB/T 12716—2002 内、外螺纹均仅有一种公差带,故不注公差带代号(以下同) |
||||||||||
|
圆柱内螺纹 |
NPSC |
|||||||||||||||||
|
55°非螺纹密 封管螺纹 |
G |
11/2 |
LH(左) |
|
|
G11/2-LH |
标准GB/T 7307—2001 内螺纹公差等级只有一种,不标记。外螺纹公差等级分A级和B级两种 标记螺纹副时,仅标注外螺纹的标记代号,如�仸�G11/2A |
|||||||||||
|
1/2 |
LH(左) |
A |
|
|
||||||||||||||
|
55° 螺 纹 密 封 的 管 螺 纹 |
圆 锥 外 螺 纹 |
R (R1、 R2) |
3/4 |
LH |
|
|
|
标准GB/T 7306—2000(GB/T 7306.1—2000《圆柱内螺纹与圆锥外螺纹》;GB/T 7306.2—2000《圆锥内螺纹与圆锥外螺纹》) 内、外螺纹均只有一种公差带,故省略不注 R1表示与圆柱内螺纹相配合的圆锥外螺纹;R2表示与圆锥内螺纹相配合的圆锥外螺纹。如R13或R23 表示螺纹副时,尺寸代号只标注一次,如Rp/R13;Rc/R23 |
||||||||||
|
圆 锥 内 螺 纹 |
Rc |
1/2 |
|
|
|
|
||||||||||||
|
圆柱 内螺纹 |
Rp |
1/2 |
|
|
|
Rp1/2 |
||||||||||||
|
自攻螺 钉螺纹 |
ST |
公称 直径 3.5 |
|
|
|
ST3.5 |
标准GB/T 5280—2002 使用时,应先制出螺纹底孔(预制孔) |
|||||||||||
|
自攻锁紧螺钉 用螺纹(粗牙 普通螺纹) |
M |
公称 直径 5 |
|
|
|
M5×20 |
标准GB/T 6559—1986 使用时。先制预制孔,标记示例中的20指螺杆长度 |
|||||||||||
|
螺纹副的 标注方法 |
装配图中螺纹副的标记与螺纹的标注方法相同。米制螺纹一般直接标注在大径的尺寸线上或其引出线上,如图a所示。管螺纹应采用引出线由配合部分的大径处引出标注,如图b所示。米制锥螺纹一般采用引出线由配合部分的大径处引出标注,也可直接标注在从基面处画出的尺寸线上,如图c所示。斜线分开的左边表示内螺纹,右边表示外螺纹
|
|||||||||||||||||
|
注:60°圆锥管螺纹和55°螺纹密封及非螺纹密封管螺纹来源于英制,被采用制定为我国标准螺纹时已米制化。特征代号后的数字是定性地表征螺纹大小的“尺寸代号”,不是定量地将其数值换成毫米,故不得称为“公称直径”。 |
||||||||||||||||||











