|
尺寸注法(GB/T 4458.4—2003) |
||||||||||||
|
尺 寸 界 线 |
曲线轮廓 当表示曲线轮廓上各点的坐标时,可将尺寸线或其延长线作为尺寸界线(图1、图2)
图1 图2 图中方框中的尺寸表示理论正确尺寸,测量时由工艺装备的精度或手工调整的精度来保证 |
|||||||||||
|
光滑过渡处 尺寸界线一般应与尺寸线垂直,必要时才允许倾斜。在光滑过渡处标注尺寸时,必须用细实线将轮廓线延长,从它们的交点处引出尺寸界线(图3、图4)
图3 图4 |
||||||||||||
|
角度、弦长、弧长 标注角度的尺寸界限应沿径向引出(图5);标注弦长的尺寸界线应平行于该弦的垂直平分线(图6);标注弧长的尺寸界线应平行于该弧所对圆心角的平分线(图7),当弧度较大时,可沿径向引出(图8)。表示弧长的尺寸数字旁加注符号“
图5 图6 图7 图8 |
||||||||||||
|
尺 寸 线 |
尺寸线及其终端 尺寸线用细实线绘制,其终端可以有两种形式,即箭头和斜线。当尺寸线与尺寸界线相互垂直时,同一张图样中只能采用一种尺寸线终端的形式。机械图样中一般采用箭头作为尺寸线的终端。标注线性尺寸时,尺寸线应与所标注的线段平行。尺寸线不能用其他图线代替,一般也不得与其他图线重合或画在其延长线上。尺寸线的终端采用斜线形式时,尺寸线与尺寸界线应相互垂直(图9)
图9 |
|||||||||||
|
直径与半径 圆的直径和圆弧半径的注法见图10。当圆弧的半径过大或在图纸范围内无法标出其圆心位置时,可按图11的形式标注。若不需要标出其圆心时,可按图12的形式标注
图10
图11 图12 |
||||||||||||
|
角度 标注角度时,尺寸线应画成圆弧,其圆心是该角的顶点 |
||||||||||||
|
对称机件 当对称机件的图形只画出一半或略大于一半时,尺寸线应略超过对称中心线或断裂处的边界,此时仅在尺寸线的一端画出箭头(图13、图14)
图13 图14 |
||||||||||||
|
小尺寸的标注 在没有足够的位置画箭头或注写数字时,可按图15的形式标注,此时,允许用圆点或斜线代替箭头
图15 |
||||||||||||
|
尺 寸 数 字 |
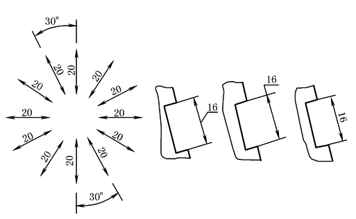
线性尺寸数字 线性尺寸的数字一般应注写在尺寸线的上方,也允许注写在尺寸线的中断处(图16)。线性尺寸数字的方向,有以下两种注写方法:一般应采用图17所示的方向注写,并尽可能避免在图示30°范围内标注尺寸,当无法避免时可按图18的形式标注;在不致引起误解时,也允许采用如图19、图20所示的方法标注。非水平方向的尺寸,其数字可水平地注写在尺寸线的中断处。在一张图样中,应尽可能采用同一种方法
图16
图17 图18
图19 图20 |
|||||||||||
|
角度数字 角度数字一律写成水平方向,一般注写在尺寸线的中断处(图21),必要时也可按(图22)形式标注
图21 图22 |
尺寸数字不可被任何图线所通过,否则应将该图线断开(图23)
图23 |
|||||||||||
|
标 注 尺 寸 的 符 号 及 缩 写 词 |
直径、半径、球面 标注直径时,应在尺寸数字前加注符号“f ”;标注半径时,应在尺寸数字前加注符号“R”;标注球面的直径或半径时,应在符号“f ”或“R”前再加注符号“S”。对于螺钉、铆钉的头部,轴(包括螺杆)的端部以及手柄的端部,在不致引起误解的情况下可省略符号“S”(图24)
图24 |
|||||||||||
|
参考尺寸 标注参考尺寸时,应将尺寸数字加上括号(图25)
图25 |
弧长 标注弧长时,应在尺寸数字的左方加注符号“ |
|||||||||||
|
剖面为正方形结构 标注剖面为正方形结构的尺寸时,可在正方形边长尺寸数字前加注符号“□”(图26、图27)或用“B×B”(B为正方形的对边距离)(图28、图29)
图26 图27 图28 图29 |
||||||||||||
|
厚度 标注板状零件的厚度时,可在尺寸数字前加注符号“t”(图30)
图30
|
半径尺寸有特殊要求 当需要指明半径尺寸是由其他尺寸所确定时,应用尺寸线和符号“R”标出,但不要注写尺寸数字(图31)
图31 |
|||||||||||
|
斜度和锥度 斜度注法如图32所示,锥度注法如图33所示
图32
图33 |
||||||||||||
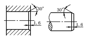
|
倒角 45°的倒角可按图34的形式标注,非45°的倒角应按图35的形式标注
图34
图35 |
||||||||||||
|
尺寸的简化注法按GB/T 16675.2 |
||||||||||||
|
标注尺寸的符号及缩写词 |
||||||||||||
|
|
序号 |
符号及缩写词 |
序号 |
符号及缩写词 |
|
|||||||
|
|
含义 |
现行 |
曾用 |
含义 |
现行 |
曾用 |
|
|||||
|
|
1 |
直径 |
f |
(未变) |
9 |
深度 |
|
深 |
|
|||
|
|
2 |
半径 |
R |
(未变) |
10 |
沉孔或锪平 |
|
沉孔、锪平 |
|
|||
|
|
3 |
球直径 |
Sf |
球f |
11 |
埋头孔 |
|
沉孔 |
|
|||
|
|
4 |
球半径 |
SR |
球R |
12 |
弧长 |
|
(仅变注法) |
|
|||
|
|
5 |
厚度 |
t |
厚,δ |
13 |
斜度 |
|
(未变) |
|
|||
|
|
6 |
均布 |
EQS |
均布 |
14 |
锥度 |
|
(仅变注法) |
|
|||
|
|
7 |
45° |
C |
l×45° |
15 |
展开长 |
|
新增 |
|
|||
|
|
8 |
正方形 |
□ |
(未变) |
16 |
型材截面形状 |
新:GB/T 4656.1—2000 旧:GB/T 4656—1984 |
|
||||
|
GB/T 4458.4—2003附录规定的上述标注尺寸的符号及缩写词与GB/T 16675.2—1996的规定一致,仅增加了“展开长”和“型材截面形状”符号。另外,GB/T 16675.2—1996的规定中有“关联作用”符号和“分割作用”符号,见表应用举例及与曾用表示方法的对照 |
||||||||||||
|
未定义形状边的注法 需要确切地指定边的形状和给出极限尺寸要求时,应按GB/T 19096进行标注 |
||||||||||||






















