|
热轧普通工字钢 /mm |
|||||||||||||
|
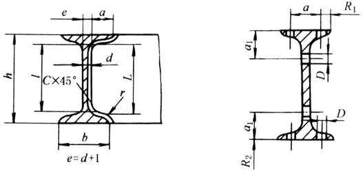
标准JB/T5000.3—1998规定,卷圆冷弯弯曲半径为:R≥25h或R≥25b(随弯曲方向定) |
|||||||||||||
|
型号 |
焊接接头尺寸 |
螺栓、铆钉连接规线 |
最小弯曲半径 |
||||||||||
|
L |
l |
a |
C |
e |
b |
a |
a1 |
D |
热 弯 |
冷 弯 |
|||
|
R1 |
R2 |
R1 |
R2 |
||||||||||
|
10 |
88 |
77 |
32 |
4 |
5.5 |
68 |
36 |
— |
12 |
210 |
305 |
815 |
1200 |
|
12.6 |
106 |
95 |
35 |
6.0 |
74 |
40 |
225 |
385 |
890 |
1510 |
|||
|
14 |
126 |
113 |
38 |
5 |
6.5 |
80 |
44 |
245 |
430 |
960 |
1680 |
||
|
16 |
144 |
130 |
41 |
7.0 |
88 |
48 |
14 |
270 |
490 |
1055 |
1920 |
||
|
18 |
164 |
149 |
44 |
7.5 |
94 |
50 |
45 |
17 |
290 |
555 |
1130 |
2160 |
|
|
|
182 |
166 |
47 |
8.0 |
100 |
54 |
47 |
305 |
615 |
1200 |
2400 |
||
|
10.0 |
102 |
315 |
1220 |
||||||||||
|
|
202 |
185 |
52 |
8.5 |
110 |
60 |
48 |
340 |
675 |
1320 |
2640 |
||
|
10.5 |
112 |
345 |
1345 |
||||||||||
|
|
220 |
202 |
55 |
9 |
116 |
65 |
54 |
20 |
355 |
770 |
1390 |
2995 |
|
|
11 |
118 |
365 |
1415 |
||||||||||
|
|
248 |
229 |
58 |
9.5 |
122 |
66 |
56 |
375 |
860 |
1465 |
3360 |
||
|
11.5 |
124 |
380 |
1490 |
||||||||||
|
|
308 |
288 |
61 |
6 |
10.5 |
130 |
75 |
58 |
22 |
400 |
985 |
1560 |
3840 |
|
12.5 |
132 |
405 |
1585 |
||||||||||
|
14.5 |
134 |
410 |
1610 |
||||||||||
|
|
336 |
316 |
64 |
11.0 |
136 |
80 |
64 |
420 |
1105 |
1630 |
4320 |
||
|
13.0 |
138 |
425 |
1655 |
||||||||||
|
15.0 |
140 |
430 |
1680 |
||||||||||
|
|
376 |
354 |
66 |
7 |
11.5 |
142 |
80 |
65 |
24 |
435 |
1230 |
1705 |
4800 |
|
13.5 |
144 |
440 |
1730 |
||||||||||
|
15.5 |
146 |
450 |
1750 |
||||||||||
|
|
424 |
400 |
70 |
12.5 |
150 |
85 |
67 |
460 |
1380 |
1800 |
5395 |
||
|
14.5 |
152 |
465 |
1825 |
||||||||||
|
16.5 |
154 |
475 |
1850 |
||||||||||
|
|
472 |
446 |
74 |
13.0 |
158 |
90 |
70 |
485 |
1535 |
1895 |
6000 |
||
|
15.0 |
160 |
490 |
1920 |
||||||||||
|
17.0 |
162 |
500 |
1940 |
||||||||||
|
|
520 |
494 |
78 |
8 |
13.5 |
166 |
94 |
72 |
26 |
510 |
1720 |
1995 |
6720 |
|
15.5 |
168 |
515 |
2015 |
||||||||||
|
17.5 |
170 |
520 |
2035 |
||||||||||
|
|
590 |
564 |
83 |
14.0 |
176 |
95 |
75 |
540 |
1935 |
2110 |
7560 |
||
|
16.0 |
178 |
545 |
2135 |
||||||||||
|
18.0 |
180 |
565 |
2160 |
||||||||||

