|
冲裁件的结构要素(JB/T 4378.1—1999) |
|||||||||||
|
圆角半径 |
用模具一次冲制完成时,一般圆角半径R应大于或等于板厚t的一半,即R≥0.5t |
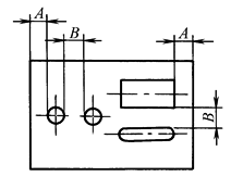
凸出和凹入尺寸 |
对一般钢材:B≥1.5t 对高碳钢、合金钢:B应增加30%~50% 对黄铜、铝:B应减少20%~25% t为板厚 |
孔边距和孔间距 |
孔边距A≥1.5t,Amin≥0.8mm 孔间距B≥1.5t,Bmin≥08mm t为板厚 |
||||||
|
冲孔尺寸(优先选用圆形) |
材 料 |
|
|
|
|
||||||
|
钢(σb>690MPa) |
d≥1.5t |
a≥1.35t |
a≥1.2t |
a≥1.1t |
|||||||
|
钢(σb>490~690MPa) |
d≥1.3t |
a≥1.2t |
a≥1.0t |
a≥0.9t |
|||||||
|
钢(σb≤490MPa) |
d≥1.0t |
a≥0.9t |
a≥0.8t |
a≥0.7t |
|||||||
|
黄铜、铜 |
d≥0.9t |
a≥0.8t |
a≥0.7t |
a≥0.6t |
|||||||
|
铝、锌 |
d≥0.8t |
a≥0.7t |
a≥0.6t |
a≥0.5t |
|||||||
|
胶纸板、胶布板 |
d≥0.7t |
a≥0.6t |
a≥0.5t |
a≥0.4t |
|||||||
|
纸板 |
d≥0.6t |
a≥0.5t |
a≥0.4t |
a≥0.3t |
|||||||
|
端头圆弧 尺 寸 |
|
用条料冲制端头带圆弧的工件,其圆弧半径R应大于斜条宽度的一半,即 |
|||||||||








