|
优先数的应用示例 |
|
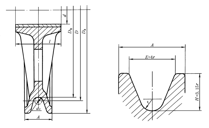
在设计产品时,产品的主参数系列应最大限度采用优先数系。对规格杂乱品种繁多的老产品,应通过调查分析加以整顿,从优先数系中选用合适的系列作为产品的主要参数系列。在零部件的系列设计中应选取一些主要尺寸作为自变量选用优先数系。下面为起重机滑轮结构尺寸的设计示例。起重机滑轮结构尺寸见下图1
图1 滑轮的结构尺寸(参阅JISZ 8601标准数解说) (1)确定采用优先数的参数 对滑轮来说,最重要的参数是与其相配的钢丝绳直径dr。因为dr的大小直接影响到滑轮上所承受载荷的大小,从而决定了滑轮的结构尺寸。因此,首先选用钢丝绳直径dr为优先数,取R20系列,尺寸在10~60mm范围内。 其次,在滑轮轮缘部分的几个直径尺寸中,决定钢丝绳中心处的滑轮公称直径D采用优先数。而滑轮底径Db按下式计算: Db=D-dr Db一般不再为优先数。 另外,根据经验确定适当的槽形,其尺寸比例如上图所示,比例系数取优先数。这样只要槽底的圆弧半径r取为优先数,则槽形的各部分尺寸就都为优先数。 滑轮的外径Da由下式确定: Da=Db+2H Da一般也不再为优先数。 与轴的配合尺寸——轮毂长度l和滑轮孔径d 都取为优先数。 (2)确定滑轮直径D 滑轮直径D的系列取R20系列。滑轮直径与钢丝绳直径之比取决于起重机使用的频繁程度,在起重机的结构规范中最低为20倍。系列设计中假定取20倍、25倍和31.5倍三种(倍数也按优先数选用,以保证D为优先数),并称20倍的滑轮为20型,25倍的为25型,31.5倍的为31.5型。对应不同钢丝绳直径dr的滑轮直径D可按R20系列排表(见表滑轮的系列尺寸) (3)确定槽底的圆弧半径r 对槽底圆弧半径r的要求是使钢丝绳能较合适地安放在槽内。槽底半径过小或钢丝绳直径过大,都会产生干涉。r值可按下式求得:
式中 drm——钢丝绳直径的平均值,mm α——钢丝直径公差的 β——槽底半径公差的 把计算所得的值圆整为R20中的优先数。 (4)确定轮缘宽度A 轮缘宽度A根据经验式为
把计算所得的值圆整为相近的R40中的优先数。 (5)计算滑轮轴承上所承受的载荷P 轴承上所承受的载荷P应为钢丝绳拉力Pa的两倍,即:
式中 Pa——钢丝绳拉力; Pb——钢丝绳的破断载荷,可由钢丝绳的直径查标准求得; n——安全系数,对起重机用钢丝绳取n=6。 钢丝绳直径dr=10mm时,查得Pb=60.3kN,则P=20.1kN,近似取为优先数P≈20kN。同时,考虑到在材料许用应力不变时,钢丝绳的破断载荷Pb与钢丝绳的截面积成正比。因此,
现在钢丝绳直径dr为R20系列,故载荷P为R20/2系列(因P=20kN为R10系列中的值,故R20/2=R10系列)。 (6)决定孔径d和轮毂长度l 设孔径d取R20系列,轮毂长度l取R10系列。对同一种钢丝绳直径的滑轮,因承载条件的不同,须有不同的孔径d和轮毂长度l的组合,因此需要确定其大小的极限范围,这时最好利用优先数图来作系列分析。 1)确定孔径d和轮毂长度l的关系 d与l的关系可由滑轮轴承面上的许用压力决定,其关系为:
式中 Bp——轴承许用压力,设Bp=900N/cm2; P——滑轮轴承所受的载荷,N l、d的单位取cm。 对各个钢丝绳直径dr,其Bp和P值都是一定的,故上式可表示为
这个关系式在按优先数刻度的d-l坐标中是斜率为-1的直线(如图2所示),只要算出任意一点就能画出此直线。取孔径d=100mm=10cm,钢丝绳直径分别取最小(dr=10mm,P=20kN)和最大(dr=56mm,P=630kN)两种情况,则轮毂长度l为:
在下图2中相应于dr=10mm时d=100mm,l=22.4mm的一个点,和dr=56mm时d=100mm,l=710mm的一个点,以符号▲表示。从这两点分别画出斜率为-1的直线①和①'。
图2 确定孔径d和轮毂长度l的系列 相应于其他dr值的d与l值,只要在两直线①和①'之间,按钢丝绳直径系列R20等分,绘出平行直线,就很容易求得,而不必一一计算。 2)确定d和l的极限范围 按照在滑轮轴两支点间仅装一个滑轮的最小承载条件,以及装五个滑轮的最大承载条件,考虑使轴的弯曲应力不超过许用值。可求得最小孔径、最大孔径与轮毂长度的关系为
dmax=1.80l 与上式相应的两条斜率为1的直线③、③'给出了d和l的极限范围 3)修正轮毂长度 与各种d、l值相应的点,只要在直线①、①'、③、③'规定的范围内,就能符合设计要求。但因轴(孔)径d取R20系列,而轮毂长度l取R10系列,是已经给定的条件,因此,需要把l中不是R10系列的值向上修正到R10系列。例如在图2的直线①上,把箭头符号所表示的R20系列的轮毂长度修正到R10上。这样得到的滑轮孔径与轮毂长度的系列尺寸见表滑轮的孔径和轮毂长度 |



