|
往复运动机构 |
||||||
|
凸轮机构广泛用于实现往复运动的传动,只要选择适当的凸轮廓线就可得到各种形式的往复运动。 如下图所示,图a为偏心圆凸轮,从动杆作往复简谐运动,其行程为偏心距e的两倍。图b为等宽三角凸轮,棱边半径为r,r=a+b,从动杆行程为a-b。图c为等径凸轮,凸轮对径长等于两滚子间距离d,并保持不变,凸轮转一圈从动杆往复一次。图d为抛物线凸轮,从动杆上升动作平稳,推力较小,下降时有冲击作用。可用于粉碎机中。 |
||||||
|
往复移动从动件凸轮机构 |
||||||
|
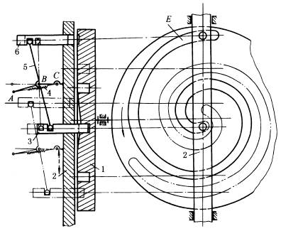
右图中,主动凸轮1表面刻有螺旋沟槽,在接近槽尾E的一段长度内,槽的底部逐渐变浅,从动部件上的A、B、C三点在一直线上时为杠杆5的平衡位置。当凸轮转动到销6进入槽的尾部时(实线位置),A点被迫向下越过平衡位置,使销3在弹簧4的作用下进入凸轮槽的头部,从动杆2开始向下运动,凸轮转过一周半后,销3到达槽尾并脱出(双点划线位置表示尚未到达槽尾的中间位置),A点被迫向上越过平衡位置,销3脱出,销6进入凸轮槽头部,杆2开始向上运动。凸轮每3转,从动杆2完成一个往复循环。 |
增大循环转数的沟槽凸轮机构 |
|||||
|
下图中,小车3向前推进时,铲斗2上的滚子4沿固定凸轮槽5运动,使铲斗逐渐倾侧,将包装箱1置于输出辊道6上。 |
||||||
|
可倾翻卸包装箱的运输小车 |
||||||
|
右图中,圆柱凸轮1上刻有往复螺旋槽,两螺旋槽的头尾均用圆滑圆弧相接,槽中有一与从动杆2的下端相连的船形导向块3,凸轮旋转时,从动杆2即被带动作往复移动。凸轮转过的转数为两条螺旋槽的总导程数时,从动杆完成一次往复循环。此机构效率较低,宜于慢速运动。在卷筒的导绳机构和纺纱机械中均有应用。 |
往复螺旋槽圆柱凸轮机构 |
|||||
|
下图(1)中,凸轮1匀速转动,其曲线凹槽带动滚子3使摆杆2绕固定轴O往复摆动,再通过扇形齿轮齿条机构,使刀架4按一定运动规律运动,实现自动走刀。用于自动车床。 下图(2)中,主动偏心凸轮1回转,通过四杆机构ABCD带动从动件2作有急回特性的往复运动,实现细粒物料分层与运输。如用于选矿机械的摇床中。 |
||||||
|
图(1)自动走刀圆柱凸轮机构 |
图(2)凸轮-连杆组合机构 |
|||||
|
下图中,凸轮1由曲柄滑块机构ABC带动作往复运动,与凸轮曲面接触的从动杆2绕E摆动,使滑块3往复移动。改变凸轮曲面形状可使滑块3得到不同的运动规律。 |
||||||
|
移动凸轮-连杆组合机构 |
||||||
|
右图中,主动件为齿轮1,从动件为导丝器6,由6带动丝作往复移动,工艺要求往复行程始末位置周期性变化。齿轮1与齿轮2(z2=60)及齿轮3(z3=61)同时啮合,齿轮3,端面凸轮3' 及圆柱凸轮3" 固结为一体,可沿轴向移动;端面凸轮2' 与齿 轮2固结,轴向位置固定。齿轮3及凸轮3' 转1周,齿轮2转 周,摆杆4及导丝器6作往复运动一次,由于齿轮2、3有相对转动,故两端面凸轮2' 及3' 的接触点变化,使圆柱凸轮3" 随同端面凸轮3' 作微小的轴向位移,改变导丝器6往复行程始末位置。当齿轮3转60周,则齿轮2转61周,两轮的相对位置及导丝器6的轨迹恢复到初始位置,所以,一个循环中,导丝器6往复60次。 |
缫丝机导丝机构 |
|||||
|
下图中,图a为正弦机构,主动曲柄作匀速转动时,从动导杆的速度按正弦规律作往复运动。 导杆行程s=2r; 导杆位移x=r(1-cosφ);
导杆加速度a=rω2cosφ=(r-x)ω2。 这种机构多用于振动台、数字解算装置、操纵机构、印刷机和缝纫机等。 图b为具有倾斜导杆的正弦机构,此时,以 |
||||||
|
曲柄移动导杆机构 |
||||||
|
下图中,斜面凸轮2与主动轴1固连,滑块3以球面铰与从动杆4连接,并通过弹簧与凸轮2接触。当主动轴旋转时,从动杆作往复简谐运动。 |
||||||
|
斜面凸轮往复机构 |
||||||
|
下图a,滑块3铰接在链条2上,T形导杆4可在滑块3中滑动,链轮1转动时,链条带着滑块3运动,从而带动导杆4在导轨5中作往复移动,当3在直线段时,4为等速运动,当3在圆弧段时,4作简谐运动。这种机构换向较平稳。 图b,主动偏心轮1转动,通过左右带轮带动筛体2往复摆动。筛体悬挂在平板弹簧3上。这种机构以两个挠性体代替曲柄摇杆机构中的连杆,同时悬挂采用板簧,能吸收一部分能量,动力性能较好。 |
||||||
|
带挠性构件的往复运动机构 |
||||||
|
右图中,内齿轮3(半径为r3)固定,行星齿轮2的半径为r2,r3=2r2,杆4用铰链A连接在行星轮2的节圆上,当系杆1转动时,杆4沿O1X作往复移动,其运动规律为: x=2r2cosφ 这种机构用于快速印刷机中。 |
行星齿轮简谐运动机构 |
|||||
|
如下图a所示,不完全齿轮1顺时针方向旋转时,与不完全齿轮3啮合,齿轮3又与齿条2相啮合,并带动其向左移动,当齿轮1的轮齿a与齿轮3脱开时,轮齿b进入与齿条2啮合,从而带动齿条右移。改变齿轮1的齿数可调节齿条在两端的停歇时间。 图b所示,不完全齿轮1旋转时交替与上下齿条啮合,从而使构件2往复移动,并在两端有停歇。 不完全齿轮机构由于开始啮合和脱离啮合时都有严重冲击,只能用于低速、轻载。如印刷机等。 |
||||||
|
不完全齿轮传动的往复移动机构 |
||||||
|
右图中,主动齿轮1、3固联,1上有外齿,3上有内齿,图示位置轮2逆时针方向转动,当轮2与轮1脱离而与轮3啮合时,轮2按顺时针方向转动,所以轮2作往复摆动。往复摆角不等,取决于轮1、2和轮2、3的齿数比,因此,轮2不是在固定的区间内摆动,而是以顺时针方向进n1步,逆时针方向退n2步的方式运动(n1>n2)。 不完全齿轮机构由于交替啮合时冲击较大,只用于轻载,低速的场合。 |
不完全齿轮带动的往复摆动机构 |
|||||
|
下图中,图a为摆动式给矿机构,蜗轮减速机通过曲柄摇杆机构ABCD带动闸门(与CD固联)往复摆动,实现间歇放矿。图b为装岩机扒矿机构,利用曲柄摇杆机构ABCD中连杆端部E点(扒爪)的环形轨迹扒取矿石。图c为用来调整雷达天线俯仰角度的曲柄摇杆机构。 |
||||||
|
曲柄摇杆机构 |
||||||
|
下图中,图a是利用两个曲柄摇杆机构ABCD和AEFG组合而成的翻板机构。金属板(双点划线所示)先由左端进入摇杆Dm再过渡到摇杆Gn,使金属板翻转180°由右端运走。应用于有色金属轧机后端用来翻转金属板。 图b是用于将薄片零件翻转180°的机构,构件1、2、3、4组成摇杆滑块机构,主动杆滑块(齿条)1,连杆2为夹持薄片零件的弯杆。当主动齿轮5逆时针方向转动,使齿条1向左移动距离S12,滑块与连杆2铰接点由位置B1移至位置B2时,连杆2与摇杆3的铰接点由位置A1转至位置A2,此时连杆2由位置A1B1移至A2B2,它在图示平面内转动180°,相应地使夹持的薄片也随之翻转180°。 |
||||||
|
翻板机构 |
||||||
|
下图中,活塞杆2在摆动气缸1中运动,带动杆3摆动,通过连杆5又使杆4摆动,从而带动塞杆6启闭高炉的出渣口。 |
||||||
|
渣口堵塞机构 |
||||||
|
右图a中ABCD为等腰梯形的双摇杆机构,CD上带一拐臂,在E点与操纵杆相连。操纵杆使双摇杆摆动,并使两车轮转向,如图b,其特点是双摇杆控制的两车轮转角不等,即α≠β,使汽车在转弯时两前轮的轴线交点P能落在后轮轴线的延长线附近,尽可能实现轮胎与地面作纯滚动。 |
汽车前轮转向机构 |
|||||
|
下图a中实线位置是轮子落地时的情况,飞机起飞后双摇杆机构ABCD运动到双点划线AB'C 'D位置,使轮子收藏起来,减少空气阻力。 图b中构件2、3组成的液压缸在压力油作用下伸缩时,轮轴支柱1绕斜轴摆动,达到收放飞机起落架的目的。其中,构件2、3各有一个绕圆柱副轴线转动的局部自由度。 |
||||||
|
飞机起落架机构 |
||||||
|
下图中,图a为加热炉炉门的开闭机构。炉门在双摇杆机构的实线位置时(AB1C1D)是启开位置,在双点划线位置(AB2C2D)表示关闭位置。这种炉门机构有如下特点: ①多铰接点位置应经过适当选择,使炉门在运动过程中不应发生轨迹干涉,即启闭过程中,炉门不应与炉壁相碰; ②开启时炉门呈水平位置,有利操作; ③开启时炉门的热面朝下,冷面朝上,操作条件较好。 图b为汽车库门的启闭机构,库门在由关闭到开启或由开启到关闭都应不与车库顶部或库内汽车相碰。此图为车库门启闭机构的结构简图,它是由铰链四杆机构A0ABB0和两杆组CDA组成的。杆6本身即为车库大门。当用手推拉杆4时,即能使库门启闭,弹簧E0E用以平衡库门重量,并能使库门在任一位置时均保持静止状态。此外,库门在启闭过程中所占的空间较小。 图c为车门开闭机构,ABC为摇杆滑块机构,当气缸带动摇杆AB转动到AB' 位置时,左车门BC(机构中的连杆)被打开到B'C ' 位置。通过反平行四边形机构AEFA1使右车门实现联动,反向转动相等的角度。 图d为两个驱动缸的车门开闭机构。 |
||||||
|
门的开闭机构 |
||||||
|
下图a为电风扇的摇头机构,是一双摇杆机构ABCD,电机1与摇杆AB固连,蜗轮2与连杆BC固连,AD为机架,当风扇工作时,通过电机1端部的蜗杆带动蜗轮2转动,从而使风扇(AB)绕A往复摆动。四杆长度应满足最短杆BC长度加最长杆CD长度之和小于其他两杆长度之和的条件,则杆AB、CD相对机架AD只能作一定角度的摆动,连杆BC相对机架AD能作整周转动。 图b是另一种双摇杆摇头机构,带风扇的电机5,带轮3、4和蜗杆2、蜗轮1均装于连架杆AB上,而1又与连杆BC固联。电机转动时使摇杆AB,DC往复摆动。 图c为图b的机构简图,风扇摆动角度为α。 |
||||||
|
电风扇的摇头机构 |
||||||
|
下图中,图a为刮水器结构,它由电机1、连杆2、枢轴3、传动机构4、刮臂5和刮片6组成。为了确保规定的刮刷面积,通常采用两个刮片同时工作。电机的旋转运动变成摇摆往复运动是通过电机输出轴的蜗轮蜗杆和曲柄摇杆机构实现。 图b为驱动电机及其蜗轮蜗杆机构。电机轴上的蜗杆1由左、右相反的两段螺旋组成,分别带动位于蜗杆轴两侧的双联齿轮2,3中的大齿轮同向转动。双联齿轮中的小齿轮与输出齿轮4啮合,输出齿轮4与输出轴5一起转动。输出轴5上连接有曲柄摇杆机构的曲柄。 |
||||||
|
汽车风窗刮水器机构 |
||||||
|
下图中,当井下列车通过风门时,通过行程开关,使气缸1动作,将碰杆2拉向双点划线位置,杆2端部有小轮3可在门DM的导槽中滑动,使DM绕D转动到DM1位置,再通过平行四边形机构DCBA推动另一扇门AN绕A转动到AN1位置。此时,两扇门打开,列车通过。列车通过以后,在电气系统作用下,风门重新关闭。如果电气系统有故障。经减速的列车可直接推动碰杆2(右行时)或4(左行时)将门打开。 |
||||||
|
矿山井下坑道气动碰杆风门装置 |
||||||
|
下图中,当罐笼停于井口时,为了使矿车平稳地进入罐笼,可采用摇台稳罐联动装置。摇台3、9可搭在罐笼上,使矿车经其上进入罐笼,稳罐器4、11从两侧顶住罐笼,不使其摇晃。当矿车进罐时,车轮压下杆2,带动摇台3绕D转动,同时摇台3的下部弯杆通过开口槽中的滚轮6带动杆5绕F点转动,使稳罐器4伸出,并稳住罐笼。杆3、5分别通过与其上E、I点铰接的杆8、7带动罐笼另一侧的摇台9与稳罐器11动作。当摇台3转动到使稳罐器4、11全部伸出时(即已从两边顶住罐笼),滚轮6正好离开弯杆上的开口槽C,到达弯杆的圆弧面a' b'上(圆弧面ab、a' b' 的圆心为D),摇台3继续绕D转动到双点划线位置,此时稳罐器4、11不再跟随摇台3动作,处于不动位置。矿车进入罐笼以后,摇台3、9在重锤作用下复位,同时稳罐器的滚轮6重新进入槽C被摇台3带动复位。 此装置是由多个产生往复摇动的平面连杆机构组成,即由四杆铰链机构ABCD带动两个反平行四边形机构DEML和FIJK实现两侧同时动作。通过杆3延长体的弯杆部分DH与滚轮6及摇杆5实现摇台3与稳罐器4联动或脱离。 往复移动和往复摆动的机构,还可通过各种自动换向装置实现,这里不予列举。 |
||||||
|
矿井罐笼摇台稳罐联动装置 |
||||||































