|
振动机构 |
|||
|
图(1)所示为单质体振动机构,由主动曲柄1通过弹性连杆2带动单质体m(料槽、管或筛)作往复摆动。由于在一次振动循环中摆杆3总是向左倾斜,所以物料向右运动。这种机构可用于物料的输送与筛分。 图(2)中,齿轮2带动1转动,曲柄4通过滑块和弹簧使1产生垂直运动,因而1内的含水粒状物料沿内壁(带孔的钢板)上升,水从孔中分离出来。 |
|||
|
图(1)单质体振动机构 |
图(2)振动离心机构 |
||
|
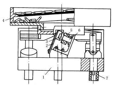
图(3)所示为弹性连杆式螺旋垂直振动输送机。工作构件4为一垂直安装的螺旋形槽体,螺旋槽的下方沿圆周方向安装着倾斜布置的主振弹簧3,弹簧的另一端固定于基础上,槽体4由水平偏心轴1及垂直安装的弹性连杆2驱动,由于在槽体与基础之间装有与主振弹簧相垂直的杆5,因而槽体作垂直与扭转、振动叠加的组合振动。 图(4)中,沿圆周装有4个电磁激振器,每个电磁激振器均呈倾斜安装。由电磁激振器产生的电磁激振力强迫漏斗4及底座1产生垂直振动和绕垂直轴的扭转振动。图中2为板簧、3为衔铁、5为线圈、6为铁芯、7为橡胶减振器。振动频率通常为3000次/min,双振幅为0.5~1.5mm。机器在近共振状态下工作。 |
|||
|
图(3)螺旋垂直振动输送机 |
图(4)漏斗型电磁振动喂料机 |
||
|
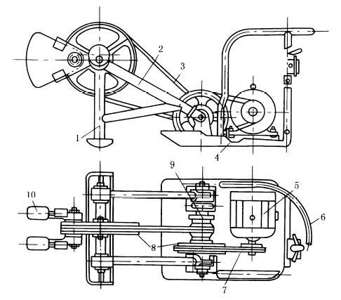
下图a为插入式振捣器,由带有增速齿轮的电动机7、增速器4、软轴3和偏心式振动棒1所组成。电动机7通过增速器4和软轴3,将动力传递给偏心轴2使振动棒1振动,用来振捣混凝土。在电动机轴5和增速器大齿轮之间有防逆转用的超越离合器6。 图b为外滚锥行星高频振捣器,采用了行星增速原理,滚动体沿着不同直径的滚道(滚道大小可以更换)作滚动运动,造成质量不平衡的离心作用,使外壳3获得高频振动,其振动频率为:
式中 n—— 滚动体驱动轴的转速,r/min; d—— 滚动体直径,mm; D—— 滚道直径,mm。 |
|||
|
插入式振捣器 |
|||
|
下图中,电动机5通过两级V带7、3使带有偏心块10的带轮回转。当偏心块10回转至某一角度时,夯头1被抬起,在离心力作用下,夯头被提升到一定高度,同时整台机器向前移动一定距离;当偏心块转到一定位置后,夯头开始下落,下落速度逐渐增大,并以较大的冲击力夯实土壤。 该机用于建筑工程中夯实灰土和素土地基以及完成场地的平整工作。 |
|||
|
惯性激振蛙式夯土机 1—夯头;2—夯架;3、7—V带;4—底盘; 5—电动机;6—把手;8—V带轮;9—传动轴架;10—偏心块 |
|||
|
下图a为电动机与激振器连在一起的振动锤。为了防止由于冲击引起电动机损坏,在图b中用弹簧5将电动机1与激振器2隔离。为了预防由于振动引起带的伸长与缩短,在电动机底座上增设一个中间带轮6,中间带轮轴与激振器轴在一个水平平面内。图中3为夹持器,4为冲击锤。 |
|||
|
振动锤 |
|||
|
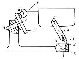
右图为简易振动机,用于实验室。它为一空间五杆机构,共包含有4个运动构件和一个固定构件以及4个转动副A、C、D、E和一个球面副B。在这种机器中,当主动杆1转动时,可以使杆2获得特殊的空间运动。如果将杆2制成一箱盒,并将试验用工件置于箱盒内,则当机构运动时,即能达到对其进行振动试验的目的。 |
空间五杆简易振动机 |
||









