|
有级变速机构 |
|
|
右图中,三轴平行,轴1、3和2、3的中心距相等,轴1、2上各有两个滑移齿轮za和zb,其参数完全相同,可分别与轴3上a、b两组固定的公用齿轮相啮合。轴3上a、b两组齿轮模数相同,齿数不同(一般齿差Δz<4),利用齿轮变位凑中心距可达到无侧隙啮合,以获得多种有级变速。设N为公用齿轮数,则变速级数K为 K=N(N-1)+1 此种机构用于机床上切削公制、英制螺纹时,很容易得到互为倒数的传动比关系。图a和图b所示的传动比分别为:
这种机构的结构简单紧凑,操作简便,多用于普通车床的进给箱中。 |
三轴滑移公用齿轮机构 |
|
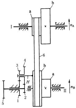
右图中,主动二联带轮a、b绕固定轴Ⅰ转动,从动二联带轮a、b绕固定轴Ⅱ转动,系杆H与二联带轮固联,齿轮1、2、3、4、H组成行星轮系,齿轮5为输出从动轮。主、从动带轮间用平带6传动,从动带轮转速nB和输出齿轮5转速n5之间的关系为:
式中 z1、z2、z3、z4—— 齿轮1、2、3、4的齿数。从动带轮转速nB有两级,由主动带轮转速nA求得: 当主动带轮上的a轮经带6传动从动带轮上的b轮时
当主动带轮上的b轮经带6传动从动带轮上的a轮时
式中 rb、ra分别为带轮b、a的半径。 |
带轮行星齿轮两级变速机构 |
|
下图中,花键轴Ⅰ上装有一个可滑动的直齿轮A,它可与轴Ⅱ上任一个等高齿锥齿轮B啮合,这些锥齿轮的齿数按等差级数变化。连接各锥齿轮的销子如图所示,必须使所有齿轮均有一个齿槽保持成一直线。每片齿轮上的一半齿相对另一半齿沿轴向错过一定距离,使直齿轮A能迅速和原来啮合的齿轮脱开,并滑向另一片锥齿轮。 这种机构能在运转中完成变速;变速级数多而齿轮数目较少,故结构简单、紧凑,刚性好。缺点是齿不沿全齿宽啮合,磨损不均匀。 设锥齿轮片数为m,输出轴转速分别为n1、n2、…、nm,公差数为a,则 nm=n1+(m-1)a 或 如轴Ⅱ主动,转速为nⅡ,则各锥齿轮齿数
式中 i=1、2、…、m。 如轴Ⅰ主动,转速为nⅠ,则各锥齿轮齿数
|
|
|
单齿轮滑移锥齿轮组多级变速机构 |
|
|
下图中,机构由电机Ⅰ、Ⅱ带动,由与行星架X相连的齿轮5输出,其中构件4以齿数z4与z3外啮合,以zB与zC内啮合,通过控制制动轮D、E,可使行星架得到四种速度:
双电机行星减速变速机构 |
|
|
① 电机Ⅱ被制动时,行星架的转速 |
|
|
式中
|
|
|
② 电机Ⅰ被制动时,行星架的转速 |
|
|
式中
|
|
|
③ 电机Ⅰ、Ⅱ皆运转,A、B轮以同方向旋转时,行星架的转速 |
|
|
|
|
|
④ 电机Ⅰ、Ⅱ皆运转,A、B轮以反方向旋转时,行星架的转速 |
|
|
|
|
|
这种机构广泛应用于小型连轧机、铸造吊车和氧气顶吹转炉的倾翻机构等。如果Ⅱ采用较小功率的直流电机,可实现以小功率控制大功率的无级变速。 |
|




