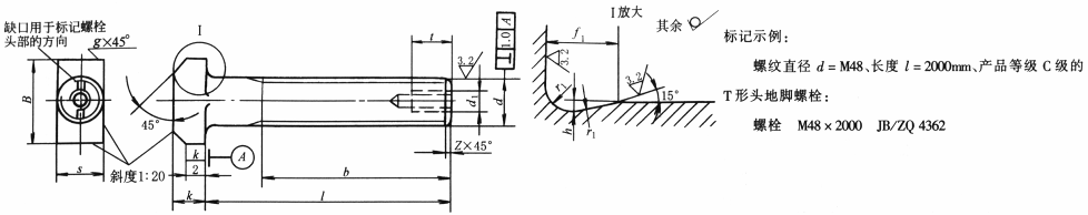
|
T形头地脚螺栓(JB/ZQ4362—1997) mm |
|||||||||||||||
|
|
|||||||||||||||
|
d |
M24 |
M30 |
M36 |
M42 |
M48 |
M56 |
M64 |
M72×6 |
M80×6 |
M90×6 |
M100×6 |
M110×6 |
M125×6 |
M140×6 |
M160×6 |
|
b |
100 |
120 |
160 |
180 |
210 |
250 |
280 |
300 |
326 |
360 |
400 |
440 |
500 |
560 |
620 |
|
d1 |
— |
M12 |
M16 |
M20 |
|||||||||||
|
k |
15 |
19 |
23 |
26 |
30 |
35 |
40 |
45 |
50 |
55 |
62 |
67 |
75 |
85 |
90 |
|
s |
24 |
30 |
36 |
42 |
48 |
56 |
64 |
72 |
80 |
90 |
100 |
110 |
125 |
140 |
160 |
|
B |
48 |
56 |
66 |
80 |
88 |
102 |
112 |
122 |
140 |
155 |
170 |
190 |
215 |
240 |
270 |
|
t |
— |
18 |
24 |
29 |
|||||||||||
|
g |
— |
— |
— |
8 |
|||||||||||
|
f1 |
2.5 |
4 |
5 |
7 |
|||||||||||
|
h |
0.2 |
0.3 |
0.4 |
0.5 |
|||||||||||
|
r1 |
1 |
1.6 |
2.5 |
4 |
|||||||||||
|
Z |
3 |
4 |
5 |
6 |
8 |
||||||||||
|
1000mm长重量≈/kg |
3.66 |
5.77 |
8.38 |
11.5 |
15.1 |
20.7 |
27.4 |
34.9 |
43.5 |
55.4 |
69.2 |
84.6 |
110.7 |
141 |
185.7 |
|
每增加100mm 长的重量≈/kg |
0.35 |
0.56 |
0.8 |
1.08 |
1.42 |
1.9 |
2.5 |
3.2 |
3.9 |
5.0 |
6.2 |
7.5 |
9.6 |
12.1 |
15.8 |
|
技术条件 |
村料:钢 |
螺纹公差:8g |
性能等级:5.6级 |
产品等级:C |
|
||||||||||
|
注:1.长度 l 按设计要求给出,以50mm为一级分档。 2.此螺栓与锚板JB/ZQ 4172—1997配套使用。 |
|||||||||||||||

