|
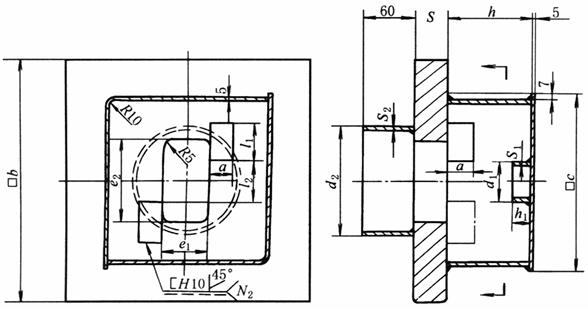
T形头地脚螺栓锚板(JB/ZQ 4172—1997) mm |
||||||||||||||
|
|
||||||||||||||
|
T 形头 地脚螺栓 |
S |
b |
e1 +2 0 |
e2 +2 0 |
α |
l1 |
l2 |
c |
h |
h1 |
支承管 d1×S1 |
锚板围管 d2×S2 |
每件重量 ≈/kg |
基础孔护管 外径×管厚 |
|
M24 |
20 |
180 |
28 |
58 |
20 |
40 |
28 |
130 |
45 |
15 |
f42×5 |
f89×4 |
7.2 |
f102×4 |
|
M30 |
25 |
210 |
35 |
68 |
34 |
140 |
55 |
22 |
f102×4 |
11.0 |
f114×4 |
|||
|
M38 |
30 |
240 |
42 |
80 |
40 |
160 |
70 |
32 |
f114×4 |
17.0 |
f127×5 |
|||
|
M42 |
270 |
48 |
94 |
30 |
60 |
46 |
180 |
85 |
35 |
f127×4 |
21.4 |
f140×4.5 |
||
|
M48 |
35 |
300 |
54 |
102 |
52 |
200 |
95 |
40 |
f140×4.5 |
29.5 |
f152×4.5 |
|||
|
M56 |
330 |
65 |
116 |
60 |
220 |
105 |
45 |
f83×5 |
f159×4.5 |
35.5 |
f180×5 |
|||
|
M64 |
40 |
370 |
74 |
126 |
68 |
240 |
125 |
60 |
f168×5 |
49.5 |
f180×5 |
|||
|
M72×6 |
410 |
82 |
136 |
40 |
80 |
76 |
280 |
140 |
60 |
f180×5 |
62.2 |
f194×5 |
||
|
M80×6 |
450 |
90 |
154 |
84 |
300 |
155 |
70 |
f203×6 |
74.2 |
f219×6 |
||||
|
M90×6 |
50 |
500 |
100 |
170 |
94 |
320 |
175 |
85 |
f219×6 |
108.7 |
f219×6 |
|||
|
M100×6 |
550 |
110 |
185 |
104 |
350 |
195 |
100 |
f105×5 |
f245×6.5 |
131.5 |
f245×6 |
|||
|
M110×6 |
60 |
600 |
120 |
205 |
50 |
100 |
114 |
380 |
215 |
105 |
f273×6.5 |
183.9 |
f299×7.5 |
|
|
M125×6 |
660 |
135 |
230 |
129 |
400 |
235 |
120 |
f146×5 |
f299×7.5 |
220.4 |
f325×7.5 |
|||
|
M140×6 |
80 |
750 |
155 |
255 |
60 |
120 |
144 |
460 |
265 |
130 |
f325×7.5 |
369.6 |
f351×8 |
|
|
M160×6 |
850 |
175 |
285 |
164 |
500 |
285 |
145 |
f377×9 |
468.3 |
f402×9 |
||||
|
注:1.本标准代替JB/ZQ 4368及JB/ZQ 4369。 2.锚板材质一般用 Q 235-A。 4.锚板围管及基础孔护管按GB/T 8162《结构用无缝钢管》选用。材质一般采用10或20号钢,也可用钢板弯制。 |
||||||||||||||

