|
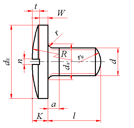
开槽球面大圆柱头螺钉(GB/T 947—1988) mm |
|||||||||||||||
|
|
|||||||||||||||
|
末端按GB2规定 |
|||||||||||||||
|
标记示例: 螺纹规格d=M5、公称长度l=20mm、性能等级为4.8级、不经表面处理的开槽球面大圆柱头螺钉的标记: 螺钉 GB 947 M5×20 |
|||||||||||||||
|
螺纹规格 d |
a max |
dk |
da max |
K |
n |
r min |
t min |
W min |
R ≈ |
re ≈ |
l的范围 |
||||
|
max |
min |
max |
min |
公称 |
min |
max |
|||||||||
|
M1.6 |
0.7 |
6 |
5.82 |
2.1 |
1.2 |
1.06 |
0.4 |
0.46 |
0.6 |
0.1 |
0.6 |
0.26 |
10 |
2.24 |
2~5 |
|
M2 |
0.8 |
7 |
6.78 |
2.6 |
1.4 |
1.26 |
0.5 |
0.56 |
0.7 |
0.1 |
0.7 |
0.36 |
12 |
2.8 |
2.5~6 |
|
M2.5 |
0.9 |
9 |
8.78 |
3.1 |
1.8 |
1.66 |
0.6 |
0.66 |
0.8 |
0.1 |
0.9 |
0.56 |
14 |
3.5 |
3~8 |
|
M3 |
1 |
11 |
10.73 |
3.6 |
2 |
1.86 |
0.8 |
0.86 |
1 |
0.1 |
1 |
0.66 |
16 |
4.2 |
4~10 |
|
M4 |
1.4 |
14 |
13.73 |
4.7 |
2.8 |
2.66 |
1.2 |
1.26 |
1.51 |
0.2 |
1.4 |
1.06 |
20 |
5.6 |
5~12 |
|
M5 |
1.6 |
17 |
16.73 |
5.7 |
3.5 |
3.32 |
1.2 |
1.26 |
1.51 |
0.2 |
1.7 |
1.22 |
25 |
7 |
6~14 |
|
M6 |
2 |
20 |
19.67 |
6.8 |
4 |
3.7 |
1.6 |
1.66 |
1.91 |
0.25 |
2 |
1.3 |
30 |
8.4 |
8~16 |
|
M8 |
2.5 |
25 |
24.67 |
9.2 |
5 |
4.7 |
2 |
2.66 |
2.31 |
0.4 |
2.5 |
1.5 |
36 |
11.2 |
10~20 |
|
M10 |
3 |
30 |
29.67 |
11.2 |
6 |
5.7 |
2.5 |
2.56 |
2.81 |
0.4 |
3 |
1.8 |
40 |
14 |
12~20 |
|
技术条件 |
材料 |
螺纹公差 |
机械性能等级 |
公差产品等级 |
表面处理 |
||||||||||
|
钢 |
6g |
4.8 |
A级 |
1.不经处理;2.镀锌钝化 |
|||||||||||
|
不锈钢 |
A1-50、C4-50 |
不经处理 |
|||||||||||||
|
公称长度l的商品规格系列: mm |
||||||||||||
|
公称 |
2 |
2.5 |
3 |
4 |
5 |
6 |
8 |
10 |
12 |
(14) |
16 |
20 |
|
min |
1.80 |
2.30 |
2.80 |
3.76 |
4.76 |
5.76 |
7.71 |
9.71 |
11.65 |
13.65 |
15.65 |
19.58 |
|
max |
2.20 |
2.70 |
3.20 |
4.24 |
5.24 |
6.24 |
8.29 |
10.29 |
12.35 |
14.35 |
16.35 |
20.42 |
|
注:尽可能不采用括号内的规格。 |
||||||||||||
|
质量 kg |
|||||||||
|
螺纹规格 |
M1.6 |
M2 |
M2.5 |
M3 |
M4 |
M5 |
M6 |
M8 |
M10 |
|
公称长度/mm |
每1000件钢制品的质量 ≈ |
||||||||
|
2 |
0.16 |
|
|
|
|
|
|
|
|
|
2.5 |
0.16 |
0.27 |
|
|
|
|
|
|
|
|
3 |
0.17 |
0.28 |
0.56 |
|
|
|
|
|
|
|
4 |
0.18 |
0.29 |
0.59 |
0.88 |
|
|
|
|
|
|
5 |
0.19 |
0.31 |
0.62 |
0.92 |
2.12 |
|
|
|
|
|
6 |
|
0.33 |
0.65 |
0.97 |
2.19 |
4.12 |
|
|
|
|
8 |
|
|
0.70 |
1.05 |
2.34 |
4.37 |
6.43 |
|
|
|
10 |
|
|
|
1.13 |
2.49 |
4.61 |
6.77 |
13.03 |
|
|
12 |
|
|
|
|
2.64 |
4.85 |
7.12 |
13.65 |
22.36 |
|
14 |
|
|
|
|
|
5.09 |
7.46 |
14.27 |
23.34 |
|
16 |
|
|
|
|
|
|
7.80 |
14.89 |
24.33 |
|
20 |
|
|
|
|
|
|
|
16.14 |
26.29 |

