|
内六角花形低圆柱头螺钉(GB/T 2671.1—2004) mm |
|||||||||||
|
|
|||||||||||
|
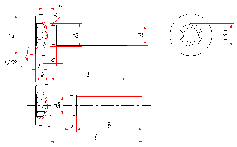
标记记示例: 螺纹规格d=M5、公称长度 l=20mm、性能等级为4.8级、不经表面处理的A级内六角花形低圆柱头螺钉的标记: 螺钉 GB/T 2671.1 M5×20 |
|||||||||||
|
螺纹规格d |
M2 |
M2.5 |
M3 |
(M3.5) |
M4 |
M5 |
M6 |
M8 |
M10 |
||
|
P |
0.4 |
0.45 |
0.5 |
0.6 |
0.7 |
0.8 |
1 |
1.25 |
1.5 |
||
|
a max |
0.8 |
0.9 |
1 |
1.2 |
1.4 |
1.6 |
2 |
2.5 |
3 |
||
|
b min |
25 |
25 |
25 |
38 |
38 |
38 |
38 |
38 |
38 |
||
|
dk |
公称=max |
3.80 |
4.50 |
5.50 |
6.00 |
7.00 |
8.50 |
10.00 |
13.00 |
16.00 |
|
|
min |
3.62 |
4.32 |
5.32 |
5.82 |
6.78 |
8.28 |
9.78 |
12.73 |
15.73 |
||
|
da max |
2.6 |
3.1 |
3.6 |
4.1 |
4.7 |
5.7 |
6.8 |
9.2 |
11.2 |
||
|
Kc |
公称=max |
1.55 |
1.85 |
2.40 |
2.60 |
3.10 |
3.65 |
4.40 |
5.80 |
6.90 |
|
|
min |
1.41 |
1.71 |
2.26 |
2.46 |
2.92 |
3.47 |
4.10 |
5.50 |
6.54 |
||
|
r max |
0.1 |
0.1 |
0.1 |
0.1 |
0.2 |
0.2 |
0.25 |
0.4 |
0.4 |
||
|
ω min |
0.5 |
0.7 |
0.75 |
1.0 |
1.1 |
1.3 |
1.6 |
2 |
2.4 |
||
|
x max |
1.0 |
1.1 |
1.25 |
1.50 |
1.75 |
2.0 |
2.5 |
3.2 |
3.8 |
||
|
内六角 花形 |
槽号No. |
6 |
8 |
10 |
15 |
20 |
25 |
30 |
45 |
50 |
|
|
A参考 |
1.75 |
2.4 |
2.8 |
3.35 |
3.95 |
4.5 |
5.6 |
7.95 |
8.95 |
||
|
t |
max |
0.84 |
0.91 |
1.27 |
1.33 |
1.66 |
1.91 |
2.29 |
3.05 |
3.43 |
|
|
min |
0.71 |
0.78 |
1.01 |
1.07 |
1.27 |
1.52 |
1.90 |
2.66 |
3.04 |
||
|
l 的商品规格范围 |
3~20 |
3~25 |
4~30 |
5~35 |
5~40 |
6~50 |
8~60 |
10~80 |
12~80 |
||
|
全螺纹的 l 范围 |
3~30 |
3~30 |
4~30 |
5~40 |
5~40 |
6~40 |
8~40 |
10~40 |
12~40 |
||
|
l 公称长度系列 |
3,4,5,6,8,10,12,(14),16,20,25,30,35,40,45,50,(55),60,(65),70,(75),80 |
||||||||||
|
技术条件和引用标准 |
||||
|
材 料 |
钢 |
不 锈 钢 |
||
|
通用技术条件 |
GB/T 16938 |
|||
|
螺纹 |
公 差 |
6 g |
||
|
标 准 |
GB/T 193、GB/T 9145 |
|||
|
机械 性能 |
等 级 |
4.8、5.8 |
A2-50、A2-70 A3-50、A3-70 |
CU2 CU3 |
|
标 准 |
GB/T 3098.1 |
GB/T 3098.6 |
GB/T 3098.10 |
|
|
公差 |
产品等级 |
A |
||
|
标 准 |
GB/T 3103.1 |
|||
|
内六角花形 |
GB/T 6188 |
|||
|
表面缺陷 |
GB/T 5779.1 |
— |
||
|
表面处理 |
不经表面处理; 电镀,技术要求按GB/T 5267.1;非电解锌片涂层,技术要求按GB/T 5267.2 |
简单处理 |
简单处理; 电镀,技术要求按GB/T 5267.1 |
|
|
如需其他表面处理,应由供需双方协议 |
||||
|
验收及包装 |
GB/T 90.1、GB/T 90.2 |
|||
|
质量 kg |
|||||||||
|
螺纹规格 |
M2 |
M2.5 |
M3 |
M3.5 |
M4 |
M5 |
M6 |
M8 |
M10 |
|
公称长度/mm |
每1000件钢制品的质量 ≈ |
||||||||
|
3 |
0.160 |
0.272 |
|
|
|
|
|
|
|
|
4 |
0.179 |
0.302 |
0.515 |
|
|
|
|
|
|
|
5 |
0.198 |
0.332 |
0.560 |
0.786 |
1.09 |
|
|
|
|
|
6 |
0.217 |
0.362 |
0.604 |
0.845 |
1.17 |
2.06 |
|
|
|
|
8 |
0.254 |
0.422 |
0.692 |
0.966 |
1.33 |
2.30 |
3.56 |
|
|
|
10 |
0.291 |
0.482 |
0.780 |
1.08 |
1.47 |
2.55 |
3.92 |
7.85 |
|
|
12 |
0.329 |
0.542 |
0.868 |
1.20 |
1.63 |
2.80 |
4.27 |
8.49 |
14.6 |
|
14 |
0.365 |
0.602 |
0.956 |
1.32 |
1.79 |
3.05 |
4.62 |
9.13 |
15.6 |
|
16 |
0.402 |
0.662 |
1.04 |
1.44 |
1.95 |
3.30 |
4.98 |
9.77 |
16.6 |
|
20 |
0.478 |
0.782 |
1.22 |
1.68 |
2.25 |
3.78 |
5.69 |
11.0 |
18.6 |
|
25 |
|
0.932 |
1.44 |
1.98 |
2.64 |
4.40 |
6.56 |
12.6 |
21.1 |
|
30 |
|
|
1.66 |
2.28 |
3.02 |
5.02 |
7.45 |
14.2 |
23.6 |
|
35 |
|
|
|
2.57 |
3.41 |
5.62 |
8.25 |
15.8 |
26.1 |
|
40 |
|
|
|
|
3.80 |
6.25 |
9.20 |
17.4 |
28.6 |
|
45 |
|
|
|
|
|
6.88 |
10.0 |
18.9 |
31.1 |
|
50 |
|
|
|
|
|
7.50 |
10.9 |
20.6 |
33.6 |
|
55 |
|
|
|
|
|
|
11.8 |
22.1 |
36.1 |
|
60 |
|
|
|
|
|
|
12.7 |
23.7 |
38.6 |
|
65 |
|
|
|
|
|
|
|
25.2 |
41.1 |
|
70 |
|
|
|
|
|
|
|
26.8 |
43.6 |
|
75 |
|
|
|
|
|
|
|
28.3 |
46.1 |
|
80 |
|
|
|
|
|
|
|
29.8 |
48.6 |

