1型非金属嵌件六角锁紧螺母 细牙(GB/T 889.2—2016) mm | ||||||||||
| ||||||||||
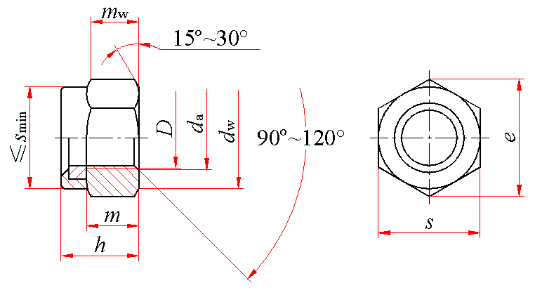
A级用于D≤16mm;B级用于D>16mm的螺母。 | ||||||||||
标记示例: 螺纹规格D=M12×1.5、细牙螺纹、性能等级为8级、表面镀锌钝化、产品等级为A级的1型非金属嵌件六角锁紧螺母的标记: 螺母 GB/T 889.2 M12×1.5 | ||||||||||
螺纹规格 D×P | da | dw min | e min | h | m min | mw min | s | |||
max | min | max | min | max | min | |||||
M8×1 | 8.75 | 8.00 | 11.63 | 14.38 | 9.50 | 8.92 | 6.44 | 5.15 | 13.00 | 12.73 |
M10×1 M10×1.25 | 10.8 | 10.0 | 14.63 | 17.77 | 11.9 | 11.2 | 8.04 | 6.43 | 16.00 | 15.73 |
M12×1.25 M12×1.5 | 13 | 12 | 16.63 | 20.03 | 14.9 | 14.2 | 10.37 | 8.3 | 18.00 | 17.73 |
(M14×1.5) | 15.1 | 14.0 | 19.64 | 23.36 | 17.0 | 15.9 | 12.1 | 9.68 | 21.00 | 20.67 |
M16×1.5 | 17.3 | 16.0 | 22.49 | 26.75 | 19.1 | 17.8 | 14.1 | 11.28 | 24.00 | 23.67 |
M20×1.5 | 21.6 | 20.0 | 27.7 | 32.95 | 22.8 | 20.7 | 16.9 | 13.52 | 30.00 | 29.16 |
M24×2 | 25.9 | 24.0 | 33.25 | 39.55 | 27.1 | 25.0 | 20.2 | 16.16 | 36 | 35 |
M30×2 | 32.4 | 30.0 | 42.75 | 50.85 | 32.6 | 30.1 | 24.3 | 19.44 | 46 | 45 |
M36×3 | 38.9 | 36.0 | 51.11 | 60.79 | 38.9 | 36.4 | 29.4 | 23.52 | 55.0 | 53.8 |
技术条件 | 材料 | 螺纹公差 | 机械性能等级 | 公差产品等级 | 表面处理 | |||||
螺母体 | 嵌件 | 6H | 6 | 1型 | D≤16mm:A;D>16mm:B | 不经处理 | ||||
钢 | 尼龙66 | 8 | 1型 | |||||||
10 | D≤16mm 1型 | |||||||||
注:尽可能不采用括号内的规格。 | ||||||||||
质量 kg | |||||||||
螺纹规格 | M8×1 | M10×1 M10×1.25 | M12×1.25 M12×1.5 | M14×1.5 | M16×1.5 | M20×1.5 | M24×2 | M30×2 | M36×3 |
每1000件钢制品的质量≈ | 5.54 | 10.35 | 15.88 | 24.61 | 36.42 | 63.01 | 110.0 | 223.0 | 388.8 |

