1型非金属嵌件六角锁紧螺母(GB/T 889.1—2015) mm | |||||||||||
| |||||||||||
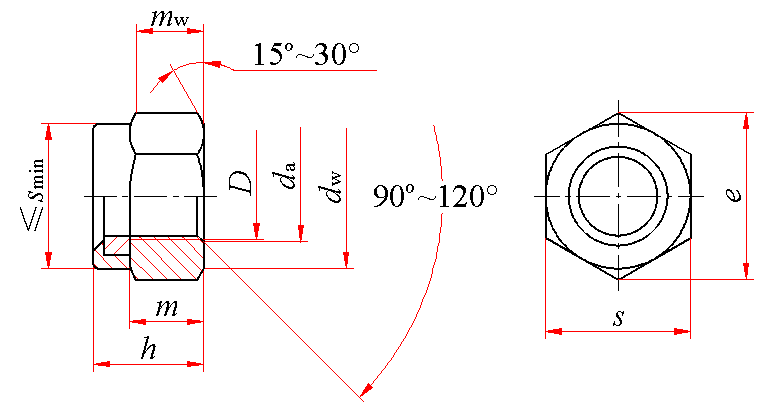
A级用于D≤16mm;B级用于D>16mm的螺母。 | |||||||||||
标记示例: 螺纹规格D=M12、性能等级为8级、表面镀锌钝化、产品等级为A级的1型非金属嵌件六角锁紧螺母的标记: 螺母 GB/T 889.1 M12 | |||||||||||
螺纹规格 D | 螺距 P | da | dw min | e min | h | m min | mw min | s | |||
max | min | max | min | max | min | ||||||
M3 | 0.5 | 3.45 | 3.00 | 4.57 | 6.01 | 4.5 | 4.02 | 2.15 | 1.72 | 5.50 | 5.32 |
M4 | 0.7 | 4.6 | 4.0 | 5.88 | 7.66 | 6.00 | 5.52 | 2.9 | 2.32 | 7.00 | 6.78 |
M5 | 0.8 | 5.75 | 5.00 | 6.88 | 8.79 | 6.80 | 6.22 | 4.4 | 3.52 | 8.00 | 7.78 |
M6 | 1 | 6.75 | 6.00 | 8.88 | 11.05 | 8.00 | 7.42 | 4.9 | 3.92 | 10.00 | 9.78 |
M8 | 1.25 | 8.75 | 8.00 | 11.63 | 14.38 | 9.50 | 8.92 | 6.44 | 5.15 | 13.00 | 12.73 |
M10 | 1.5 | 10.8 | 10.0 | 14.63 | 17.77 | 11.9 | 11.2 | 8.04 | 6.43 | 16.00 | 15.73 |
M12 | 1.75 | 13 | 12 | 16.63 | 20.03 | 14.9 | 14.2 | 10.37 | 8.3 | 18.00 | 17.73 |
(M14) | 2 | 15.1 | 14.0 | 19.64 | 23.36 | 17.0 | 15.9 | 12.1 | 9.68 | 21.00 | 20.67 |
M16 | 2 | 17.3 | 16.0 | 22.49 | 26.75 | 19.1 | 17.8 | 14.1 | 11.28 | 24.00 | 23.67 |
M20 | 2.5 | 21.6 | 20.0 | 27.7 | 32.95 | 22.8 | 20.7 | 16.9 | 13.52 | 30.00 | 29.16 |
M24 | 3 | 25.9 | 24.0 | 33.25 | 39.55 | 27.1 | 25.0 | 20.2 | 16.16 | 36 | 35 |
M30 | 3.5 | 32.4 | 30.0 | 42.75 | 50.85 | 32.6 | 30.1 | 24.3 | 19.44 | 46 | 45 |
M36 | 4 | 38.9 | 36.0 | 51.11 | 60.79 | 38.9 | 36.4 | 29.4 | 23.52 | 55.0 | 53.8 |
技术条件 | 材料 | 螺纹公差 | 机械性能等级 | 公差产品等级 | 表面处理 | ||||||
螺母体 | 嵌件 | 6H | 5、8、10 | D≤16mm:A;D>16mm:B | 不经处理 | ||||||
钢 | 尼龙66 | ||||||||||
注:尽可能不采用括号内的规格。 | |||||||||||
质量 kg | |||||||||||||
螺纹规格 | M3 | M4 | M5 | M6 | M8 | M10 | M12 | M14 | M16 | M20 | M24 | M30 | M36 |
每1000件钢制品的质量≈ | 0.42 | 0.91 | 1.43 | 2.72 | 5.63 | 10.64 | 16.34 | 25.24 | 37.26 | 65.66 | 113.6 | 231.3 | 396.7 |

