|
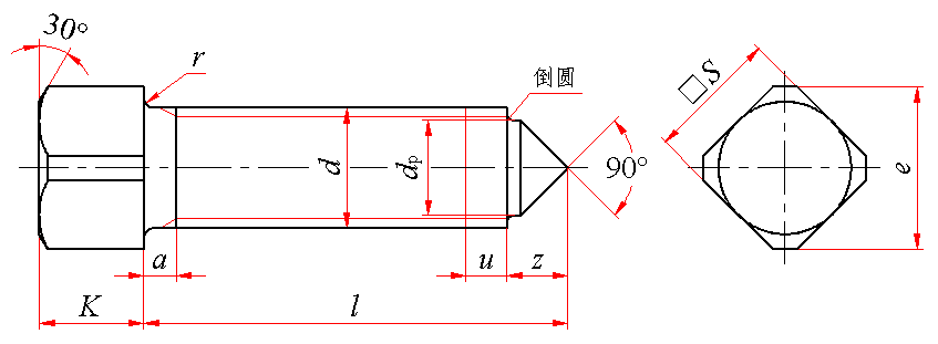
方头短圆柱锥端紧定螺钉(GB/T 86—1988) mm |
|||||||||||||
|
|
|||||||||||||
|
a≤4P;u(不完整螺纹的长度)≤2P;P—螺距 |
|||||||||||||
|
标记示例: 螺纹规格d=M10、公称长度l=30mm、性能等级为33H、表面氧化的方头短圆柱锥端紧定螺钉的标记: 螺钉 GB/T 86 M10×30 |
|||||||||||||
|
螺纹规格 d |
dp |
e |
K |
r |
z |
S |
l的范围 |
||||||
|
max |
min |
min |
公称 |
min |
max |
min |
max |
min |
公称 |
min |
max |
||
|
M5 |
3.5 |
3.2 |
6 |
5 |
4.85 |
5.15 |
0.2 |
3.8 |
3.5 |
5 |
4.82 |
5 |
12~30 |
|
M6 |
4 |
3.7 |
7.3 |
6 |
5.85 |
6.15 |
0.25 |
4.3 |
4 |
6 |
5.82 |
6 |
12~30 |
|
M8 |
5.5 |
5.2 |
9.7 |
7 |
6.82 |
7.18 |
0.4 |
5.3 |
5 |
8 |
7.78 |
8 |
14~40 |
|
M10 |
7.0 |
6.64 |
12.2 |
8 |
7.82 |
8.18 |
0.4 |
6.3 |
6 |
10 |
9.78 |
10 |
20~50 |
|
M12 |
8.5 |
8.14 |
14.7 |
10 |
9.82 |
10.18 |
0.6 |
7.36 |
7 |
12 |
11.73 |
12 |
25~60 |
|
M16 |
12 |
11.57 |
20.9 |
14 |
13.785 |
14.215 |
0.6 |
9.36 |
9 |
17 |
16.73 |
17 |
25~80 |
|
M20 |
15 |
14.57 |
27.1 |
18 |
17.785 |
18.215 |
0.8 |
11.43 |
11 |
22 |
21.67 |
22 |
40~100 |
|
技术条件 |
材料 |
螺纹公差 |
机械性能等级 |
产品公差等级 |
表面处理 |
||||||||
|
钢 |
45H级为5g6g;33H级为6g |
33H、45H |
A级 |
1.氧化;2.镀锌钝化 |
|||||||||
|
不锈钢 |
6g |
A1-50、C4-50 |
不经处理 |
||||||||||
|
公称长度l的商品规格系列: mm |
||||||||||||||||
|
公称 |
12 |
(14) |
16 |
20 |
25 |
30 |
35 |
40 |
45 |
50 |
(55) |
60 |
70 |
80 |
90 |
100 |
|
min |
11.65 |
13.65 |
15.65 |
19.58 |
24.58 |
29.58 |
34.50 |
39.50 |
44.50 |
49.50 |
54.05 |
59.05 |
69.05 |
79.05 |
88.90 |
98.90 |
|
max |
12.35 |
14.35 |
16.35 |
20.42 |
25.42 |
30.42 |
35.50 |
40.50 |
45.50 |
50.50 |
55.95 |
60.95 |
70.95 |
80.95 |
91.10 |
101.10 |
|
注:尽可能不采用括号内的规格。 |
||||||||||||||||
|
质量 kg |
|||||||
|
螺纹规格 |
M5 |
M6 |
M8 |
M10 |
M12 |
M16 |
M20 |
|
公称长度/mm |
每1000件钢制品的质量 ≈ |
||||||
|
12 |
1.88 |
2.85 |
|
|
|
|
|
|
14 |
2.12 |
3.19 |
5.91 |
|
|
|
|
|
16 |
2.36 |
3.54 |
6.53 |
|
|
|
|
|
20 |
2.84 |
4.22 |
7.77 |
12.54 |
|
|
|
|
25 |
3.44 |
5.08 |
9.33 |
15.00 |
22.99 |
49.00 |
|
|
30 |
4.04 |
5.94 |
10.88 |
17.45 |
26.55 |
55.55 |
|
|
35 |
|
|
12.44 |
19.91 |
30.12 |
62.09 |
|
|
40 |
|
|
13.99 |
22.37 |
33.68 |
68.63 |
118.9 |
|
45 |
|
|
|
24.82 |
37.24 |
75.17 |
129.2 |
|
50 |
|
|
|
27.28 |
40.80 |
81.72 |
139.4 |
|
55 |
|
|
|
|
44.36 |
88.26 |
149.7 |
|
60 |
|
|
|
|
47.93 |
94.80 |
159.9 |
|
70 |
|
|
|
|
|
107.9 |
180.4 |
|
80 |
|
|
|
|
|
121.0 |
200.8 |
|
90 |
|
|
|
|
|
|
221.3 |
|
100 |
|
|
|
|
|
|
241.8 |

