|
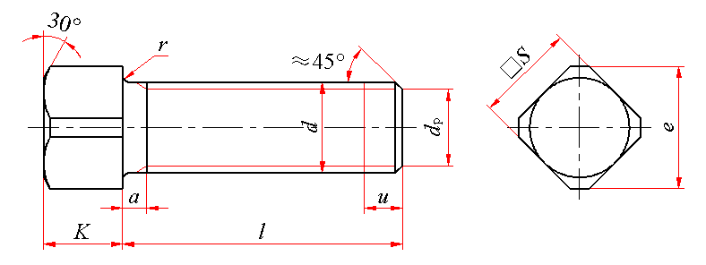
方头平端紧定螺钉(GB/T 821—1988) mm |
|||||||||||
|
a≤4P;u(不完整螺纹的长度)≤2P;P—螺距 |
|||||||||||
|
标记示例: 螺纹规格d=M10、公称长度l=30mm、性能等级为33H、表面氧化的方头平端紧定螺钉的标记: 螺钉 GB/T 821 M10×30 |
|||||||||||
|
螺纹规格 d |
dp |
e |
K |
r |
S |
l的范围 |
|||||
|
max |
min |
min |
公称 |
min |
max |
min |
公称 |
min |
max |
||
|
M5 |
3.5 |
3.2 |
6 |
5 |
4.85 |
5.15 |
0.2 |
5 |
4.82 |
5 |
8~30 |
|
M6 |
4 |
3.7 |
7.3 |
6 |
5.85 |
6.15 |
0.25 |
6 |
5.82 |
6 |
8~30 |
|
M8 |
5.5 |
5.2 |
9.7 |
7 |
6.82 |
7.18 |
0.4 |
8 |
7.78 |
8 |
10~40 |
|
M10 |
7 |
6.64 |
12.2 |
8 |
7.82 |
8.18 |
0.4 |
10 |
9.78 |
10 |
12~50 |
|
M12 |
8.5 |
8.14 |
14.7 |
10 |
9.82 |
10.18 |
0.6 |
12 |
11.73 |
12 |
14~60 |
|
M16 |
12 |
11.57 |
20.9 |
14 |
13.785 |
14.215 |
0.6 |
17 |
16.73 |
17 |
20~80 |
|
M20 |
15 |
14.57 |
27.1 |
18 |
17.785 |
18.215 |
0.8 |
22 |
21.67 |
22 |
40~100 |
|
技术条件 |
材料 |
螺纹公差 |
机械性能等级 |
产品公差等级 |
表面处理 |
||||||
|
钢 |
45H级为5g6g;33H级为6g |
33H、45H |
A |
1.氧化;2.镀锌钝化 |
|||||||
|
不锈钢 |
6g |
A 1-50、C 4-50 |
不经处理 |
||||||||
|
公称长度l的通用规格系列: mm |
||||||||||||||||||
|
公称 |
8 |
10 |
12 |
(14) |
16 |
20 |
25 |
30 |
35 |
40 |
45 |
50 |
(55) |
60 |
70 |
80 |
90 |
100 |
|
min |
7.71 |
9.71 |
11.65 |
13.65 |
15.65 |
19.58 |
24.58 |
29.58 |
34.50 |
39.50 |
44.50 |
49.50 |
54.05 |
59.05 |
69.05 |
79.05 |
88.90 |
98.90 |
|
max |
8.29 |
10.29 |
12.35 |
14.35 |
16.35 |
20.42 |
25.42 |
30.42 |
35.50 |
40.50 |
45.50 |
50.50 |
55.95 |
60.95 |
70.95 |
80.95 |
91.10 |
101.10 |
|
注:尽可能的不采用括号内的规格。 |
||||||||||||||||||
|
质量 kg |
|||||||
|
螺纹规格 |
M5 |
M6 |
M8 |
M10 |
M12 |
M16 |
M20 |
|
公称长度/mm |
每1000件钢制品的质量 ≈ |
||||||
|
8 |
1.66 |
2.62 |
|
|
|
|
|
|
10 |
1.90 |
2.96 |
5.68 |
|
|
|
|
|
12 |
2.14 |
3.30 |
6.30 |
10.54 |
|
|
|
|
14 |
2.38 |
3.65 |
6.92 |
11.52 |
18.40 |
|
|
|
16 |
2.62 |
3.99 |
7.54 |
12.50 |
19.83 |
|
|
|
20 |
3.10 |
4.68 |
8.79 |
14.47 |
22.68 |
50.02 |
|
|
25 |
3.70 |
5.53 |
10.34 |
16.92 |
26.24 |
56.56 |
|
|
30 |
4.31 |
6.39 |
11.90 |
19.38 |
29.80 |
63.11 |
|
|
35 |
|
|
13.45 |
21.83 |
33.36 |
69.65 |
|
|
40 |
|
|
15.01 |
24.29 |
36.92 |
76.19 |
133.5 |
|
45 |
|
|
|
26.75 |
40.49 |
82.73 |
143.7 |
|
50 |
|
|
|
29.20 |
44.05 |
89.28 |
153.9 |
|
55 |
|
|
|
|
47.61 |
95.82 |
164.2 |
|
60 |
|
|
|
|
51.17 |
102.4 |
174.4 |
|
70 |
|
|
|
|
|
115.5 |
194.9 |
|
80 |
|
|
|
|
|
128.5 |
215.4 |
|
90 |
|
|
|
|
|
|
235.9 |
|
100 |
|
|
|
|
|
|
256.3 |

