|
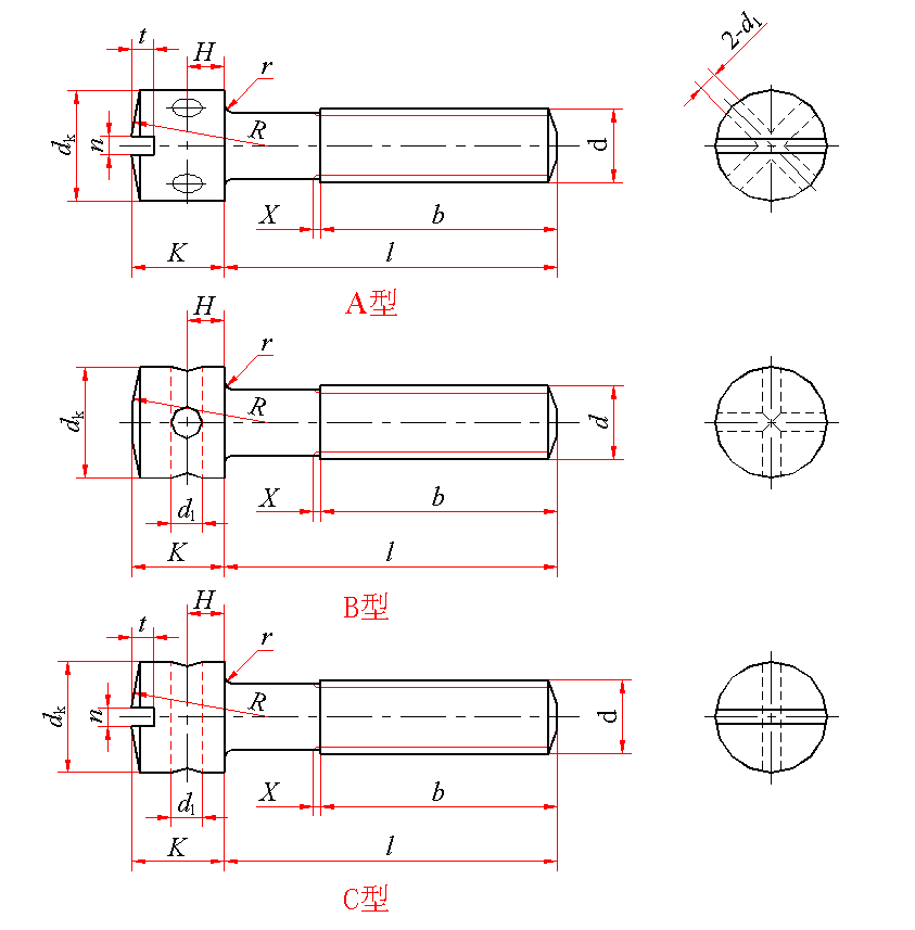
开槽带孔球面圆柱头螺钉(GB/T 832—1988) mm |
||||||||||||||||||
|
|
||||||||||||||||||
|
无螺纹部分杆径约等于螺纹中径或螺纹大径; 末端按GB 2规定; X≤2.5P; P—螺距。 |
||||||||||||||||||
|
标记示例: 螺纹规格d=M5、公称长度l=20mm、性能等级为4.8级、不经表面处理、按A型制造的开槽带孔球面圆柱头螺钉的标记: 螺钉 GB 832 M5×20 按B或C型制造时应加标记B或C: 螺钉 GB 832 BM5×20 |
||||||||||||||||||
|
螺纹规格 d |
dk |
K |
n |
t min |
d1 |
H |
r min |
R≈ |
b |
l的范围 |
全螺纹长度l |
|||||||
|
max |
min |
max |
min |
公称 |
min |
max |
max |
min |
公称 |
min |
max |
|||||||
|
M1.6 |
3 |
2.7 |
2.6 |
2.35 |
0.4 |
0.46 |
0.6 |
0.6 |
1.12 |
1.0 |
0.9 |
0.77 |
1.03 |
0.1 |
5 |
15 |
2.5~16 |
2.5~50 |
|
M2 |
3.5 |
3.2 |
3 |
2.75 |
0.5 |
0.56 |
0.7 |
0.7 |
1.12 |
1.0 |
1.0 |
0.87 |
1.13 |
0.1 |
6 |
16 |
2.5~20 |
2.5~50 |
|
M2.5 |
4.2 |
3.9 |
3.6 |
3.3 |
0.6 |
0.66 |
0.8 |
0.9 |
1.32 |
1.2 |
1.2 |
1.07 |
1.37 |
0.1 |
8 |
17 |
3~25 |
3~50 |
|
M3 |
5 |
4.7 |
4 |
3.5 |
0.8 |
0.86 |
1 |
1.0 |
1.62 |
1.5 |
1.5 |
1.37 |
1.63 |
0.1 |
8 |
18 |
4~30 |
4~50 |
|
M4 |
7 |
6.64 |
5 |
4.7 |
1.0 |
1.06 |
1.2 |
1.4 |
2.12 |
2.0 |
2.0 |
1.87 |
2.13 |
0.2 |
10 |
20 |
6~40 |
6~50 |
|
M5 |
8.5 |
8.14 |
6.5 |
6.14 |
1.2 |
1.26 |
1.51 |
1.7 |
2.12 |
2.0 |
2.5 |
2.37 |
2.63 |
0.2 |
15 |
22 |
8~50 |
8~50 |
|
M6 |
10 |
9.64 |
8 |
7.64 |
1.5 |
1.56 |
1.81 |
2.0 |
3.12 |
3.0 |
3.0 |
2.87 |
3.13 |
0.25 |
15 |
24 |
10~60 |
10~50 |
|
M8 |
12.5 |
12.07 |
10 |
9.64 |
2.0 |
2.06 |
2.31 |
2.5 |
3.12 |
3.0 |
4.0 |
3.85 |
4.15 |
0.4 |
20 |
28 |
12~60 |
12~50 |
|
M10 |
15 |
14.57 |
12.5 |
12.07 |
2.5 |
2.56 |
2.81 |
3.0 |
4.16 |
4.0 |
5.0 |
4.85 |
5.15 |
0.4 |
25 |
32 |
20~60 |
20~50 |
|
技术条件 |
材料 |
螺纹公差 |
机械性能等级 |
公差产品等级 |
表面处理 |
|||||||||||||
|
钢 |
6g |
4.8 |
dK及K按B,其余按A级 |
1.不经处理;2.镀锌钝化 |
||||||||||||||
|
不锈钢 |
A1-50、C4-50 |
不经处理 |
||||||||||||||||
|
公称长度l的商品规格系列: mm |
|||||||||||||||||||
|
公称 |
2.5 |
3 |
4 |
5 |
6 |
8 |
10 |
12 |
(14) |
16 |
20 |
25 |
30 |
35 |
40 |
45 |
50 |
(55) |
60 |
|
min |
2.30 |
2.80 |
3.76 |
4.76 |
5.76 |
7.71 |
9.71 |
11.65 |
13.65 |
15.65 |
19.58 |
24.58 |
29.58 |
34.50 |
39.50 |
44.50 |
49.50 |
54.05 |
59.05 |
|
max |
2.70 |
3.20 |
4.24 |
5.24 |
6.24 |
8.29 |
10.29 |
12.35 |
14.35 |
16.35 |
20.42 |
25.42 |
30.42 |
35.50 |
40.50 |
45.50 |
50.50 |
55.95 |
60.95 |
|
注:尽可能不采用括号内的规格。 |
|||||||||||||||||||
|
质量 kg |
|||||||||
|
螺纹规格 |
M1.6 |
M2 |
M2.5 |
M3 |
M4 |
M5 |
M6 |
M8 |
M10 |
|
公称长度/mm |
每1000件钢制品的质量 ≈ |
||||||||
|
2.5 |
0.09 |
0.16 |
|
|
|
|
|
|
|
|
3 |
0.10 |
0.17 |
0.30 |
|
|
|
|
|
|
|
4 |
0.11 |
0.19 |
0.33 |
0.47 |
|
|
|
|
|
|
5 |
0.12 |
0.21 |
0.36 |
0.51 |
|
|
|
|
|
|
6 |
0.13 |
0.23 |
0.39 |
0.55 |
1.24 |
|
|
|
|
|
8 |
0.15 |
0.26 |
0.44 |
0.64 |
1.39 |
2.79 |
|
|
|
|
10 |
0.18 |
0.30 |
0.50 |
0.72 |
1.54 |
3.03 |
4.57 |
|
|
|
12 |
0.20 |
0.33 |
0.56 |
0.81 |
1.69 |
3.27 |
4.91 |
10.02 |
|
|
14 |
0.22 |
0.37 |
0.62 |
0.89 |
1.84 |
3.51 |
5.26 |
10.64 |
|
|
16 |
0.24 |
0.40 |
0.67 |
0.98 |
1.99 |
3.75 |
5.60 |
11.26 |
|
|
20 |
|
0.47 |
0.79 |
1.15 |
2.29 |
4.23 |
6.28 |
12.50 |
21.04 |
|
25 |
|
|
0.93 |
1.36 |
2.67 |
4.83 |
7.14 |
14.06 |
23.50 |
|
30 |
|
|
|
1.57 |
3.04 |
5.43 |
8.00 |
15.61 |
25.95 |
|
35 |
|
|
|
|
3.42 |
6.03 |
8.86 |
17.17 |
28.41 |
|
40 |
|
|
|
|
3.79 |
6.63 |
9.71 |
18.72 |
30.87 |
|
45 |
|
|
|
|
|
7.23 |
10.57 |
20.28 |
33.32 |
|
50 |
|
|
|
|
|
7.83 |
11.43 |
21.83 |
35.78 |
|
55 |
|
|
|
|
|
|
12.28 |
23.39 |
38.23 |
|
60 |
|
|
|
|
|
|
13.14 |
24.94 |
40.69 |

