|
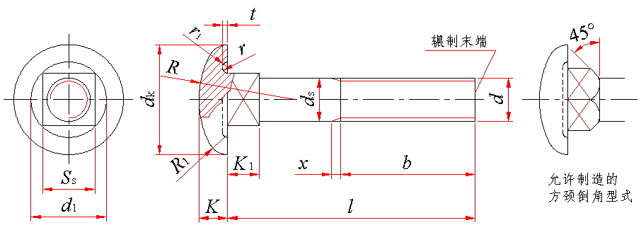
加强半圆头方颈螺栓(GB/T 794—1993) mm |
|||||||||||
|
A型
|
|||||||||||
|
B型
B型螺栓的ds约等于螺纹中径或螺纹大径 |
|||||||||||
|
标记示例: 螺纹规格d=M12、公称长度l=70mm、性能等级为8.8级、不经表面氧化处理的A型加强半圆头方颈螺栓的标记: 螺栓 GB/T 794 M12×70 |
|||||||||||
|
螺纹规格 d |
b |
dk |
ds(只适用于A型) |
d1 |
K |
K1 |
|||||
|
l≤125 |
125<l≤200 |
max |
min |
max |
min |
max |
min |
max |
min |
||
|
M6 |
18 |
— |
15.10 |
13.30 |
6.00 |
5.70 |
10.0 |
3.98 |
3.20 |
4.40 |
3.60 |
|
M8 |
22 |
28 |
19.10 |
17.30 |
8.00 |
7.64 |
13.5 |
4.98 |
4.10 |
5.40 |
4.60 |
|
M10 |
26 |
32 |
24.30 |
22.16 |
10.00 |
9.64 |
16.5 |
6.28 |
5.40 |
6.40 |
5.60 |
|
M12 |
30 |
36 |
29.30 |
27.16 |
12.00 |
11.57 |
20.0 |
7.48 |
6.60 |
8.45 |
7.55 |
|
(M14) |
34 |
40 |
33.60 |
31.16 |
14.00 |
13.57 |
23.0 |
8.90 |
7.55 |
9.45 |
8.55 |
|
M16 |
38 |
44 |
36.60 |
34.00 |
16.00 |
15.57 |
26.0 |
9.90 |
8.55 |
10.45 |
9.55 |
|
M20 |
46 |
52 |
45.60 |
43.00 |
20.00 |
19.48 |
32.0 |
11.90 |
10.55 |
12.55 |
11.45 |
|
螺纹规格 d |
R |
R1 |
r min |
r1 ≈ |
Ss |
t |
x max |
l的范围 |
|||
|
max |
min |
||||||||||
|
M6 |
14.0 |
4.5 |
0.25 |
0.3 |
6.30 |
5.84 |
0.3 |
2.5 |
20~60 |
||
|
M8 |
18.0 |
5.0 |
0.4 |
0.3 |
8.36 |
7.80 |
0.3 |
3.2 |
25~80 |
||
|
M10 |
24.0 |
7.0 |
0.4 |
0.3 |
10.36 |
9.80 |
0.3 |
3.8 |
40~100 |
||
|
M12 |
26.0 |
9.0 |
0.6 |
0.5 |
12.43 |
11.76 |
0.5 |
4.2 |
45~120 |
||
|
(M14) |
30.0 |
10.0 |
0.6 |
0.5 |
14.43 |
13.76 |
0.5 |
5.0 |
50~140 |
||
|
M16 |
34.0 |
10.5 |
0.6 |
0.5 |
16.43 |
15.76 |
0.5 |
5.0 |
55~160 |
||
|
M20 |
40.0 |
14.0 |
0.8 |
0.5 |
20.52 |
19.72 |
0.5 |
6.3 |
65~200 |
||
|
技术条件 |
A型 |
材料 |
螺纹公差 |
机械性能等级 |
产品等级 |
表面处理 |
|||||
|
钢 |
6g |
8.8 |
B级 |
氧化 |
|||||||
|
B型 |
材料 |
螺纹公差 |
机械性能等级 |
产品等级 |
表面处理 |
||||||
|
钢 |
8g |
3.6、4.8 |
C级 |
1.不经处理;2.氧化 |
|||||||
|
公称长度l的商品规格系列: mm |
||||||||||||||
|
公称 |
20 |
25 |
30 |
35 |
40 |
45 |
50 |
(55) |
60 |
(65) |
70 |
(75) |
80 |
|
|
A型 |
min |
18.95 |
23.95 |
28.95 |
33.75 |
38.75 |
43.75 |
48.75 |
53.50 |
58.50 |
63.50 |
68.50 |
73.50 |
78.50 |
|
max |
21.05 |
26.05 |
31.05 |
36.25 |
41.25 |
46.25 |
51.25 |
56.50 |
61.50 |
66.50 |
71.50 |
76.50 |
81.50 |
|
|
B型 |
min |
18.95 |
23.95 |
28.95 |
33.75 |
38.75 |
43.75 |
48.75 |
53.50 |
58.50 |
63.50 |
68.50 |
73.50 |
78.50 |
|
max |
21.05 |
26.05 |
31.05 |
36.25 |
41.25 |
46.25 |
51.25 |
56.50 |
61.50 |
66.50 |
71.50 |
76.50 |
81.50 |
|
|
公称 |
(85) |
90 |
(95) |
100 |
110 |
120 |
130 |
140 |
150 |
160 |
(170) |
180 |
200 |
|
|
A型 |
min |
83.25 |
88.25 |
93.25 |
98.25 |
108.25 |
110.25 |
128.00 |
138.00 |
148.00 |
158.00 |
168.00 |
178.00 |
197.70 |
|
max |
86.75 |
91.75 |
96.75 |
101.75 |
111.75 |
121.75 |
132.00 |
142.00 |
152.00 |
162.00 |
172.00 |
182.00 |
202.30 |
|
|
B型 |
min |
83.25 |
88.25 |
93.25 |
98.25 |
108.25 |
118.25 |
120.00 |
138.00 |
148.00 |
156.00 |
166.00 |
176.00 |
195.40 |
|
max |
86.75 |
91.75 |
96.75 |
101.75 |
111.75 |
121.75 |
132.00 |
142.00 |
152.00 |
164.00 |
174.00 |
184.00 |
204.60 |
|
|
注:1. 尽可能不采用括号内的规格。 2. 长度l不能满足表中规定螺纹长度的螺栓,制成全螺纹。 3. A型允许制成无螺纹部分杆径(ds)约等于螺纹中径的型式。 4. 螺纹末端按GB/T 2的规定。 |
||||||||||||||
|
质量 kg |
|||||||
|
螺纹规格 |
M6 |
M8 |
M10 |
M12 |
M14 |
M16 |
M20 |
|
公称长度/mm |
每1000件钢制品的质量 ≈ |
||||||
|
20 |
6.95 |
|
|
|
|
|
|
|
25 |
7.82 |
15.28 |
|
|
|
|
|
|
30 |
8.68 |
16.85 |
|
|
|
|
|
|
35 |
9.54 |
18.41 |
|
|
|
|
|
|
40 |
10.41 |
19.98 |
36.91 |
|
|
|
|
|
45 |
11.27 |
21.54 |
39.38 |
59.93 |
|
|
|
|
50 |
12.13 |
23.11 |
41.86 |
63.51 |
91.12 |
|
|
|
55 |
12.99 |
24.67 |
44.33 |
67.10 |
96.03 |
133.5 |
|
|
60 |
13.86 |
26.24 |
46.80 |
70.68 |
100.9 |
140.1 |
|
|
65 |
|
27.80 |
49.27 |
74.27 |
105.8 |
146.7 |
243.8 |
|
70 |
|
29.37 |
51.74 |
77.85 |
110.7 |
153.3 |
254.1 |
|
75 |
|
30.93 |
54.21 |
81.44 |
115.7 |
159.9 |
264.4 |
|
80 |
|
32.50 |
56.69 |
85.02 |
120.6 |
166.4 |
274.7 |
|
85 |
|
|
59.16 |
88.61 |
125.5 |
173.0 |
285.0 |
|
90 |
|
|
61.63 |
92.19 |
130.4 |
179.6 |
295.3 |
|
95 |
|
|
64.10 |
95.78 |
135.3 |
186.2 |
305.7 |
|
100 |
|
|
66.57 |
99.36 |
140.2 |
192.8 |
316.0 |
|
110 |
|
|
|
106.5 |
150.0 |
206.0 |
336.6 |
|
120 |
|
|
|
113.7 |
159.8 |
219.1 |
357.2 |
|
130 |
|
|
|
|
169.6 |
232.3 |
377.8 |
|
140 |
|
|
|
|
179.4 |
245.5 |
398.4 |
|
150 |
|
|
|
|
|
258.6 |
419.0 |
|
160 |
|
|
|
|
|
271.8 |
439.6 |
|
170 |
|
|
|
|
|
|
460.2 |
|
180 |
|
|
|
|
|
|
480.8 |
|
200 |
|
|
|
|
|
|
522.0 |



