大半圆头带榫螺栓(GB/T 15—2013) mm | ||||||||||||
| ||||||||||||
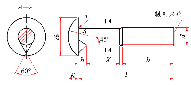
螺纹末端按GB/T 2规定;无螺纹部分杆径约等于螺纹中径或螺纹大径 | ||||||||||||
标记示例: 螺纹规格d=M12、公称长度l=80mm、性能等级为4.8级、不经表面处理的大半圆头带榫螺栓的标记: 螺栓 GB/T 15 M12×80 | ||||||||||||
螺纹规格 d | b | dk | h | K | r min | R | X max | l的范围 | ||||
l≤125 | 125<l≤200 | max | min | max | min | max | min | |||||
M6 | 18 | — | 15.1 | 13.3 | 3.5 | 2.9 | 3.48 | 2.7 | 0.5 | 11 | 2.5 | 20~60 |
M8 | 22 | 28 | 19.1 | 17.3 | 4.3 | 3.5 | 4.48 | 3.6 | 0.5 | 14 | 3.2 | 20~80 |
M10 | 26 | 32 | 24.3 | 22.16 | 5.5 | 4.5 | 5.48 | 4.6 | 0.5 | 18 | 3.8 | 30~100 |
M12 | 30 | 36 | 29.3 | 27.16 | 6.7 | 5.5 | 6.48 | 5.6 | 0.8 | 22 | 4.3 | 35~120 |
(M14) | 34 | 40 | 33.6 | 31 | 7.7 | 6.3 | 7.9 | 6.55 | 0.8 | 22 | 5 | 35~140 |
M16 | 38 | 44 | 36.6 | 34 | 8.8 | 7.2 | 8.9 | 7.55 | 1 | 26 | 5 | 50~160 |
M20 | 46 | 52 | 45.6 | 43 | 9.9 | 8.1 | 10.9 | 9.55 | 1 | 32 | 6.3 | 60~200 |
M24 | 54 | 60 | 53.9 | 50.8 | 12 | 10 | 13.1 | 11.45 | 1.5 | 34 | 7.5 | 80~200 |
技术条件 | 材料 | 螺纹公差 | 机械性能等级 | 产品等级 | 表面处理 | |||||||
钢 | 8g | 3.6、4.8 | C级 | 1.不经处理;2.氧化;3.镀锌钝化 | ||||||||
公称长度l的商品规格系列: mm | |||||||||||
公称 | 20 | 25 | 30 | 35 | 40 | 45 | 50 | (55) | 60 | (65) | 70 |
min | 18.95 | 23.95 | 28.95 | 33.75 | 38.75 | 43.75 | 48.75 | 53.50 | 58.50 | 63.50 | 68.50 |
max | 21.05 | 26.05 | 31.05 | 36.25 | 41.25 | 46.25 | 51.25 | 56.50 | 61.50 | 66.50 | 71.50 |
公称 | 80 | 90 | 100 | 110 | 120 | 130 | 140 | 150 | 160 | 180 | 200 |
min | 78.50 | 88.25 | 98.25 | 108.25 | 118.25 | 128.0 | 138.0 | 148.0 | 156.0 | 176.0 | 195.4 |
max | 81.50 | 91.75 | 101.75 | 111.75 | 121.75 | 132.0 | 142.0 | 152.0 | 164.0 | 184.0 | 204.6 |
注:尽可能不采用括号内的规格。 | |||||||||||
质量 kg | ||||||||
螺纹规格 | M6 | M8 | M10 | M12 | M14 | M16 | M20 | M24 |
公称长度/mm | 每1000件钢制品的质量 ≈ | |||||||
20 | 5.25 | 10.31 | | | | | | |
25 | 6.11 | 11.87 | | | | | | |
30 | 6.96 | 13.42 | 23.33 | | | | | |
35 | 7.82 | 14.98 | 25.79 | 40.51 | 55.12 | | | |
40 | 8.68 | 16.53 | 28.24 | 44.08 | 59.99 | | | |
45 | 9.53 | 18.09 | 30.70 | 47.64 | 64.87 | | | |
50 | 10.39 | 19.64 | 33.16 | 51.20 | 69.74 | 98.47 | | |
55 | 11.25 | 21.20 | 35.61 | 54.76 | 74.62 | 105.0 | | |
60 | 12.11 | 22.75 | 38.07 | 58.33 | 79.49 | 111.6 | 187.6 | |
65 | | 24.31 | 40.52 | 61.89 | 84.36 | 118.1 | 197.9 | |
70 | | 25.86 | 42.98 | 65.45 | 89.24 | 124.6 | 208.1 | |
80 | | 28.97 | 47.89 | 72.57 | 98.99 | 137.7 | 228.6 | 333.6 |
90 | | | 52.80 | 79.70 | 108.7 | 150.8 | 249.1 | 363.1 |
100 | | | 57.71 | 86.82 | 118.5 | 163.9 | 269.5 | 392.6 |
110 | | | | 93.95 | 128.2 | 177.0 | 290.0 | 422.1 |
120 | | | | 101.1 | 138.0 | 190.1 | 310.5 | 451.6 |
130 | | | | | 147.7 | 203.2 | 331.0 | 481.1 |
140 | | | | | 157.5 | 216.2 | 351.4 | 510.6 |
150 | | | | | | 229.3 | 371.9 | 540.1 |
160 | | | | | | 242.4 | 392.4 | 569.6 |
180 | | | | | | | 433.3 | 628.6 |
200 | | | | | | | 474.3 | 687.6 |

