|
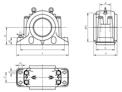
SD5系列、SD6系列四螺柱立式轴承座的结构型式和外形尺寸(GB/T 7813—2018) |
|||||||||||||||
|
四螺柱轴承座(SD型) mm |
|||||||||||||||
|
外形尺寸 |
轴承座 型 号 |
适用轴承及附件 |
|||||||||||||
|
Da |
H |
g① |
J |
J1 |
A max |
L
|
A1 max |
H1
|
N |
N1 min |
G |
d1 |
调心滚子轴承 |
紧定套 |
|
|
310 |
180 |
96 |
510 |
140 |
270 |
620 |
250 |
60 |
35 |
35 |
M30 |
150 |
SD 534 |
22234 CK |
H 3134 |
|
360 |
210 |
130 |
610 |
170 |
300 |
740 |
290 |
65 |
35 |
35 |
M30 |
150 |
SD 634 |
22334 CK |
H 2334 |
|
320 |
190 |
96 |
540 |
150 |
280 |
650 |
260 |
60 |
35 |
35 |
M30 |
160 |
SD 536 |
22236 CK |
H 3136 |
|
380 |
225 |
136 |
640 |
180 |
320 |
780 |
310 |
70 |
40 |
40 |
M36 |
160 |
SD 636 |
22336 CK |
H 2336 |
|
340 |
200 |
102 |
570 |
160 |
290 |
700 |
280 |
65 |
35 |
35 |
M30 |
170 |
SD 538 |
22238 CK |
H 3138 |
|
400 |
240 |
142 |
680 |
190 |
330 |
820 |
320 |
70 |
40 |
40 |
M36 |
170 |
SD 638 |
22338 CK |
H 2338 |
|
360 |
210 |
108 |
610 |
170 |
300 |
740 |
290 |
65 |
35 |
35 |
M30 |
180 |
SD 540 |
22240 CK |
H 3140 |
|
420 |
250 |
148 |
710 |
200 |
350 |
860 |
340 |
85 |
42 |
42 |
M36 |
180 |
SD 640 |
22340 CK |
H 2340 |
|
400 |
240 |
118 |
680 |
190 |
330 |
820 |
320 |
70 |
40 |
40 |
M36 |
200 |
SD 544 |
22244 CK |
H 3144 |
|
460 |
280 |
155 |
770 |
210 |
360 |
920 |
350 |
85 |
42 |
42 |
M36 |
200 |
SD 644 |
22344 CK |
H 2344 |
|
440 |
260 |
132 |
740 |
200 |
340 |
880 |
330 |
85 |
42 |
42 |
M36 |
220 |
SD 548 |
22248 CK |
H 3148 |
|
500 |
300 |
165 |
830 |
230 |
390 |
990 |
380 |
100 |
50 |
50 |
M42 |
220 |
SD 648 |
22348 CK |
H 2348 |
|
480 |
280 |
140 |
790 |
210 |
370 |
940 |
360 |
85 |
42 |
42 |
M36 |
240 |
SD 552 |
22252 CAK |
H 3152 |
|
540 |
325 |
175 |
890 |
250 |
410 |
1060 |
400 |
100 |
50 |
50 |
M42 |
240 |
SD 652 |
22352 CAK |
H 2352 |
|
500 |
300 |
140 |
830 |
230 |
390 |
990 |
380 |
100 |
50 |
50 |
M42 |
260 |
SD 556 |
22256 CAK |
H 3156 |
|
580 |
355 |
185 |
930 |
270 |
440 |
1110 |
430 |
110 |
57 |
57 |
M48 |
260 |
SD 656 |
22336 CAK |
H 2356 |
|
540 |
325 |
150 |
890 |
250 |
410 |
1060 |
400 |
100 |
50 |
50 |
M42 |
280 |
SD 560 |
22260 CAK |
H 3160 |
|
580 |
355 |
160 |
930 |
270 |
440 |
1110 |
430 |
110 |
57 |
57 |
M48 |
300 |
SD 564 |
22264 CAK |
H 3164 |
|
① 不利用止推环使轴承在轴承座内固定时,该值减小10mm。 |
|||||||||||||||

