|
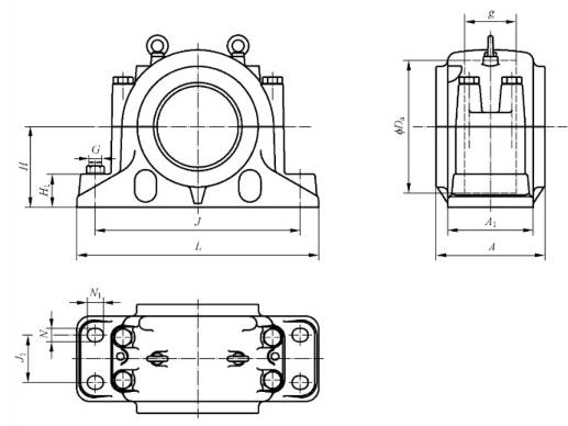
SD31TS系列四螺柱立式轴承座的结构型式和外形尺寸(GB/T 7813—2018) |
|||||||||||||||
|
四螺柱轴承座(SD型) mm |
|||||||||||||||
|
外 形 尺 寸 |
轴承座 型 号 |
适用轴承及附件 |
|||||||||||||
|
Da |
H |
g① |
J |
J1 |
A max |
L max |
A1 |
H1 max |
G |
d1 |
N |
N1 min |
调心滚子 轴 承 |
紧定套 |
|
|
280 |
170 |
108 |
430 |
100 |
235 |
515 |
180 |
70 |
M24 |
150 |
28 |
28 |
SD 3134 TS |
23134 K |
H 3134 |
|
300 |
180 |
116 |
450 |
110 |
245 |
535 |
190 |
75 |
M24 |
160 |
28 |
28 |
SD 3136 TS |
23136 K |
H 3136 |
|
320 |
190 |
124 |
480 |
120 |
265 |
565 |
210 |
80 |
M24 |
170 |
28 |
28 |
SD 3138 TS |
23138 K |
H 3138 |
|
340 |
210 |
132 |
510 |
130 |
285 |
615 |
230 |
85 |
M30 |
180 |
35 |
35 |
SD 3140 TS |
23140 K |
H 3140 |
|
370 |
220 |
140 |
540 |
140 |
295 |
645 |
240 |
90 |
M30 |
200 |
35 |
35 |
SD 3144 TS |
23144 K |
H 3144 |
|
400 |
240 |
148 |
600 |
150 |
315 |
705 |
260 |
95 |
M30 |
220 |
35 |
35 |
SD 3148 TS |
23148 K |
H 3148 |
|
440 |
260 |
164 |
650 |
160 |
325 |
775 |
280 |
100 |
M36 |
240 |
42 |
42 |
SD 3152 TS |
23152 K |
H 3152 |
|
460 |
280 |
166 |
670 |
160 |
325 |
795 |
280 |
105 |
M36 |
260 |
42 |
42 |
SD 3156 TS |
23156 K |
H 3156 |
|
500 |
300 |
180 |
710 |
190 |
355 |
835 |
310 |
110 |
M36 |
280 |
42 |
42 |
SD 3160 TS |
23160 K |
H 3160 |
|
540 |
320 |
196 |
750 |
200 |
375 |
885 |
330 |
115 |
M36 |
300 |
42 |
42 |
SD 3164 TS |
23164 K |
H 3164 |
|
注:TS表示轴承座带迷宫式密封圈。 ① 不利用止推环使轴承在轴承座内固定时,该值减小20mm。 |
|||||||||||||||

