|
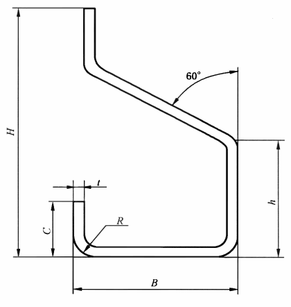
下边框的基本尺寸与主要参数(GB/T 6726—2008) |
||||||||
|
|
代号:XB H——高度; h——小高度; B——宽度; C——筋宽; t——壁厚; R——外圆弧半径 |
|||||||
|
截面尺寸/mm |
边长/mm |
壁厚/mm |
理论重量/ (kg/m) |
截面面积/ cm2 |
||||
|
H×B×h×C |
H |
B |
h |
C |
t |
|||
|
65×28.5×30×10 |
65 |
28.5 |
30 |
10 |
2.5 |
2.01 |
2.557 |
|
|
65×36×30×15 |
65 |
36.0 |
30 |
15 |
2.5 |
2.37 |
3.039 |
|
|
75×38.5×40×15 |
75 |
38.5 |
40 |
15 |
3.0 |
3.22 |
4.128 |
|
|
95×50×50×20 |
95 |
50.0 |
50 |
20 |
3.0 |
4.45 |
5.705 |
|

