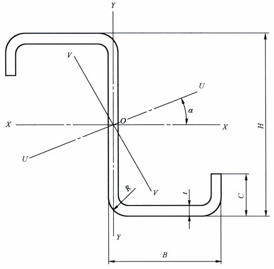
冷弯卷边Z形钢的基本尺寸与主要参数(GB/T 6723—2017) | ||||||||||||||||||||||||||||||||||||||
|
| |||||||||||||||||||||||||||||||||||||
规 格 | 尺 寸 /mm | 理论 重量 /(kg/m) | 截面 面积 /cm2 | 惯 性 矩 /cm4 | 回转 半径 /cm | 惯性 积矩 /cm4 | 截面模数 /cm3 | 角度 | ||||||||||||||||||||||||||||||
H×B×C×t | H | B | C | t | Ix | Iy | Iu | Iv | rv | Ixy | Wx | Wy | tan α | |||||||||||||||||||||||||
100×40×20×2.0 | 100 | 40 | 20 | 2.0 | 3.208 | 4.086 | 60.618 | 17.202 | 71.373 | 6.448 | 1.256 | 24.136 | 12.123 | 4.410 | 0.445 | |||||||||||||||||||||||
100×40×20×2.5 | 2.5 | 3.933 | 5.010 | 73.047 | 20.324 | 85.730 | 7.641 | 1.234 | 28.802 | 14.609 | 5.245 | 0.440 | ||||||||||||||||||||||||||
120×50×20×2.0 | 120 | 50 | 20 | 2.0 | 3.82 | 4.87 | 106.97 | 30.23 | 126.06 | 11.14 | 1.51 | 42.77 | 17.83 | 6.17 | 0.446 | |||||||||||||||||||||||
120×50×20×2.5 | 2.5 | 4.70 | 5.98 | 129.39 | 35.91 | 152.05 | 13.25 | 1.49 | 51.30 | 21.57 | 7.37 | 0.442 | ||||||||||||||||||||||||||
120×50×20×3.0 | 3.0 | 5.54 | 7.05 | 150.14 | 40.88 | 175.92 | 15.11 | 1.46 | 58.99 | 25.02 | 8.43 | 0.437 | ||||||||||||||||||||||||||
140×50×20×2.5 | 140 | 50 | 20 | 2.5 | 5.110 | 6.510 | 188.502 | 36.358 | 210.140 | 14.720 | 1.503 | 61.321 | 26.928 | 7.458 | 0.352 | |||||||||||||||||||||||
140×50×20×3.0 | 3.0 | 6.040 | 7.695 | 219.848 | 41.554 | 244.527 | 16.875 | 1.480 | 70.775 | 31.406 | 8.567 | 0.348 | ||||||||||||||||||||||||||
160×60×20×2.5 | 160 | 60 | 20 | 2.5 | 5.87 | 7.48 | 288.12 | 58.15 | 323.13 | 23.14 | 1.76 | 96.32 | 36.01 | 9.90 | 0.364 | |||||||||||||||||||||||
160×60×20×3.0 | 160 | 60 | 20 | 3.0 | 6.95 | 8.85 | 336.66 | 66.66 | 376.76 | 26.56 | 1.73 | 111.51 | 42.08 | 11.39 | 0.360 | |||||||||||||||||||||||
160×70×20×2.5 | 160 | 70 | 20 | 2.5 | 6.27 | 7.98 | 319.13 | 87.74 | 374.76 | 32.11 | 2.01 | 126.37 | 39.89 | 12.76 | 0.440 | |||||||||||||||||||||||
160×70×20×3.0 | 160 | 70 | 20 | 3.0 | 7.42 | 9.45 | 373.64 | 101.10 | 437.72 | 37.03 | 1.98 | 146.86 | 46.71 | 14.76 | 0.436 | |||||||||||||||||||||||
180×70×20×2.5 | 180 | 70 | 20 | 2.5 | 6.680 | 8.510 | 422.926 | 88.578 | 476.503 | 35.002 | 2.028 | 144.165 | 46.991 | 12.884 | 0.371 | |||||||||||||||||||||||
180×70×20×3.0 | 3.0 | 7.924 | 10.095 | 496.693 | 102.345 | 558.511 | 40.527 | 2.003 | 167.926 | 55.188 | 14.940 | 0.368 | ||||||||||||||||||||||||||
230×75×25×3.0 | 230 | 75 | 25 | 3.0 | 9.573 | 12.195 | 951.373 | 138.928 | 1030.579 | 59.722 | 2.212 | 265.752 | 82.728 | 18.901 | 0.298 | |||||||||||||||||||||||
230×75×25×4.0 | 4.0 | 12.518 | 15.946 | 1222.685 | 173.031 | 1320.991 | 74.725 | 2.164 | 335.933 | 106.320 | 23.703 | 0.292 | ||||||||||||||||||||||||||
250×75×25×3.0 | 250 | 3.0 | 10.044 | 12.795 | 1160.008 | 138.933 | 1236.730 | 62.211 | 2.205 | 290.214 | 92.800 | 18.902 | 0.264 | |||||||||||||||||||||||||
250×75×25×4.0 | 4.0 | 13.146 | 16.746 | 1492.957 | 173.042 | 1588.130 | 77.869 | 2.156 | 366.984 | 119.436 | 23.704 | 0.259 | ||||||||||||||||||||||||||
300×100×30×4.0 | 300 | 100 | 30 | 4.0 | 16.545 | 21.211 | 2828.642 | 416.757 | 3066.877 | 178.522 | 2.901 | 794.575 | 188.576 | 42.526 | 0.300 | |||||||||||||||||||||||
300×100×30×6.0 | 6.0 | 23.880 | 30.615 | 3944.956 | 548.081 | 4258.604 | 234.434 | 2.767 | 1078.794 | 262.997 | 56.503 | 0.291 | ||||||||||||||||||||||||||
400×120×40×8.0 | 400 | 120 | 40 | 8.0 | 40.789 | 52.293 | 11648.355 | 1293.651 | 12363.204 | 578.802 | 3.327 | 2813.016 | 582.418 | 111.522 | 0.254 | |||||||||||||||||||||||
400×120×40×10 | 10 | 49.692 | 63.708 | 13835.982 | 1463.588 | 14645.376 | 654.194 | 3.204 | 3266.384 | 691.799 | 127.269 | 0.248 | ||||||||||||||||||||||||||

