|
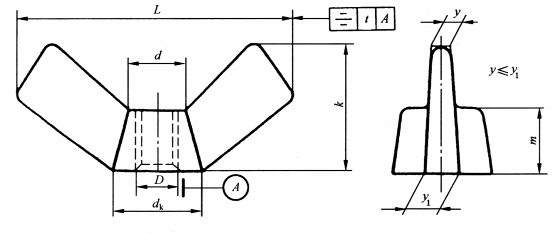
蝶形螺母 方翼(GB/T 62.2—2004) mm |
|||||||||||||
|
|
|||||||||||||
|
标记示例: 螺纹规格D=M10、材料为Q215、保证扭矩为I级、表面氧化处理、两翼为长方形的蝶形螺母的标记: 螺母 GB/T 62.2 M10 |
|||||||||||||
|
螺纹规格D |
dk min |
d ≈ |
L |
k |
m min |
y max |
y1 max |
t max |
|||||
|
M3 |
6.5 |
4 |
17 |
±1.5 |
9 |
±1.5 |
3 |
3 |
4 |
0.4 |
|||
|
M4 |
6.5 |
4 |
17 |
9 |
3 |
3 |
4 |
0.4 |
|||||
|
M5 |
8 |
6 |
21 |
11 |
4 |
3.5 |
4.5 |
0.5 |
|||||
|
M6 |
10 |
7 |
27 |
13 |
4.5 |
4 |
5 |
0.5 |
|||||
|
M8 |
13 |
10 |
31 |
±2 |
16 |
6 |
4.5 |
5.5 |
0.6 |
||||
|
M10 |
16 |
12 |
36 |
18 |
7.5 |
5.5 |
6.5 |
0.7 |
|||||
|
M12 |
20 |
16 |
48 |
23 |
9 |
7 |
8 |
1 |
|||||
|
(M14) |
20 |
16 |
48 |
23 |
9 |
7 |
8 |
1.1 |
|||||
|
M16 |
27 |
22 |
68 |
35 |
±2 |
12 |
8 |
9 |
1.2 |
||||
|
(M18) |
27 |
22 |
68 |
35 |
12 |
8 |
9 |
1.4 |
|||||
|
M20 |
27 |
22 |
68 |
35 |
12 |
8 |
9 |
1.5 |
|||||
|
注:尽可能不采用括号内的规格。 |
|||||||||||||
|
技术条件和引用标准 |
|||||||||||||
|
材 料a |
钢、铁 |
不锈钢 |
有色金属 |
||||||||||
|
Q215、Q235 (GB/T 700) KT 30-6 (GB/T 978) |
1Cr18Ni9 (GB/T 1220) |
H 62 (GB/T 5231) |
|||||||||||
|
螺 纹 |
公 差 |
7H |
|||||||||||
|
标 准 |
GB/T 193、GB/T 9145 |
||||||||||||
|
保证扭矩 |
等 级 |
Ⅰ级 |
Ⅰ级 |
Ⅱ极 |
|||||||||
|
标 准 |
GB/T 3098.20 |
||||||||||||
|
表面处理 |
氧化;电镀,技术要求按GB/T 5267.1 |
简单处理 |
简单处理 |
||||||||||
|
验收及处理 |
GB/T 90.1、GB/T 90.2 |
||||||||||||
|
注:a 材料牌号仅系推荐采用的,制造者可根据实际条件与经验选用其他材料牌号及技术条件。 |
|||||||||||||
|
质量 kg |
|||||||||||
|
螺纹规格 |
M3 |
M4 |
M5 |
M6 |
M8 |
M10 |
M12 |
M14 |
M16 |
M18 |
M20 |
|
每1000件钢制品的质量≈ |
1.99 |
1.89 |
3.31 |
5.82 |
9.60 |
15.53 |
33.17 |
30.77 |
82.29 |
78.44 |
73.29 |

