非金属嵌件六角法兰面锁紧螺母(GB/T 6183.1—2016) mm | ||||||||||||||
| ||||||||||||||
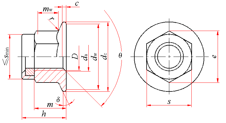
θ=90°~120°;δ=15°~25° | ||||||||||||||
标记示例: 螺纹规格D=M12、性能等级为8级、表面氧化、产品等级为A级的非金属嵌件六角法兰面锁紧螺母的标记: 螺母 GB/T 6183.1 M12 | ||||||||||||||
螺纹规格 | c min | da | dc max | dw min | e min | h | m min | mw min | s | r max | ||||
D | 螺距P | max | min | max | min | max | min | |||||||
M5 | 0.8 | 1 | 5.75 | 5.00 | 11.8 | 9.8 | 8.79 | 7.10 | 6.52 | 4.7 | 2.5 | 8.00 | 7.78 | 0.3 |
M6 | 1 | 1.1 | 6.75 | 6.00 | 14.2 | 12.2 | 11.05 | 9.10 | 8.52 | 5.7 | 3.1 | 10.00 | 9.78 | 0.36 |
M8 | 1.25 | 1.2 | 8.75 | 8.00 | 17.9 | 15.8 | 14.38 | 11.1 | 10.4 | 7.64 | 4.6 | 13.00 | 12.73 | 0.48 |
M10 | 1.5 | 1.5 | 10.8 | 10.0 | 21.8 | 19.6 | 16.64 | 13.5 | 12.8 | 9.64 | 5.6 | 15.00 | 14.73 | 0.6 |
M12 | 1.75 | 1.8 | 13 | 12 | 26 | 23.8 | 20.03 | 16.1 | 15.4 | 11.57 | 6.8 | 18.00 | 17.73 | 0.72 |
(M14) | 2 | 2.1 | 15.1 | 14.0 | 29.9 | 27.6 | 23.36 | 18.2 | 16.9 | 13.3 | 7.7 | 21.00 | 20.67 | 0.88 |
M16 | 2 | 2.4 | 17.3 | 16.0 | 34.5 | 31.9 | 26.75 | 20.3 | 19.0 | 15.3 | 8.9 | 24.00 | 23.67 | 0.96 |
M20 | 2.5 | 3 | 21.6 | 20.0 | 42.8 | 39.9 | 32.95 | 24.8 | 22.7 | 18.7 | 10.7 | 30.00 | 29.16 | 1.2 |
技术条件 | 材料 | 螺纹公差 | 机械性能等级 | 产品公差等级 | 表面处理 | |||||||||
螺母体 | 嵌件 | 6H | 8 | 9 | 10 | D≤16 mm:A级 D>16 mm:B级 | 氧化 | |||||||
钢 | 尼龙66 | D≤16 mm 1型 | D>16 mm 2型 | 2型 | 1型 | |||||||||
注:1.尽可能不采用括号内的规格。 2.r适用于棱角和六角面。 | ||||||||||||||
质量 kg | ||||||||
螺纹规格 | M5 | M6 | M8 | M10 | M12 | M14 | M16 | M20 |
每1000件钢制品的质量≈ | 1.66 | 3.36 | 7.00 | 11.15 | 19.33 | 29.21 | 43.2 | 78.4 |

