2型非金属嵌件六角锁紧螺母(GB/T 6182—2016) mm | |||||||||||
| |||||||||||
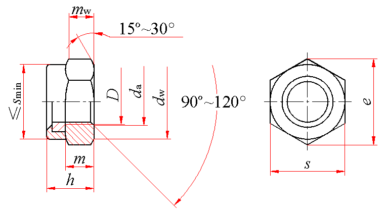
标记示例: 螺纹规格D=M12、性能等级为9级、表面氧化、产品等级为A级的2型非金属嵌件六角锁紧螺母的标记: 螺母 GB/T 6182 M12 | |||||||||||
螺纹规格 | da | dw min | e min | h | m min | mw min | s | ||||
D | 螺距P | max | min | max | min | max | min | ||||
M5 | 0.8 | 5.75 | 5.00 | 6.88 | 8.79 | 7.20 | 6.62 | 4.8 | 3.52 | 8.00 | 7.78 |
M6 | 1 | 6.75 | 6.00 | 8.88 | 11.05 | 8.50 | 7.92 | 5.4 | 3.92 | 10.00 | 9.78 |
M8 | 1.25 | 8.75 | 8.00 | 11.63 | 14.38 | 10.2 | 9.5 | 7.14 | 5.15 | 13.00 | 12.73 |
M10 | 1.5 | 10.8 | 10.0 | 14.63 | 17.77 | 12.8 | 12.1 | 8.94 | 6.43 | 16.00 | 15.73 |
M12 | 1.75 | 13 | 12 | 16.63 | 20.03 | 16.1 | 15.4 | 11.57 | 8.3 | 18.00 | 17.73 |
(M14) | 2 | 15.1 | 14.0 | 19.64 | 23.36 | 18.3 | 17.0 | 13.4 | 9.68 | 21.00 | 20.67 |
M16 | 2 | 17.3 | 16.0 | 22.49 | 26.75 | 20.7 | 19.4 | 15.7 | 11.28 | 24.00 | 23.67 |
M20 | 2.5 | 21.6 | 20.0 | 27.7 | 32.95 | 25.1 | 23.0 | 19 | 13.52 | 30.00 | 29.16 |
M24 | 3 | 25.9 | 24.0 | 33.25 | 39.55 | 29.5 | 27.4 | 22.6 | 16.16 | 36 | 35 |
M30 | 3.5 | 32.4 | 30.0 | 42.75 | 50.85 | 35.6 | 33.1 | 27.3 | 19.44 | 46 | 45 |
M36 | 4 | 38.9 | 36.0 | 51.11 | 60.79 | 42.6 | 40.1 | 33.1 | 23.52 | 55.0 | 53.8 |
技术条件 | 材料 | 螺纹公差 | 机械性能等级 | 产品公差等级 | 表面处理 | ||||||
螺母体 | 嵌件 | 6H | 9、12 | D≤16 mm:A级 D>16 mm:B级 | 氧化 | ||||||
钢 | 尼龙66 | ||||||||||
注:尽可能不采用括号内的规格。 | |||||||||||
质量 kg | |||||||||||
螺纹规格 | M5 | M6 | M8 | M10 | M12 | M14 | M16 | M20 | M24 | M30 | M36 |
每1000件钢制品的质量≈ | 1.54 | 2.94 | 6.10 | 11.64 | 17.92 | 27.37 | 40.96 | 73.17 | 125.5 | 256.6 | 441.0 |

