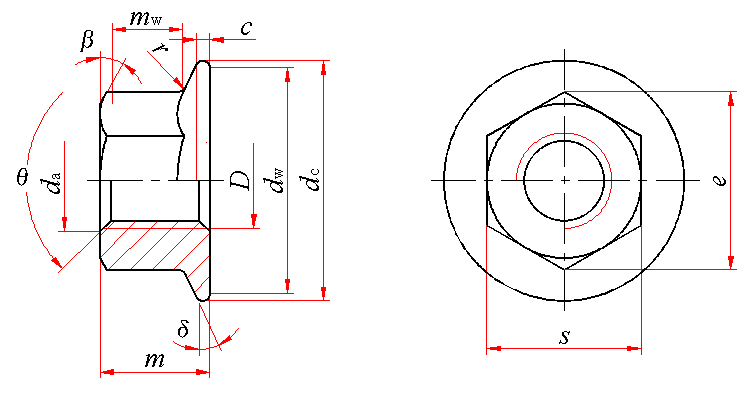
六角法兰面螺母(GB/T 6177.1—2016) mm | ||||||||||||||
| ||||||||||||||
θ=90°~120°;β=15°~30°;δ=15°~25° | ||||||||||||||
标记示例: 螺纹规格D=M12、性能等级为10级、表面氧化、产品等级为A级的六角法兰面螺母的标记: 螺母 GB/T 6177.1 M12 | ||||||||||||||
螺纹规格 D | 螺距 P | c min | da | dc max | dw min | e min | m | mw min | s | r max | ||||
min | max | max | min | max | min | |||||||||
M5 | 0.8 | 1 | 5.00 | 5.75 | 11.8 | 9.8 | 8.79 | 5.0 | 4.7 | 2.5 | 8.00 | 7.78 | 0.3 | |
M6 | 1 | 1.1 | 6.00 | 6.75 | 14.2 | 12.2 | 11.05 | 6.0 | 5.7 | 3.1 | 10.00 | 9.78 | 0.4 | |
M8 | 1.25 | 1.2 | 8.00 | 8.75 | 17.9 | 15.8 | 14.38 | 8.00 | 7.64 | 4.6 | 13.00 | 12.73 | 0.5 | |
M10 | 1.5 | 1.5 | 10.0 | 10.8 | 21.8 | 19.6 | 16.64 | 10.00 | 9.64 | 5.6 | 15.00 | 14.73 | 0.6 | |
M12 | 1.75 | 1.8 | 12 | 13 | 26.0 | 23.8 | 20.03 | 12.00 | 11.57 | 6.8 | 18.00 | 17.73 | 0.7 | |
(M14) | 2 | 2.1 | 14.0 | 15.1 | 29.9 | 27.6 | 23.36 | 14.0 | 13.3 | 7.7 | 21.00 | 20.67 | 0.9 | |
M16 | 2 | 2.4 | 16.0 | 17.3 | 34.5 | 31.9 | 26.75 | 16.0 | 15.3 | 8.9 | 24.00 | 23.67 | 1 | |
M20 | 2.5 | 3 | 20.0 | 21.6 | 42.8 | 39.9 | 32.95 | 20.0 | 18.7 | 10.7 | 30.00 | 29.16 | 1.2 | |
技术条件 | 材料 | 螺纹公差 | 机械性能等级 | 公差产品等级 | 表面处理 | |||||||||
钢 | 6H | 8 | D≤16mm 1型 | D≤16mm:A级 D>16mm:B级 | 氧化 | |||||||||
D>16mm 2型 | ||||||||||||||
9 | 2型 | |||||||||||||
10 | 1型 | |||||||||||||
12 | 2型 | |||||||||||||
不锈钢 | A2-70 | 简单处理 | ||||||||||||
注:1. 尽可能不采用括号内的规格。 2. r适用于棱角和六角面。 | ||||||||||||||
质量 kg | ||||||||
螺纹规格 | M5 | M6 | M8 | M10 | M12 | M14 | M16 | M20 |
每1000件钢制品的质量≈ | 1.42 | 2.76 | 6.00 | 9.63 | 16.66 | 25.80 | 38.64 | 70.90 |

