六角头螺栓 细牙(GB/T 5785—2016) mm | |||||||||||||
| |||||||||||||
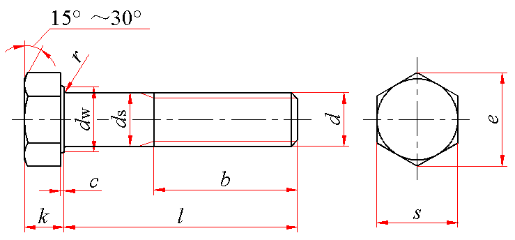
标记示例: 螺纹d=M12×1.5、公称长度l=80mm、细牙螺纹、性能等级为8.8级、表面氧化、产品等级为A级的六角头螺栓的标记: 螺栓 GB/T 5785 M12×1.5×80 | |||||||||||||
螺纹规格 d×P | b参考 | c | ds | dw min | e min | ||||||||
公称=max | min | ||||||||||||
l≤125 | 125<l≤200 | l>200 | max | min | A级 | B级 | A级 | B级 | A级 | B级 | |||
M8×1 | 22 | 28 | 41 | 0.60 | 0.15 | 8.00 | 7.78 | 7.64 | 11.63 | 11.47 | 14.38 | 14.2 | |
M10×1 | 26 | 32 | 45 | 0.60 | 0.15 | 10.00 | 9.78 | 9.64 | 14.63 | 14.47 | 17.77 | 17.59 | |
(M10×1.25) | 26 | 32 | 45 | 0.60 | 0.15 | 10.00 | 9.78 | 9.64 | 14.63 | 14.47 | 17.77 | 17.59 | |
(M12×1.25) | 30 | 36 | 49 | 0.60 | 0.15 | 12.00 | 11.73 | 11.57 | 16.63 | 16.47 | 20.03 | 19.85 | |
M12×1.5 | 30 | 36 | 49 | 0.60 | 0.15 | 12.00 | 11.73 | 11.57 | 16.63 | 16.47 | 20.03 | 19.85 | |
(M14×1.5) | 34 | 40 | 57 | 0.60 | 0.15 | 14.00 | 13.73 | 13.54 | 19.64 | 19.15 | 23.36 | 22.78 | |
M16×1.5 | 38 | 44 | 57 | 0.8 | 0.2 | 16.00 | 15.73 | 15.57 | 22.49 | 22 | 26.75 | 26.17 | |
(M18×1.5) | 42 | 48 | 61 | 0.8 | 0.2 | 18.00 | 17.73 | 17.57 | 25.34 | 24.85 | 30.14 | 29.56 | |
M20×1.5 | 46 | 52 | 65 | 0.8 | 0.2 | 20.00 | 19.67 | 19.48 | 28.19 | 27.7 | 33.53 | 32.95 | |
(M20×2) | 46 | 52 | 65 | 0.8 | 0.2 | 20.00 | 19.67 | 19.48 | 28.19 | 27.7 | 33.53 | 32.95 | |
(M22×1.5) | 50 | 56 | 69 | 0.8 | 0.2 | 22.00 | 21.67 | 21.48 | 31.71 | 31.35 | 37.72 | 37.29 | |
M24×2 | 54 | 60 | 73 | 0.8 | 0.2 | 24.00 | 23.67 | 23.48 | 33.61 | 33.25 | 39.98 | 39.55 | |
(M27×2) | 60 | 66 | 79 | 0.8 | 0.2 | 27.00 | — | 26.48 | — | 38 | — | 45.2 | |
M30×2 | 66 | 72 | 85 | 0.8 | 0.2 | 30.00 | — | 29.48 | — | 42.75 | — | 50.85 | |
(M33×2) | — | 78 | 91 | 0.8 | 0.2 | 33.00 | — | 32.38 | — | 46.55 | — | 55.37 | |
M36×3 | — | 84 | 97 | 0.8 | 0.2 | 36.00 | — | 35.38 | — | 51.11 | — | 60.79 | |
(M39×3) | — | 90 | 103 | 1.0 | 0.3 | 39.00 | — | 38.38 | — | 55.86 | — | 66.44 | |
M42×3 | — | 96 | 109 | 1.0 | 0.3 | 42.00 | — | 41.38 | — | 59.95 | — | 71.3 | |
(M45×3) | — | 102 | 115 | 1.0 | 0.3 | 45.00 | — | 44.38 | — | 64.7 | — | 76.95 | |
M48×3 | — | 108 | 121 | 1.0 | 0.3 | 48.00 | — | 47.38 | — | 69.45 | — | 82.6 | |
(M52×4) | — | 116 | 129 | 1.0 | 0.3 | 52.00 | — | 51.26 | — | 74.2 | — | 88.25 | |
M56×4 | — | — | 137 | 1.0 | 0.3 | 56.00 | — | 55.26 | — | 78.66 | — | 93.56 | |
(M60×4) | — | — | 145 | 1.0 | 0.3 | 60.00 | — | 59.26 | — | 83.41 | — | 99.21 | |
M64×4 | — | — | 153 | 1.0 | 0.3 | 64.00 | — | 63.26 | — | 88.16 | — | 104.86 | |
螺纹规格 d×P | k | r min | s | l的范围 | |||||||||
公称 | A级 | B级 | 公称=max | min | |||||||||
max | min | max | min | A级 | B级 | ||||||||
M8×1 | 5.3 | 5.45 | 5.15 | 5.54 | 5.06 | 0.4 | 13.00 | 12.73 | 12.57 | 40~80 | |||
M10×1 | 6.4 | 6.58 | 6.22 | 6.69 | 6.11 | 0.4 | 16.00 | 15.73 | 15.57 | 45~100 | |||
(M10×1.25) | 6.4 | 6.58 | 6.22 | 6.69 | 6.11 | 0.4 | 16.00 | 15.73 | 15.57 | 45~100 | |||
(M12×1.25) | 7.5 | 7.68 | 7.32 | 7.79 | 7.21 | 0.6 | 18.00 | 17.73 | 17.57 | 50~120 | |||
M12×1.5 | 7.5 | 7.68 | 7.32 | 7.79 | 7.21 | 0.6 | 18.00 | 17.73 | 17.57 | 50~120 | |||
(M14×1.5) | 8.8 | 8.98 | 8.62 | 9.09 | 8.51 | 0.6 | 21.00 | 20.67 | 20.16 | 60~140 | |||
M16×1.5 | 10 | 10.18 | 9.82 | 10.29 | 9.71 | 0.6 | 24.00 | 23.67 | 23.16 | 65~160 | |||
(M18×1.5) | 11.5 | 11.715 | 11.285 | 11.85 | 11.15 | 0.6 | 27.00 | 26.67 | 26.16 | 70~180 | |||
M20×1.5 | 12.5 | 12.715 | 12.285 | 12.85 | 12.15 | 0.8 | 30.00 | 29.67 | 29.16 | 80~200 | |||
(M20×2) | 12.5 | 12.715 | 12.285 | 12.85 | 12.15 | 0.8 | 30.00 | 29.67 | 29.16 | 80~200 | |||
(M22×1.5) | 14 | 14.215 | 13.785 | 14.35 | 13.65 | 0.8 | 34.00 | 33.38 | 33.00 | 90~220 | |||
M24×2 | 15 | 15.215 | 14.785 | 15.35 | 14.65 | 0.8 | 36.00 | 35.38 | 35 | 100~240 | |||
(M27×2) | 17 | — | — | 17.35 | 16.65 | 1 | 41 | — | 40 | 110~260 | |||
M30×2 | 18.7 | — | — | 19.12 | 18.28 | 1 | 46 | — | 45 | 120~300 | |||
(M33×2) | 21 | — | — | 21.42 | 20.58 | 1 | 50 | — | 49 | 130~320 | |||
M36×3 | 22.5 | — | — | 22.92 | 22.08 | 1 | 55.0 | — | 53.8 | 140~360 | |||
(M39×3) | 25 | — | — | 25.42 | 24.58 | 1 | 60.0 | — | 58.8 | 150~380 | |||
M42×3 | 26 | — | — | 26.42 | 25.58 | 1.2 | 65.0 | — | 63.1 | 160~440 | |||
(M45×3) | 28 | — | — | 28.42 | 27.58 | 1.2 | 70.0 | — | 68.1 | 180~440 | |||
M48×3 | 30 | — | — | 30.42 | 29.58 | 1.6 | 75.0 | — | 73.1 | 200~480 | |||
(M52×4) | 33 | — | — | 33.5 | 32.5 | 1.6 | 80.0 | — | 78.1 | 200~480 | |||
M56×4 | 35 | — | — | 35.5 | 34.5 | 2 | 85.0 | — | 82.8 | 220~500 | |||
(M60×4) | 38 | — | — | 38.5 | 37.5 | 2 | 90.0 | — | 87.8 | 240~500 | |||
M64×4 | 40 | — | — | 40.5 | 39.5 | 2 | 95.0 | — | 92.8 | 260~500 | |||
技术条件 | 材料 | 螺纹公差 | 机械性能等级 | 公差产品等级 | 表面处理 | ||||||||
钢 | 6g | d≤39mm:5.6、8.8、10.9 3mm<d≤16mm:9.8 d>39mm:按协议 | d≤24mm和l≤10d或l≤150mm(按较小值):A d>24mm和l>10d或l>150mm(按较小值):B | 氧化 | |||||||||
不锈钢 | d≤24mm:A2-70、A4-70 24mm<d≤39mm:A2-50、A4-50 d>39mm:按协议 | 简单处理 | |||||||||||
有色金属 | CU2、CU3、AL4 | 简单处理 | |||||||||||
注:1.带括号的规格为非优选的螺纹规格。 2.A级用于d=8~24mm和l≤10d或l≤150mm(按较小值);B级用于d>24mm或l>10d或l>150mm(按较小值)的螺栓。 3.螺纹末端应倒角,按(GB/T 2)。 | |||||||||||||
公称长度l的商品规格系列: mm | ||||||||||||||||||
公称 | 35 | 40 | 45 | 50 | 55 | 60 | 65 | 70 | 80 | 90 | 100 | 110 | 120 | 130 | 140 | 150 | 160 | |
A级 | min | 34.5 | 39.5 | 44.5 | 49.5 | 54.4 | 59.4 | 64.4 | 69.4 | 79.4 | 89.3 | 99.3 | 109.3 | 119.3 | 129.2 | 139.2 | 149.2 | — |
max | 35.5 | 40.5 | 45.5 | 50.5 | 55.6 | 60.6 | 65.6 | 70.6 | 80.6 | 90.7 | 100.7 | 110.7 | 120.7 | 130.8 | 140.8 | 150.8 | — | |
B级 | min | — | — | — | — | — | — | — | — | — | 88.25 | 98.25 | 108.25 | 118.25 | 128 | 138 | 148 | 158 |
max | — | — | — | — | — | — | — | — | — | 91.75 | 101.75 | 111.75 | 121.75 | 132 | 142 | 152 | 162 | |
公称 | 180 | 200 | 220 | 240 | 260 | 280 | 300 | 320 | 340 | 360 | 380 | 400 | 420 | 440 | 460 | 480 | 500 | |
A级 | min | — | — | — | — | — | — | — | — | — | — | — | — | — | — | — | — | — |
max | — | — | — | — | — | — | — | — | — | — | — | — | — | — | — | — | — | |
B级 | min | 178 | 197.7 | 217.7 | 237.7 | 257.4 | 277.4 | 297.4 | 317.15 | 337.15 | 357.15 | 377.15 | 397.15 | 416.85 | 436.85 | 456.85 | 476.85 | 496.85 |
max | 182 | 202.3 | 222.3 | 242.3 | 262.6 | 282.6 | 302.6 | 322.85 | 342.85 | 362.85 | 382.85 | 402.85 | 423.15 | 443.15 | 463.15 | 483.15 | 503.15 | |
质量 kg | ||||||||||||
优选的螺纹规格 | ||||||||||||
螺纹规格 | M8×1 | M10×1 | M12×1.5 | M16×1.5 | M20×1.5 | M24×2 | M30×2 | M36×3 | M42×3 | M48×3 | M56×4 | M64×4 |
公称长度 /mm | 每1000件钢制品的质量 ≈ | |||||||||||
40 | 19.45 | | | | | | | | | | | |
45 | 21.43 | 35.19 | | | | | | | | | | |
50 | 23.40 | 38.27 | 53.95 | | | | | | | | | |
55 | 25.37 | 41.35 | 58.39 | | | | | | | | | |
60 | 27.35 | 44.44 | 62.83 | | | | | | | | | |
65 | 29.32 | 47.52 | 67.27 | 129.4 | | | | | | | | |
70 | 31.29 | 50.60 | 71.71 | 137.3 | | | | | | | | |
80 | 34.91 | 56.77 | 80.59 | 153.1 | 254.1 | | | | | | | |
90 | | 62.94 | 89.47 | 168.9 | 278.8 | | | | | | | |
100 | | 69.10 | 98.35 | 184.7 | 303.5 | 449.7 | | | | | | |
110 | | | 107.2 | 200.4 | 328.1 | 485.3 | | | | | | |
120 | | | 116.1 | 216.2 | 352.8 | 520.8 | 870.4 | | | | | |
130 | | | | 230.8 | 376.0 | 553.9 | 922.9 | | | | | |
140 | | | | 246.6 | 400.6 | 589.4 | 978.4 | 1450 | | | | |
150 | | | | 262.4 | 425.3 | 624.9 | 1034 | 1530 | | | | |
160 | | | | 278.2 | 450.0 | 660.5 | 1089 | 1610 | 2290 | | | |
180 | | | | | 499.3 | 731.5 | 1200 | 1770 | 2508 | | | |
200 | | | | | 548.6 | 802.6 | 1311 | 1930 | 2726 | 3725 | | |
220 | | | | | | 868.4 | 1416 | 2078 | 2930 | 3994 | 5513 | |
240 | | | | | | 939.5 | 1527 | 2238 | 3147 | 4278 | 5900 | |
260 | | | | | | | 1638 | 2398 | 3365 | 4562 | 6286 | 8422 |
280 | | | | | | | 1749 | 2558 | 3582 | 4846 | 6673 | 8928 |
300 | | | | | | | 1860 | 2717 | 3800 | 5131 | 7060 | 9433 |
320 | | | | | | | | 2877 | 4017 | 5415 | 7447 | 9938 |
340 | | | | | | | | 3037 | 4235 | 5699 | 7834 | 10443 |
360 | | | | | | | | 3197 | 4453 | 5983 | 8220 | 10948 |
380 | | | | | | | | | 4670 | 6267 | 8607 | 11454 |
400 | | | | | | | | | 4888 | 6552 | 8994 | 11959 |
420 | | | | | | | | | 5105 | 6836 | 9381 | 12464 |
440 | | | | | | | | | 5323 | 7120 | 9767 | 12969 |
460 | | | | | | | | | | 7404 | 10154 | 13474 |
480 | | | | | | | | | | 7688 | 10541 | 13980 |
500 | | | | | | | | | | | 10928 | 14485 |
非优选的螺纹规格 | ||||||||||||
螺纹规格 | M10×1.25 | M12×1.25 | M14×1.5 | M18×1.5 | M20×2 | M22×1.5 | M27×2 | M33×2 | M39×3 | M45×3 | M52×4 | M60×4 |
公称长度 /mm | 每1000件钢制品的质量 ≈ | |||||||||||
45 | 34.56 | | | | | | | | | | | |
50 | 37.64 | 54.84 | | | | | | | | | | |
55 | 40.72 | 59.28 | | | | | | | | | | |
60 | 43.81 | 63.72 | 89.29 | | | | | | | | | |
65 | 46.89 | 68.16 | 95.33 | | | | | | | | | |
70 | 49.97 | 72.60 | 101.4 | 180.7 | | | | | | | | |
80 | 56.14 | 81.48 | 113.5 | 200.7 | 249.6 | | | | | | | |
90 | 62.31 | 90.36 | 125.6 | 220.7 | 274.2 | 352.7 | | | | | | |
100 | 68.48 | 99.24 | 137.6 | 240.6 | 298.9 | 382.5 | | | | | | |
110 | | 108.1 | 149.7 | 260.6 | 323.6 | 412.4 | 631.6 | | | | | |
120 | | 117.0 | 161.8 | 280.6 | 348.2 | 442.2 | 674.8 | | | | | |
130 | | | 172.9 | 299.2 | 370.9 | 470.4 | 716.4 | 1140 | | | | |
140 | | | 184.9 | 319.2 | 395.6 | 500.2 | 759.6 | 1204 | | | | |
150 | | | | 339.2 | 420.3 | 530.1 | 802.9 | 1269 | 1851 | | | |
160 | | | | 359.2 | 444.9 | 559.9 | 846.1 | 1333 | 1942 | | | |
180 | | | | 399.1 | 494.3 | 619.6 | 932.6 | 1463 | 2124 | 2934 | | |
200 | | | | | 543.6 | 679.3 | 1019 | 1592 | 2305 | 3177 | 4434 | |
220 | | | | | | 735.4 | 1102 | 1718 | 2478 | 3410 | 4747 | |
240 | | | | | | | 1188 | 1847 | 2660 | 3653 | 5071 | 6856 |
260 | | | | | | | 1275 | 1976 | 2842 | 3896 | 5395 | 7290 |
280 | | | | | | | | 2105 | 3023 | 4139 | 5719 | 7723 |
300 | | | | | | | | 2235 | 3205 | 4382 | 6043 | 8156 |
320 | | | | | | | | 2364 | 3387 | 4625 | 6367 | 8589 |
340 | | | | | | | | | 3568 | 4868 | 6691 | 9022 |
360 | | | | | | | | | 3750 | 5111 | 7016 | 9455 |
380 | | | | | | | | | 3932 | 5353 | 7340 | 9888 |
400 | | | | | | | | | | 5596 | 7664 | 10321 |
420 | | | | | | | | | | 5839 | 7988 | 10755 |
440 | | | | | | | | | | 6082 | 8312 | 11188 |
460 | | | | | | | | | | | 8636 | 11621 |
480 | | | | | | | | | | | 8960 | 12054 |
500 | | | | | | | | | | | | 12487 |

