|
扩口式直通管接头和接头体尺寸(摘自GB/T 5628—2008) mm |
|||||||
|
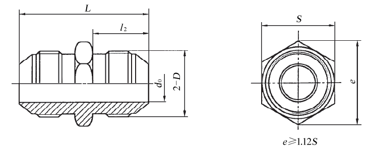
图1 扩口式直通管接头
图2 扩口式直通接头体 标记示例 扩口型式A,管子外径为10 mm,表面镀锌处理的钢制扩口式直通管接头标记为: 管接头 GB/T 5628 A10 扩口型式A,管子外径为10 mm,表面镀锌处理的钢制扩口式直通接头体标记为: 接头体 GB/T 5628 A10 |
|||||||
|
管子外径 D0 |
d0 |
D |
L8≈ |
l2 |
L |
S |
|
|
A型 |
B型 |
||||||
|
4 |
3 |
M10×1 |
40 |
49 |
12.5 |
30 |
12 |
|
5 |
3.5 |
||||||
|
6 |
4 |
M12×1.5 |
47.5 |
57.5 |
16 |
37 |
14 |
|
8 |
6 |
M14×1.5 |
55.5 |
71 |
18 |
42 |
17 |
|
10 |
8 |
M16×1.5 |
57.5 |
75.5 |
19 |
44 |
19 |
|
12 |
10 |
M18×1.5 |
58 |
81 |
45 |
22 |
|
|
14 |
12 |
M22×1.5 |
89 |
19.5 |
46 |
24 |
|
|
16 |
14 |
M24×1.5 |
60 |
92 |
20 |
48 |
27 |
|
18 |
15 |
M27×1.5 |
100 |
20.5 |
49 |
30 |
|
|
20 |
17 |
M30×2 |
75.5 |
— |
26 |
62 |
32 |
|
22 |
19 |
M33×2 |
76.5 |
— |
34 |
||
|
25 |
22 |
M36×2 |
78 |
— |
41 |
||
|
28 |
24 |
M39×2 |
83.5 |
— |
27.5 |
67 |
|
|
32 |
27 |
M42×2 |
86 |
— |
28.5 |
69 |
46 |
|
34 |
30 |
M45×2 |
— |
||||


