|
扩口式锥螺纹长管接头和接头体尺寸(摘自GB/T 5627—2008) mm |
|||||||||||
|
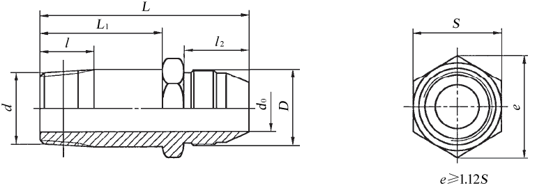
图1 扩口式锥螺纹长管接头
图2 扩口式锥螺纹长接头体 标记示例 扩口型式A,管子外径为10 mm,55°密封管螺纹(R),表面镀锌处理的钢制扩口式锥螺纹长管接头标记为: 管接头 GB/T 5627 A10/R1/4 扩口型式A,管子外径为10 mm,55°密封管螺纹(R),表面镀锌处理的钢制扩口式锥螺纹长接头体标记为: 接头体 GB/T 5627 A10/R1/4 |
|||||||||||
|
管子外径 D0 |
d0 |
d a |
D |
L7≈ |
l |
l2 |
L |
L1 |
S |
||
|
A型 |
B型 |
||||||||||
|
4 |
3 |
R1/8 |
NPT1/8 |
M10×1 |
53.5 |
58 |
8.5 |
12.5 |
48.5 |
30 |
12 |
|
5 |
3.5 |
||||||||||
|
6 |
4 |
M12×1.5 |
58.5 |
63 |
16 |
53 |
14 |
||||
|
8 |
6 |
R1/4 |
NPTl/4 |
M14×1.5 |
92 |
100 |
12.5 |
18 |
85 |
60 |
17 |
|
10 |
8 |
M16×1.5 |
93 |
102 |
19 |
86 |
19 |
||||
|
12 |
10 |
R3/8 |
NPT3/8 |
M18×1.5 |
93.5 |
105 |
13 |
87 |
22 |
||
|
14 |
M22×1.5 |
109 |
19.5 |
87.5 |
24 |
||||||
|
16 |
14 |
R1/2 |
NPTl/2 |
M24×1.5 |
95 |
111 |
17 |
20 |
89 |
27 |
|
|
18 |
15 |
M27×1.5 |
115 |
20.5 |
89.5 |
30 |
|||||
|
20 |
17 |
R3/4 |
NPT3/4 |
M30×2 |
102.5 |
— |
18 |
26 |
96 |
32 |
|
|
22 |
19 |
M33×2 |
103.5 |
— |
34 |
||||||
|
25 |
22 |
R1 |
NPT1 |
M36×2 |
106 |
— |
21.5 |
98 |
41 |
||
|
28 |
24 |
M39×2 |
108.5 |
— |
27.5 |
100.5 |
|||||
|
32 |
27 |
R1¼ |
NPT1¼ |
M42×2 |
111 |
— |
24 |
28.5 |
102.5 |
46 |
|
|
34 |
30 |
M45×2 |
— |
||||||||
|
a 优先选用55°密封管螺纹。 |
|||||||||||


