|
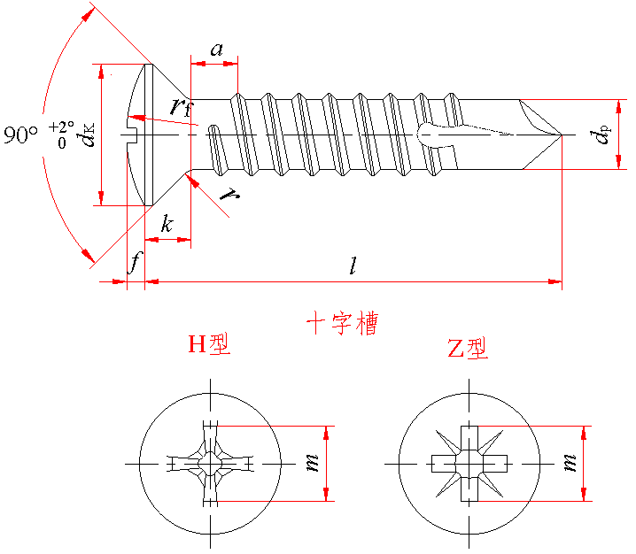
十字槽半沉头自钻自攻螺钉(GB/T 15856.3—2002) mm |
|||||||||
|
|
|||||||||
|
标记示例: 螺纹规格ST3.5、公称长度l=16mm、H型槽、镀锌钝化的十字槽半沉头自钻自攻螺钉的标记: 自攻螺钉 GB/T 15856.3 ST3.5×16 |
|||||||||
|
螺 纹 规 格 |
ST2.9 |
ST3.5 |
ST4.2 |
ST4.8 |
ST5.5 |
ST6.3 |
|||
|
P |
1.1 |
1.3 |
1.4 |
1.6 |
1.8 |
1.8 |
|||
|
a max |
1.1 |
1.3 |
1.4 |
1.6 |
1.8 |
1.8 |
|||
|
dk |
理论值 |
max |
6.5 |
8.2 |
9.4 |
10.1 |
11.5 |
12.6 |
|
|
实际值 |
max |
5.5 |
7.3 |
8.4 |
9.3 |
10.3 |
11.3 |
||
|
min |
5.2 |
6.9 |
8.0 |
8.9 |
9.09 |
10.9 |
|||
|
f ≈ |
0.7 |
0.8 |
1 |
1.2 |
1.3 |
1.4 |
|||
|
k max |
1.7 |
2.35 |
2.6 |
2.8 |
3 |
3.15 |
|||
|
r max |
1.2 |
1.4 |
1.6 |
2 |
2.2 |
2.4 |
|||
|
rf ≈ |
6 |
8.5 |
9.5 |
9.5 |
11 |
12 |
|||
|
十字槽 |
槽号No. |
1 |
2 |
3 |
|||||
|
H 型 |
m 参考 |
3.4 |
4.8 |
5.2 |
5.4 |
6.7 |
7.3 |
||
|
插入深度 |
max |
2.2 |
2.75 |
3.2 |
3.4 |
3.45 |
4.0 |
||
|
min |
1.8 |
2.25 |
2.7 |
2.9 |
2.95 |
3.5 |
|||
|
Z 型 |
m 参考 |
3.3 |
4.8 |
5.2 |
5.6 |
6.6 |
7.2 |
||
|
插入深度 |
max |
2.1 |
2.70 |
3.10 |
3.35 |
3.40 |
3.85 |
||
|
min |
1.8 |
2.25 |
2.65 |
2.90 |
2.95 |
3.40 |
|||
|
钻削范围 (板厚) |
≥ |
0.7 |
0.7 |
1.75 |
1.75 |
1.75 |
2 |
||
|
≤ |
1.9 |
2.25 |
3 |
4.4 |
5.25 |
6 |
|||
|
l 商品规格范围 |
13~19 |
13~25 |
13~38 |
13~50 |
16~50 |
19~50 |
|||
|
l 公称长度系列 |
13,16,19,22,25,32,38,45,50 |
||||||||
|
技术条件和引用标准 |
|||||||||
|
材 料 |
种 类 |
钢 |
|||||||
|
标 准 |
GB/T 3098.11 |
||||||||
|
螺 纹 |
GB/T 5280 |
||||||||
|
十字槽 |
GB/T 944.1 |
||||||||
|
机械和工作性能 |
GB/T 3098.11 |
||||||||
|
公 差 |
产品等级 |
A |
|||||||
|
标 准 |
GB/T 3103.1 |
||||||||
|
表面处理 |
不经表面处理; 电镀技术要求按GB/T 5267.1 |
||||||||
|
验收及包装 |
GB/T 90.1、GB/T 90.2 |
||||||||
|
质量 kg |
||||||
|
螺纹规格 |
ST2.9 |
ST3.5 |
ST4.2 |
ST4.8 |
ST5.5 |
ST6.3 |
|
公称长度/mm |
每1000件钢制品的质量 ≈ |
|||||
|
13 |
0.50 |
0.82 |
1.25 |
1.70 |
|
|
|
16 |
0.59 |
0.96 |
1.45 |
1.94 |
2.47 |
|
|
19 |
0.68 |
1.09 |
1.65 |
2.20 |
2.82 |
3.81 |
|
22 |
|
1.23 |
1.85 |
2.47 |
3.17 |
4.29 |
|
25 |
|
1.37 |
2.05 |
2.73 |
3.52 |
4.77 |
|
32 |
|
|
2.50 |
3.35 |
4.34 |
5.89 |
|
38 |
|
|
2.90 |
3.88 |
5.05 |
6.85 |
|
45 |
|
|
|
4.50 |
5.87 |
7.97 |
|
50 |
|
|
|
4.95 |
6.46 |
8.77 |

