|
锯齿形(3°、30°)螺纹基本尺寸(GB/T 13576.3—2008) |
||||||
|
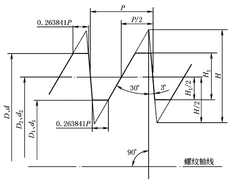
基本牙型 D—内螺纹大径;d1—外螺纹小径;d—外螺纹大径;P—螺距; D2—内螺纹中径;H—原始三角形高度;d2—外螺纹中径; H1—基本牙型高度;D1—内螺纹小径;
内、外螺纹的设计牙型 H1=0.75P; D2=d2=d-H1=d-0.75P; ac=0.117767P; D1=d-2H1=d-1.5P; h3=H1+ac=0.867767P; d3=d-2h3=d-1.735534P; D=d; R=0.124271P; H=1.587911P; 牙顶宽=牙底宽=0.263841P mm |
||||||
|
公称直径 d |
螺距 P |
中径 d2=D2 |
小 径 |
|||
|
第一系列 |
第二系列 |
第三系列 |
d3 |
D1 |
||
|
10 |
|
|
2 |
8.500 |
6.529 |
7.000 |
|
12 |
|
|
2 |
10.500 |
8.529 |
9.000 |
|
3 |
9.750 |
6.793 |
7.500 |
|||
|
|
14 |
|
2 |
12.500 |
10.529 |
11.000 |
|
3 |
11.750 |
8.793 |
9.500 |
|||
|
16 |
|
|
2 |
14.500 |
12.529 |
13.000 |
|
4 |
13.500 |
9.058 |
10.000 |
|||
|
|
18 |
|
2 |
16.500 |
14.529 |
15.000 |
|
4 |
15.000 |
11.058 |
12.000 |
|||
|
20 |
|
|
2 |
18.500 |
16.529 |
17.000 |
|
4 |
17.000 |
13.058 |
14.000 |
|||
|
|
22 |
|
3 |
19.750 |
16.793 |
17.500 |
|
5 |
18.250 |
13.322 |
14.500 |
|||
|
8 |
16.000 |
8.116 |
10.000 |
|||
|
24 |
|
|
3 |
21.750 |
18.793 |
19.500 |
|
5 |
20.250 |
15.322 |
16.500 |
|||
|
8 |
18.000 |
10.116 |
12.000 |
|||
|
|
26 |
|
3 |
23.750 |
20.793 |
21.500 |
|
5 |
22.250 |
17.322 |
18.500 |
|||
|
8 |
20.000 |
12.116 |
14.000 |
|||
|
28 |
|
|
3 |
25.750 |
22.793 |
23.500 |
|
5 |
24.250 |
19.322 |
20.500 |
|||
|
8 |
22.000 |
14.116 |
16.000 |
|||
|
|
30 |
|
3 |
27.750 |
24.793 |
25.500 |
|
6 |
25.500 |
19.587 |
21.000 |
|||
|
10 |
22.500 |
12.645 |
15.000 |
|||
|
32 |
|
|
3 |
29.750 |
26.793 |
27.500 |
|
6 |
27.500 |
21.587 |
23.000 |
|||
|
10 |
24.500 |
14.645 |
17.000 |
|||
|
|
34 |
|
3 |
31.750 |
28.793 |
29.500 |
|
6 |
29.500 |
23.587 |
25.000 |
|||
|
10 |
26.500 |
16.645 |
19.000 |
|||
|
36 |
|
|
3 |
33.750 |
30.793 |
31.500 |
|
6 |
31.500 |
25.587 |
27.000 |
|||
|
10 |
28.500 |
18.645 |
21.000 |
|||
|
|
38 |
|
3 |
35.750 |
32.793 |
33.500 |
|
7 |
32.750 |
25.851 |
27.500 |
|||
|
10 |
30.500 |
20.645 |
23.000 |
|||
|
40 |
|
|
3 |
37.750 |
34.793 |
35.500 |
|
7 |
34.750 |
27.851 |
29.500 |
|||
|
10 |
32.500 |
22.645 |
25.000 |
|||
|
|
42 |
|
3 |
39.750 |
36.793 |
37.500 |
|
7 |
36.750 |
29.851 |
31.500 |
|||
|
10 |
34.500 |
24.645 |
27.000 |
|||
|
44 |
|
|
3 |
41.750 |
38.793 |
39.500 |
|
7 |
38.750 |
31.851 |
33.500 |
|||
|
12 |
35.000 |
23.174 |
26.000 |
|||
|
|
46 |
|
3 |
43.750 |
40.793 |
41.500 |
|
8 |
40.000 |
32.116 |
34.000 |
|||
|
12 |
37.000 |
25.174 |
28.000 |
|||
|
48 |
|
|
3 |
45.750 |
42.793 |
43.500 |
|
8 |
42.000 |
34.116 |
36.000 |
|||
|
12 |
39.000 |
27.174 |
30.000 |
|||
|
|
50 |
|
3 |
47.750 |
44.793 |
45.500 |
|
8 |
44.000 |
36.116 |
38.000 |
|||
|
12 |
41.000 |
29.174 |
32.000 |
|||
|
52 |
|
|
3 |
49.750 |
46.793 |
47.500 |
|
8 |
46.000 |
38.116 |
40.000 |
|||
|
12 |
43.000 |
31.174 |
34.000 |
|||
|
|
55 |
|
3 |
52.750 |
49.793 |
50.500 |
|
9 |
48.250 |
39.380 |
41.500 |
|||
|
14 |
44.500 |
30.703 |
34.000 |
|||
|
60 |
|
|
3 |
57.750 |
54.793 |
55.500 |
|
9 |
53.250 |
44.380 |
46.500 |
|||
|
14 |
49.500 |
35.703 |
39.000 |
|||
|
|
65 |
|
4 |
62.000 |
58.058 |
59.000 |
|
10 |
57.500 |
47.645 |
50.000 |
|||
|
16 |
53.000 |
37.231 |
41.000 |
|||
|
70 |
|
|
4 |
67.000 |
63.058 |
64.000 |
|
10 |
62.500 |
52.645 |
55.000 |
|||
|
16 |
58.000 |
42.231 |
46.000 |
|||
|
|
75 |
|
4 |
72.000 |
68.058 |
69.000 |
|
10 |
67.500 |
57.645 |
60.000 |
|||
|
16 |
63.000 |
47.231 |
51.000 |
|||
|
80 |
|
|
4 |
77.000 |
73.058 |
74.000 |
|
10 |
72.500 |
62.645 |
65.000 |
|||
|
16 |
68.000 |
52.231 |
56.000 |
|||
|
|
85 |
|
4 |
82.000 |
78.058 |
79.000 |
|
12 |
76.000 |
64.174 |
67.000 |
|||
|
18 |
71.500 |
53.760 |
58.000 |
|||
|
90 |
|
|
4 |
87.000 |
83.058 |
84.000 |
|
12 |
81.000 |
69.174 |
72.000 |
|||
|
18 |
76.500 |
58.760 |
63.000 |
|||
|
|
95 |
|
4 |
92.000 |
88.058 |
89.000 |
|
12 |
86.000 |
74.174 |
77.000 |
|||
|
18 |
81.500 |
63.760 |
68.000 |
|||
|
100 |
|
|
4 |
97.000 |
93.058 |
94.000 |
|
12 |
91.000 |
79.174 |
82.000 |
|||
|
20 |
85.000 |
65.289 |
70.000 |
|||
|
|
|
105 |
4 |
102.000 |
98.058 |
99.000 |
|
12 |
96.000 |
84.174 |
87.000 |
|||
|
20 |
90.000 |
70.289 |
75.000 |
|||
|
|
110 |
|
4 |
107.000 |
103.058 |
104.000 |
|
12 |
101.000 |
89.174 |
92.000 |
|||
|
20 |
95.000 |
75.289 |
80.000 |
|||
|
|
|
115 |
6 |
110.500 |
104.587 |
106.000 |
|
14 |
104.500 |
90.703 |
94.000 |
|||
|
22 |
98.500 |
76.818 |
82.000 |
|||
|
120 |
|
|
6 |
115.500 |
109.587 |
111.000 |
|
14 |
109.500 |
95.703 |
99.000 |
|||
|
22 |
103.500 |
81.818 |
87.000 |
|||
|
|
|
125 |
6 |
120.500 |
114.587 |
116.000 |
|
14 |
114.500 |
100.703 |
104.000 |
|||
|
22 |
108.500 |
86.818 |
92.000 |
|||
|
|
130 |
|
6 |
125.500 |
119.587 |
121.000 |
|
14 |
119.500 |
105.703 |
109.000 |
|||
|
22 |
113.500 |
91.818 |
97.000 |
|||
|
|
|
135 |
6 |
130.500 |
124.587 |
126.000 |
|
14 |
124.500 |
110.703 |
114.000 |
|||
|
24 |
117.000 |
93.347 |
99.000 |
|||
|
140 |
|
|
6 |
135.500 |
129.587 |
131.000 |
|
14 |
129.500 |
115.703 |
119.000 |
|||
|
24 |
122.000 |
98.347 |
104.000 |
|||
|
|
|
145 |
6 |
140.500 |
134.587 |
136.000 |
|
14 |
134.500 |
120.703 |
124.000 |
|||
|
24 |
127.000 |
103.347 |
109.000 |
|||
|
|
150 |
|
6 |
145.500 |
139.587 |
141.000 |
|
16 |
138.000 |
122.231 |
126.000 |
|||
|
24 |
132.000 |
108.347 |
114.000 |
|||
|
|
|
155 |
6 |
150.500 |
144.587 |
146.000 |
|
16 |
143.000 |
127.231 |
131.000 |
|||
|
24 |
137.000 |
113.347 |
119.000 |
|||
|
160 |
|
|
6 |
155.500 |
149.587 |
151.000 |
|
16 |
148.000 |
132.231 |
136.000 |
|||
|
28 |
139.000 |
111.405 |
118.000 |
|||
|
|
|
165 |
6 |
160.500 |
154.587 |
156.000 |
|
16 |
153.000 |
137.231 |
141.000 |
|||
|
28 |
144.000 |
116.405 |
123.000 |
|||
|
|
170 |
|
6 |
165.500 |
159.587 |
161.000 |
|
16 |
158.000 |
142.231 |
146.000 |
|||
|
28 |
149.000 |
121.405 |
128.000 |
|||
|
|
|
175 |
8 |
169.000 |
161.116 |
163.000 |
|
16 |
163.000 |
147.231 |
151.000 |
|||
|
28 |
154.000 |
126.405 |
133.000 |
|||
|
180 |
|
|
8 |
174.000 |
166.116 |
168.000 |
|
18 |
166.500 |
148.760 |
153.000 |
|||
|
28 |
159.000 |
131.405 |
138.000 |
|||
|
|
|
185 |
8 |
179.000 |
171.116 |
173.000 |
|
18 |
171.500 |
153.760 |
158.000 |
|||
|
32 |
161.000 |
129.463 |
137.000 |
|||
|
|
190 |
|
8 |
184.000 |
176.116 |
178.000 |
|
18 |
176.500 |
158.760 |
163.000 |
|||
|
32 |
166.000 |
134.463 |
142.000 |
|||
|
|
|
195 |
8 |
189.000 |
181.116 |
183.000 |
|
18 |
181.500 |
163.760 |
168.000 |
|||
|
32 |
171.000 |
139.463 |
147.000 |
|||
|
200 |
|
|
8 |
194.000 |
186.116 |
188.000 |
|
18 |
186.500 |
168.760 |
173.000 |
|||
|
32 |
176.000 |
144.463 |
152.000 |
|||
|
|
210 |
|
8 |
204.000 |
196.116 |
198.000 |
|
20 |
195.000 |
175.289 |
180.000 |
|||
|
36 |
183.000 |
147.521 |
156.000 |
|||
|
220 |
|
|
8 |
214.000 |
206.116 |
208.000 |
|
20 |
205.000 |
185.289 |
190.000 |
|||
|
36 |
193.000 |
157.521 |
166.000 |
|||
|
|
230 |
|
8 |
224.000 |
216.116 |
218.000 |
|
20 |
215.000 |
195.289 |
200.000 |
|||
|
36 |
203.000 |
167.521 |
176.000 |
|||
|
240 |
|
|
8 |
234.000 |
226.116 |
228.000 |
|
22 |
223.500 |
201.818 |
207.000 |
|||
|
36 |
213.000 |
177.521 |
186.000 |
|||
|
|
250 |
|
12 |
241.000 |
229.174 |
232.000 |
|
22 |
233.500 |
211.818 |
217.000 |
|||
|
40 |
220.000 |
180.578 |
190.000 |
|||
|
260 |
|
|
12 |
251.000 |
239.174 |
242.000 |
|
22 |
243.500 |
221.818 |
227.000 |
|||
|
40 |
230.000 |
190.579 |
200.000 |
|||
|
|
270 |
|
12 |
261.000 |
249.174 |
252.000 |
|
24 |
252.000 |
228.347 |
234.000 |
|||
|
40 |
240.000 |
200.579 |
210.000 |
|||
|
280 |
|
|
12 |
271.000 |
259.174 |
262.000 |
|
24 |
262.000 |
238.347 |
244.000 |
|||
|
40 |
250.000 |
210.579 |
220.000 |
|||
|
|
290 |
|
12 |
281.000 |
269.174 |
272.000 |
|
24 |
272.000 |
248.347 |
254.000 |
|||
|
44 |
257.000 |
213.637 |
224.000 |
|||
|
300 |
|
|
12 |
291.000 |
279.174 |
282.000 |
|
24 |
282.000 |
258.347 |
264.000 |
|||
|
44 |
267.000 |
223.637 |
234.000 |
|||
|
|
320 |
|
12 |
311.000 |
299.174 |
302.000 |
|
44 |
287.000 |
243.637 |
254.000 |
|||
|
340 |
|
|
12 |
331.000 |
319.174 |
322.000 |
|
44 |
307.000 |
263.637 |
274.000 |
|||
|
|
360 |
|
12 |
351.000 |
339.174 |
342.000 |
|
380 |
|
|
12 |
371.000 |
359.174 |
362.000 |
|
|
400 |
|
12 |
391.000 |
379.174 |
382.000 |
|
420 |
|
|
18 |
406.500 |
388.760 |
393.000 |
|
|
440 |
|
18 |
426.500 |
408.760 |
413.000 |
|
460 |
|
|
18 |
446.500 |
428.760 |
433.000 |
|
|
480 |
|
18 |
466.500 |
448.760 |
453.000 |
|
500 |
|
|
18 |
486.500 |
468.760 |
473.000 |
|
|
520 |
|
24 |
502.000 |
478.347 |
484.000 |
|
540 |
|
|
24 |
522.000 |
498.347 |
504.000 |
|
|
560 |
|
24 |
542.000 |
518.347 |
524.000 |
|
580 |
|
|
24 |
562.000 |
538.347 |
544.000 |
|
|
600 |
|
24 |
582.000 |
558.347 |
564.000 |
|
620 |
|
|
24 |
602.000 |
578.347 |
584.000 |
|
|
640 |
|
24 |
622.000 |
598.347 |
604.000 |


