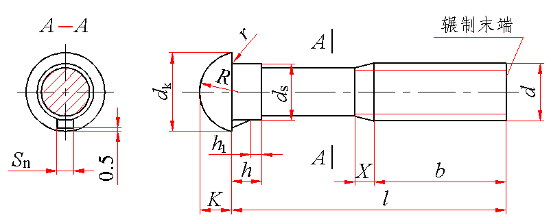
半圆头带榫螺栓(GB/T 13—2013) mm | |||||||||||||||||
| |||||||||||||||||
螺纹末端按GB/T 2规定;无螺纹部分杆径约等于螺纹中径或螺纹大径 | |||||||||||||||||
标记示例: 螺纹规格d=M10、公称长度l=70mm、性能等级为4.8级、不经表面处理的半圆头带榫螺栓的标记: 螺栓 GB/T 13 M10×70 | |||||||||||||||||
螺纹规格 d | b | dk | Sn | h1 | K | ds | h min | r min | R | X max | l的范围 | ||||||
l<125 | 125<l≤200 | max | min | max | min | max | min | max | min | max | min | ||||||
M6 | 18 | — | 12.1 | 10.3 | 2.7 | 2.3 | 2.7 | 2.3 | 4.08 | 3.2 | 6.48 | 5.52 | 4 | 0.5 | 6 | 2.5 | 20~60 |
M8 | 22 | 28 | 15.1 | 13.3 | 2.7 | 2.3 | 3.2 | 2.8 | 5.28 | 4.4 | 8.58 | 7.42 | 5 | 0.5 | 7.5 | 3.2 | 20~80 |
M10 | 26 | 32 | 18.1 | 16.3 | 3.8 | 3.2 | 3.8 | 3.2 | 6.48 | 5.6 | 10.58 | 9.42 | 6 | 0.5 | 9 | 3.8 | 30~100 |
M12 | 30 | 36 | 22.3 | 20.16 | 3.8 | 3.2 | 4.3 | 3.7 | 8.9 | 7.55 | 12.7 | 11.3 | 7 | 0.8 | 11 | 4.3 | 35~120 |
(M14) | 34 | 40 | 25.3 | 23.16 | 4.8 | 4.2 | 5.3 | 4.7 | 9.9 | 8.55 | 14.7 | 13.3 | 8 | 0.8 | 13 | 5 | 35~140 |
M16 | 38 | 44 | 29.3 | 27.16 | 4.8 | 4.2 | 5.3 | 4.7 | 10.9 | 9.55 | 16.7 | 15.3 | 9 | 1 | 15 | 5 | 50~160 |
M20 | 46 | 52 | 35.6 | 33 | 4.8 | 4.2 | 6.3 | 5.7 | 13.1 | 11.45 | 20.84 | 19.16 | 11 | 1 | 18 | 6.3 | 60~200 |
M24 | 54 | 60 | 43.6 | 41 | 6.3 | 5.7 | 7.4 | 6.6 | 17.1 | 15.45 | 24.84 | 23.16 | 13 | 1.5 | 22 | 7.5 | 80~200 |
技术条件 | 材料 | 螺纹公差 | 机械性能等级 | 产品等级 | 表面处理 | ||||||||||||
钢 | 8g | 3.6、4.6、4.8 | C级 | 1.不经处理;2.氧化;3.镀锌钝化 | |||||||||||||
公称长度l的商品规格系列: mm | |||||||||||
公称 | 20 | 25 | 30 | 35 | 40 | 45 | 50 | (55) | 60 | (65) | 70 |
min | 18.95 | 23.95 | 28.95 | 33.75 | 38.75 | 43.75 | 48.75 | 53.5 | 58.5 | 63.5 | 68.5 |
max | 21.05 | 26.05 | 31.05 | 36.25 | 41.25 | 46.25 | 51.25 | 56.5 | 61.5 | 66.5 | 71.5 |
公称 | 80 | 90 | 100 | 110 | 120 | 130 | 140 | 150 | 160 | 180 | 200 |
min | 78.5 | 88.25 | 98.25 | 108.25 | 118.25 | 128 | 138 | 148 | 156 | 176 | 195.4 |
max | 81.5 | 91.75 | 101.75 | 111.75 | 121.75 | 132 | 142 | 152 | 164 | 184 | 204.6 |
注:1.尽可能不采用括号内的规格。 2.长度l不能满足表中b规定的螺纹长度时,应制成全螺纹。 | |||||||||||
质量 kg | ||||||||
螺纹规格 | M6 | M8 | M10 | M12 | M14 | M16 | M20 | M24 |
公称长度/mm | 每1000件钢制品的质量≈ | |||||||
20 | 4.77 | 9.27 | | | | | | |
25 | 5.62 | 10.83 | | | | | | |
30 | 6.48 | 12.38 | 20.65 | | | | | |
35 | 7.34 | 13.94 | 23.10 | 37.45 | 53.51 | | | |
40 | 8.20 | 15.49 | 25.56 | 41.02 | 58.39 | | | |
45 | 9.05 | 17.05 | 28.02 | 44.58 | 63.26 | | | |
50 | 9.91 | 18.60 | 30.47 | 48.14 | 68.14 | 93.38 | | |
55 | 10.77 | 20.16 | 32.93 | 51.70 | 73.01 | 99.93 | | |
60 | 11.62 | 21.71 | 35.38 | 55.27 | 77.89 | 106.5 | 171.2 | |
65 | | 23.27 | 37.84 | 58.83 | 82.76 | 113.0 | 181.5 | |
70 | | 24.82 | 40.29 | 62.39 | 87.64 | 119.6 | 191.7 | |
80 | | 27.93 | 45.21 | 69.51 | 97.38 | 132.6 | 212.2 | 340.1 |
90 | | | 50.12 | 76.64 | 107.1 | 145.7 | 232.7 | 369.6 |
100 | | | 55.03 | 83.76 | 116.9 | 158.8 | 253.2 | 399.1 |
110 | | | | 90.89 | 126.6 | 171.9 | 273.6 | 428.6 |
120 | | | | 98.01 | 136.4 | 185.0 | 294.1 | 458.1 |
130 | | | | | 146.1 | 198.1 | 314.6 | 487.6 |
140 | | | | | 155.9 | 211.2 | 335.1 | 517.1 |
150 | | | | | | 224.2 | 355.5 | 546.6 |
160 | | | | | | 237.3 | 376.0 | 576.1 |
180 | | | | | | | 417.0 | 635.1 |
200 | | | | | | | 457.9 | 694.1 |

