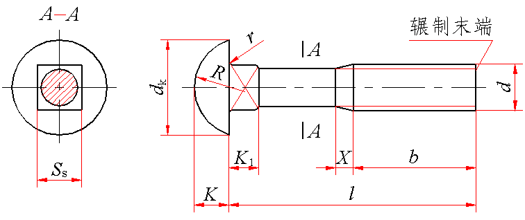
半圆头方颈螺栓(GB/T 12—2013) mm | ||||||||||||||
| ||||||||||||||
螺纹末端按GB/T 2规定;无螺纹部分杆径约等于螺纹中径或螺纹大径 | ||||||||||||||
标记示例: 螺纹规格d=M10、公称长度l=70mm、性能等级为4.8级、不经表面处理的半圆头方颈螺栓的标记: 螺栓 GB/T 12 M10×70 | ||||||||||||||
螺纹规格 d | b | dk | K1 | K | Ss | r min | R | X max | l的范围 | |||||
l≤125 | 125<l≤200 | max | min | max | min | max | min | max | min | |||||
M6 | 18 | — | 13.1 | 11.3 | 4.4 | 3.6 | 4.08 | 3.2 | 6.3 | 5.84 | 0.5 | 7 | 2.5 | 16~60 |
M8 | 22 | 28 | 17.1 | 15.3 | 5.4 | 4.6 | 5.28 | 4.4 | 8.36 | 7.8 | 0.5 | 9 | 3.2 | 16~80 |
M10 | 26 | 32 | 21.3 | 19.16 | 6.4 | 5.6 | 6.48 | 5.6 | 10.36 | 9.8 | 0.5 | 11 | 3.8 | 25~100 |
M12 | 30 | 36 | 25.3 | 23.16 | 8.45 | 7.55 | 8.9 | 7.55 | 12.43 | 11.76 | 0.8 | 13 | 4.3 | 30~120 |
(M14) | 34 | 40 | 29.3 | 27.16 | 9.45 | 8.55 | 9.9 | 8.55 | 14.43 | 13.76 | 0.8 | 15 | 5 | 40~140 |
M16 | 38 | 44 | 33.6 | 31 | 10.45 | 9.55 | 10.9 | 9.55 | 16.43 | 15.76 | 1 | 18 | 5 | 45~160 |
M20 | 46 | 52 | 41.6 | 39 | 12.55 | 11.45 | 13.1 | 11.45 | 20.52 | 19.22 | 1 | 22 | 6.3 | 60~200 |
技术条件 | 材料 | 螺纹公差 | 机械性能等级 | 产品等级 | 表面处理 | |||||||||
钢 | 8g | 3.6、4.6、4.8 | C级 | 1.不经处理;2.氧化;3.镀锌钝化 | ||||||||||
公称长度l的商品规格系列: mm | ||||||||||||
公称 | 16 | 20 | 25 | 30 | 35 | 40 | 45 | 50 | (55) | 60 | (65) | 70 |
min | 15.1 | 18.95 | 23.95 | 28.95 | 33.75 | 38.75 | 43.75 | 48.75 | 53.5 | 58.5 | 63.5 | 68.5 |
max | 16.9 | 21.05 | 26.05 | 31.05 | 36.25 | 41.25 | 46.25 | 51.25 | 56.5 | 61.5 | 66.5 | 71.5 |
公称 | 80 | 90 | 100 | 110 | 120 | 130 | 140 | 150 | 160 | 180 | 200 | |
min | 78.5 | 88.25 | 98.25 | 108.25 | 118.25 | 128 | 138 | 148 | 156 | 176 | 195.4 | |
max | 81.5 | 91.75 | 101.75 | 111.75 | 121.75 | 132 | 142 | 152 | 164 | 184 | 204.6 | |
注:1.尽可能不采用括号内的规格。 2.长度l不能满足表中规定的螺纹长度时,应制成全螺纹。 | ||||||||||||
质量 kg | |||||||
螺纹规格 | M6 | M8 | M10 | M12 | M14 | M16 | M20 |
公称长度/mm | 每1000件钢制品的质量≈ | ||||||
16 | 4.57 | 9.30 | | | | | |
20 | 5.26 | 10.55 | | | | | |
25 | 6.12 | 12.10 | 20.74 | | | | |
30 | 6.97 | 13.66 | 23.20 | 38.78 | | | |
35 | 7.83 | 15.21 | 25.65 | 42.34 | | | |
40 | 8.69 | 16.77 | 28.11 | 45.91 | 65.05 | | |
45 | 9.54 | 18.32 | 30.57 | 49.47 | 69.93 | 98.0 | |
50 | 10.40 | 19.88 | 33.02 | 53.03 | 74.80 | 104.5 | |
55 | 11.26 | 21.43 | 35.48 | 56.59 | 79.68 | 111.1 | |
60 | 12.12 | 22.99 | 37.93 | 60.15 | 84.55 | 117.6 | 190.8 |
65 | | 24.54 | 40.39 | 63.72 | 89.42 | 124.2 | 201.1 |
70 | | 26.10 | 42.84 | 67.28 | 94.30 | 130.7 | 211.3 |
80 | | 29.21 | 47.76 | 74.40 | 104.1 | 143.8 | 231.8 |
90 | | | 52.67 | 81.53 | 113.8 | 156.9 | 252.3 |
100 | | | 57.58 | 88.65 | 123.6 | 170.0 | 272.7 |
110 | | | | 95.78 | 133.3 | 183.1 | 293.2 |
120 | | | | 102.9 | 143.0 | 196.1 | 313.7 |
130 | | | | | 152.8 | 209.2 | 334.2 |
140 | | | | | 162.5 | 222.3 | 354.7 |
150 | | | | | | 235.4 | 375.1 |
160 | | | | | | 248.5 | 395.6 |
180 | | | | | | | 436.6 |
200 | | | | | | | 477.5 |

