|
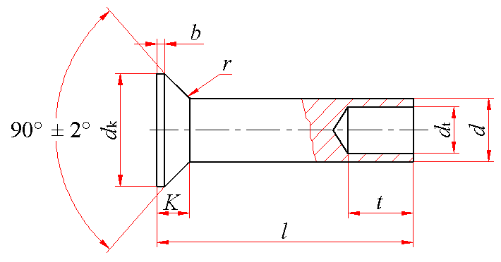
沉头半空心铆钉(GB/T 1015—1986) mm |
||||||||||||||
|
|
||||||||||||||
|
标记示例: 公称直径d=6mm、公称长度l=30mm、材料为BL2、不经表面处理的沉头半空心铆钉的标记: 铆钉 GB/T 1015 6×30 |
||||||||||||||
|
d |
dk |
dt |
t |
K ≈ |
r max |
b max |
l的范围 |
|||||||
|
黑色 |
有色 |
|||||||||||||
|
公称 |
max |
min |
max |
min |
max |
min |
max |
min |
max |
min |
||||
|
1.4 |
1.46 |
1.34 |
2.83 |
2.57 |
0.77 |
0.65 |
0.77 |
0.65 |
1.64 |
1.16 |
0.7 |
0.1 |
0.2 |
3~8 |
|
(1.6) |
1.66 |
1.54 |
3.03 |
2.77 |
0.87 |
0.75 |
0.87 |
0.75 |
1.84 |
1.36 |
0.7 |
0.1 |
0.2 |
3~10 |
|
2 |
2.06 |
1.94 |
4.05 |
3.75 |
1.12 |
0.94 |
1.12 |
0.94 |
2.24 |
1.76 |
1 |
0.1 |
0.2 |
4~14 |
|
2.5 |
2.56 |
2.44 |
4.75 |
4.45 |
1.62 |
1.44 |
1.62 |
1.44 |
2.74 |
2.26 |
1.1 |
0.1 |
0.2 |
5~16 |
|
3 |
3.06 |
2.94 |
5.35 |
5.05 |
2.12 |
1.94 |
2.12 |
1.94 |
3.24 |
2.76 |
1.2 |
0.1 |
0.2 |
6~18 |
|
(3.5) |
3.58 |
3.42 |
6.28 |
5.92 |
2.32 |
2.14 |
2.32 |
2.14 |
3.79 |
3.21 |
1.4 |
0.3 |
0.4 |
8~20 |
|
4 |
4.08 |
3.92 |
7.18 |
6.82 |
2.62 |
2.44 |
2.52 |
2.34 |
4.29 |
3.71 |
1.6 |
0.3 |
0.4 |
8~24 |
|
5 |
5.08 |
4.92 |
8.98 |
8.62 |
3.66 |
3.42 |
3.46 |
3.22 |
5.29 |
4.71 |
2 |
0.3 |
0.4 |
10~40 |
|
6 |
6.08 |
5.92 |
10.62 |
10.18 |
4.66 |
4.42 |
4.16 |
3.92 |
6.29 |
5.71 |
2.4 |
0.3 |
0.4 |
12~40 |
|
8 |
8.1 |
7.9 |
14.22 |
13.78 |
6.16 |
5.92 |
4.66 |
4.42 |
8.35 |
7.65 |
3.2 |
0.3 |
0.4 |
14~50 |
|
10 |
10.1 |
9.9 |
17.82 |
17.38 |
7.7 |
7.4 |
7.7 |
7.4 |
10.35 |
9.65 |
4 |
0.3 |
0.4 |
18~50 |
|
注:① 尽可能不采用括号内的规格。 ② dt栏内“黑色”适用于由钢材制成的铆钉,“有色”适用于由铝或铜材制成的铆钉。 |
||||||||||||||
|
公称长度l的通用规格系列: mm |
||||||||||||||
|
公称 |
3 |
4 |
5 |
6 |
7 |
8 |
10 |
12 |
14 |
16 |
18 |
20 |
22 |
24 |
|
min |
2.8 |
3.76 |
4.76 |
5.76 |
6.71 |
7.71 |
9.71 |
11.65 |
13.65 |
15.65 |
17.65 |
19.58 |
21.58 |
23.58 |
|
max |
3.2 |
4.24 |
5.24 |
6.24 |
7.29 |
8.29 |
10.29 |
12.35 |
14.35 |
16.35 |
18.35 |
20.42 |
22.42 |
24.42 |
|
公称 |
26 |
28 |
30 |
32 |
34 |
36 |
38 |
40 |
42 |
44 |
46 |
48 |
50 |
|
|
min |
25.58 |
27.58 |
29.58 |
31.5 |
33.5 |
35.5 |
37.5 |
39.5 |
41.5 |
43.5 |
45.5 |
47.5 |
49.5 |
|
|
max |
26.42 |
28.42 |
30.42 |
32.5 |
34.5 |
36.5 |
38.5 |
40.5 |
42.5 |
44.5 |
46.5 |
48.5 |
50.5 |
|
|
质量 kg |
|||||||||||
|
公称直径/mm |
1.4 |
1.6 |
2 |
2.5 |
3 |
3.5 |
4 |
5 |
6 |
8 |
10 |
|
公称长度/mm |
每1000件钢制品的质量 ≈ |
||||||||||
|
3 |
0.05 |
0.06 |
|
|
|
|
|
|
|
|
|
|
4 |
0.06 |
0.08 |
0.14 |
|
|
|
|
|
|
|
|
|
5 |
0.07 |
0.09 |
0.16 |
0.24 |
|
|
|
|
|
|
|
|
6 |
0.08 |
0.11 |
0.19 |
0.28 |
0.37 |
|
|
|
|
|
|
|
7 |
0.10 |
0.12 |
0.21 |
0.31 |
0.43 |
|
|
|
|
|
|
|
8 |
0.11 |
0.14 |
0.23 |
0.35 |
0.48 |
0.68 |
0.91 |
|
|
|
|
|
10 |
|
0.17 |
0.28 |
0.43 |
0.59 |
0.83 |
1.11 |
1.71 |
|
|
|
|
12 |
|
|
0.33 |
0.51 |
0.70 |
0.98 |
1.30 |
2.01 |
2.79 |
|
|
|
14 |
|
|
0.38 |
0.58 |
0.81 |
1.13 |
1.50 |
2.32 |
3.23 |
5.90 |
|
|
16 |
|
|
|
0.66 |
0.92 |
1.28 |
1.69 |
2.63 |
3.68 |
6.68 |
|
|
18 |
|
|
|
|
1.03 |
1.43 |
1.89 |
2.93 |
4.12 |
7.46 |
11.89 |
|
20 |
|
|
|
|
|
1.58 |
2.09 |
3.24 |
4.56 |
8.25 |
13.12 |
|
22 |
|
|
|
|
|
|
2.28 |
3.54 |
5.00 |
9.03 |
14.34 |
|
24 |
|
|
|
|
|
|
2.48 |
3.85 |
5.44 |
9.82 |
15.57 |
|
26 |
|
|
|
|
|
|
|
4.16 |
5.88 |
10.60 |
16.79 |
|
28 |
|
|
|
|
|
|
|
4.46 |
6.32 |
11.38 |
18.02 |
|
30 |
|
|
|
|
|
|
|
4.77 |
6.76 |
12.17 |
19.24 |
|
32 |
|
|
|
|
|
|
|
5.08 |
7.20 |
12.95 |
20.47 |
|
34 |
|
|
|
|
|
|
|
5.38 |
7.64 |
13.74 |
21.70 |
|
36 |
|
|
|
|
|
|
|
5.69 |
8.09 |
14.52 |
22.92 |
|
38 |
|
|
|
|
|
|
|
5.99 |
8.53 |
15.31 |
24.15 |
|
40 |
|
|
|
|
|
|
|
6.30 |
8.97 |
16.09 |
25.37 |
|
42 |
|
|
|
|
|
|
|
|
|
16.87 |
26.60 |
|
44 |
|
|
|
|
|
|
|
|
|
17.66 |
27.82 |
|
46 |
|
|
|
|
|
|
|
|
|
18.44 |
29.05 |
|
48 |
|
|
|
|
|
|
|
|
|
19.23 |
30.27 |
|
50 |
|
|
|
|
|
|
|
|
|
20.01 |
31.50 |

