|
交流激励型磁力轴承承载力与刚度公式 |
|||
|
轴承 类型 |
径 向 轴 承 |
双 向 止 推 轴 承 |
|
|
串 联 调 谐 |
并 联 调 谐 |
||
|
示 意 图 |
|
|
|
|
荐 用 参 数 |
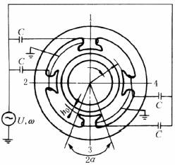
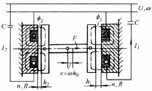
气隙磁通密度 Ba=(0.05~0.3)T 铁心磁通密度 Be≤0.6BsT
激磁频率 f >400Hz h0=(0.25~0.5)×10-3m |
品质因数 Q0>10、Q≈1
Bs 为饱和磁通密度,T;轴承间隙 h0=(h1+h2)/2=(0.25~0.5)×10-3m 激磁频率f=400~13000Hz |
|
|
承 载 能 力 与 刚 度 |
|
|
|
|
功耗 |
2.83IU |
1.41IU |
|
|
备 注 |
Km—— 磁极系数,不超过 8 级为1; Q0—— 品质因数, Qc—— 电容器品质因数;Q=QL-Qc; m—— 磁极数; ω—— 电源频率,Hz; R—— 线圈直流电阻,Ω; C—— 调谐电容,F; Z—— 线圈匝数; U—— 电压有效值,V; I—— 电流有效值,A; A—— 轴承面积,m2; ε—— 偏心率; μ0—— 真空磁导率,H/m,μ0=4π×10-7H/m; μr—— 相对磁导率; α—— 极靴包角,rad; D—— 轴承直径,m;B—— 轴承宽度,m |
||






