|
磁力轴承的分类 |
||||
|
名 称 |
简 图 |
特 点 |
||
|
按 控 制 方 式 |
无 源 型 磁 力 轴 承 |
|
利用调整本身激磁参数的方法,实现轴承的稳定运转,故又称被动稳定型磁力轴承。结构简单,但刚度小,损耗较大 |
|
|
有 源 型 磁 力 轴 承 |
|
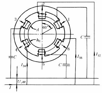
利用各种电的或机械的传感器、桥式网络电或磁参数的变化、光束或其他方法来敏感轴的位置的变化,进行伺服控制,以实现轴承的稳定运转,故又称主动控制型磁力轴承。与无源型比较,刚度大、响应速度快、功耗小,可实现5个自由度的控制,但需要外控回路 |
||
|
有 源 无 源 混 合 型 磁 力 轴 承 |
|
兼有有源型和无源型磁力轴承的特点 |
||
|
按磁能来分 |
永 磁 型 磁 力 轴 承 |
|
结构简单,无控制系统和调谐电路,功耗小。但刚度小,稳定性差,采用一般的永磁材料有退磁作用,配合不当还会出现反转。大型轴承装配困难 |
|
|
激 励 型 磁 力 轴 承 |
|
利用电磁铁原理,配有控制系统或调谐电路。结构多样,承载能力和刚度大,稳定性好,应用广泛。但体积大,功耗高 |
||
|
激 励 永 磁 混 合 型 磁 力 轴 承 |
|
兼有永磁型和激励型磁力轴承的特点,应用广泛 |
||
|
超 导 体 型 磁 力 轴 承 |
|
电磁铁激励线圈为超导体线圈(置于液氮中),可使磁场强度提高十几倍甚至更高,承载能力极高 |
||
|
按结构型式 |
径 向 轴 承 |
|
提供径向承载力 |
|
|
止 推 轴 承 |
|
只能提供轴向承载力 |
||
|
组
合
轴
承 |
锥 型 轴 承 |
|
结构紧凑,可靠性高。能同时提供径向和轴向承载能力。但轴向和径向位移都相当大时会产生轴向和径向耦合干扰 |
|
|
T 型 轴 承 |
|
容易加工,可靠性高,轴向和径向耦合干扰比锥型轴承小。磁通垂直于叠片平面,所以工作频率受到限制 |
||
|
阶 梯 型 轴 承 |
|
结构紧凑,工艺性好,可以利用多种磁性材料组合,以适应使用要求 |
||
|
球 型 轴 承 |
|
可提供三向承载能力,多用于陀螺仪等仪表 |
||
|
边 缘 磁 场 型 轴 承 |
|
当轴径向偏移时,齿出现偏移,边缘磁通产生径向力使轴向复原位 |
||














