|
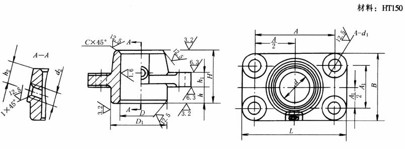
四螺栓法兰盘镶轴套滑动轴承 mm |
||||||||||||||||
|
|
||||||||||||||||
|
d(H8) |
D(H8) |
D1 (f9) |
d1 |
d2 |
B |
L |
H |
h |
h1 |
h2 |
A |
A1 |
C |
|||
|
最小 |
最大 |
公称 |
允差 |
公称 |
允差 |
|||||||||||
|
28 |
32 |
36 |
65 |
11 |
M10×1 |
70 |
120 |
42 |
10 |
20 |
14 |
95 |
±0.35 |
45 |
±0.35 |
1.5 |
|
(30) |
34 |
38 |
65 |
12 |
75 |
125 |
48 |
12 |
22 |
18 |
100 |
±0.35 |
50 |
±0.35 |
||
|
32 |
36 |
40 |
70 |
|||||||||||||
|
36 |
40 |
45 |
75 |
13 |
80 |
135 |
55 |
14 |
25 |
22 |
110 |
±0.35 |
55 |
±0.35 |
||
|
40 |
45 |
50 |
80 |
85 |
145 |
60 |
18 |
24 |
120 |
60 |
||||||
|
45 |
50 |
55 |
85 |
17 |
95 |
165 |
70 |
22 |
25 |
28 |
130 |
±0.35 |
60 |
±0.35 |
||
|
50 |
55 |
60 |
90 |
100 |
175 |
75 |
25 |
32 |
140 |
65 |
||||||
|
55 |
60 |
65 |
100 |
110 |
185 |
80 |
30 |
35 |
150 |
75 |
||||||
|
60 |
65 |
70 |
110 |
22 |
120 |
190 |
90 |
30 |
30 |
35 |
150 |
±0.71 |
80 |
±0.71 |
||
|
70 |
75 |
85 |
130 |
140 |
220 |
100 |
34 |
32 |
45 |
180 |
100 |
|||||
|
80 |
90 |
95 |
140 |
150 |
230 |
190 |
110 |
|||||||||
|
90 |
100 |
105 |
160 |
26 |
M14×1.5 |
170 |
260 |
120 |
34 |
32 |
55 |
210 |
±0.71 |
120 |
±0.71 |
|
|
100 |
110 |
115 |
180 |
190 |
280 |
230 |
140 |
|||||||||
|
110 |
120 |
125 |
190 |
200 |
290 |
140 |
35 |
65 |
240 |
150 |
||||||
|
125 |
135 |
140 |
210 |
32 |
230 |
330 |
150 |
40 |
35 |
70 |
270 |
±0.71 |
170 |
±0.71 |
||
|
130 |
140 |
150 |
210 |
|||||||||||||
|
140 |
150 |
160 |
230 |
32 |
240 |
340 |
170 |
40 |
40 |
80 |
280 |
±0.71 |
180 |
±0.71 |
||
|
150 |
160 |
170 |
230 |
|||||||||||||
|
160 |
170 |
180 |
240 |
32 |
250 |
360 |
190 |
40 |
40 |
90 |
300 |
±0.71 |
190 |
±0.71 |
||
|
180 |
190 |
200 |
260 |
270 |
380 |
220 |
105 |
320 |
210 |
|||||||
|
注:轴承尺寸见表铜合金轴套中表1,尺寸仅供参考。 |
||||||||||||||||

