|
储气罐 |
||||||||||||||||||||||
|
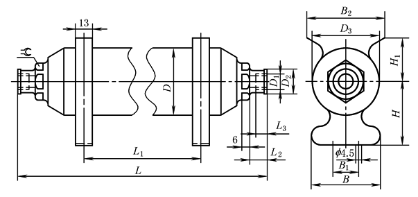
储气罐(见下图)有两个功能:一是用于补偿压力波动,当空气突然耗尽时,作为一个短暂的储能器;另外一个功能是当储气罐与延时节流阀相连时,可增加延时时间,可做真空及正压储蓄功能(-0.95~+16bar)。储气罐测试符合EC指令87/404和欧洲EC EN 286-1标准。它的结构技术参数及尺寸见表下 |
||||||||||||||||||||||
|
储气罐 |
|
|||||||||||||||||||||
|
mm |
||||||||||||||||||||||
|
气接口 |
G1/8 |
G¼ |
G¼ |
G½ |
G1 |
|||||||||||||||||
|
冷凝水排放接口 |
— |
G3/8 |
||||||||||||||||||||
|
工作介质 |
空气或氮气 |
|||||||||||||||||||||
|
结构特点 |
无缝焊压力容器 |
|||||||||||||||||||||
|
安装型式 |
固定夹 |
通过安装支架上的通孔 |
||||||||||||||||||||
|
容积±10%/L |
0.1 |
0.4 |
0.75 |
2 |
5 |
10 |
20 |
|||||||||||||||
|
工作压力/bar |
-0.95~+16 |
|||||||||||||||||||||
|
适用于压力单元的CE标志 |
— |
97/23/EC |
||||||||||||||||||||
|
温度范围/℃ |
-10~+100(遵守气管和硬管的工作范围) |
|||||||||||||||||||||
|
材料 |
不锈钢 |
|||||||||||||||||||||
|
耐腐蚀等级/CRC |
|
3 |
||||||||||||||||||||
|
质量/g |
226 |
543 |
736 |
1681 |
3581 |
6459 |
|
|||||||||||||||
|
规格 |
B±2 |
B1 |
B2±2 |
D |
D1 |
D2 |
D3 |
H ±1 |
H1 ±1 |
L ±1 |
L1 |
L2 |
L3 |
|
||||||||
|
最小 |
最大 |
|||||||||||||||||||||
|
0.1L,G1/8 |
51 |
14 |
— |
40 |
G |
15 |
42 |
43 |
28 |
132 |
13 |
50 |
10 |
6 |
19 |
|||||||
|
0.4L,G¼ |
54 |
14 |
— |
52 |
G |
19 |
54 |
50 |
34 |
140 |
13 |
150 |
14 |
9 |
27 |
|||||||
|
0.75L,G¼ |
60 |
20 |
79 |
70 |
G |
19 |
72 |
61 |
34 |
248 |
13 |
140 |
14 |
9 |
27 |
|||||||


