|
卡套接头 |
||||||||
|
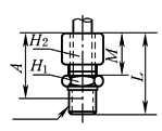
卡套接头的连接方式如下图所示。卡套接头的连接气管为硬管(紫铜管),工作压力较高,抗机械撞击损坏较其他气管更好,但它的连接方式没有快插、快拧接头方便,可用于机械设备裸露在外的气动系统中(几乎不用更换)。
图 卡套接头的连接方式 |
||||||||
|
型式 |
结构特点 |
接口螺纹 |
接口气管 |
|||||
|
M螺纹 |
R螺纹 |
G螺纹 |
气管外径 |
插入套管 直径f |
R螺纹 |
插入套管 直径f |
||
|
直通 |
卡套接头-外螺纹,带外六角
|
— |
— |
— |
— |
— |
— |
— |
|
— |
R1/8 |
G1/8 |
4,6,8 |
|||||
|
R¼ |
G¼ |
4,6,8,10,12 |
||||||
|
R3/8 |
G3/8 |
6,8,10,12 |
||||||
|
R½ |
G½ |
10,12 |
||||||
|
直通 结构 |
卡套接头-内螺纹,直通
|
— |
— |
— |
— |
— |
— |
— |
|
— |
R1/8 |
G1/8 |
4,6,8 |
|||||
|
R¼ |
G¼ |
4,6,8,10,12 |
||||||
|
R3/8 |
G3/8 |
6,8,10,12 |
||||||
|
R½ |
G½ |
10,12 |
||||||
|
卡套接头-穿板(外螺纹)
|
— |
— |
— |
— |
6 |
— |
4 |
|
|
8 |
4,6 |
|||||||
|
10 |
6,8 |
|||||||
|
12 |
8,10 |
|||||||
|
16 |
12 |
|||||||
|
卡套接头-穿板(内/外螺纹)
|
— |
— |
— |
— |
4 |
— |
4 |
|
|
6 |
6 |
|||||||
|
8 |
8 |
|||||||
|
10 |
10 |
|||||||
|
12 |
12 |
|||||||
|
L形 |
卡套接头-L形
|
— |
R1/8 |
G1/8 |
— |
— |
— |
4,6,8 |
|
R¼ |
G¼ |
4,6,8,10,12 |
||||||
|
R3/8 |
G3/8 |
6,8,10,12 |
||||||
|
R½ |
G½ |
10,12 |
||||||
|
卡套接头-L形/加长L形,360°旋转
|
— |
R1/8 |
G1/8 |
— |
— |
— |
4,6,8 |
|
|
R¼ |
G¼ |
4,6,8,10,12 |
||||||
|
R3/8 |
G3/8 |
6,8,10,12 |
||||||
|
R½ |
G½ |
10,12 |
||||||
|
T形 |
卡套接头-T形三通
|
— |
— |
— |
4 |
— |
— |
4 |
|
6 |
6 |
|||||||
|
8 |
8 |
|||||||
|
10 |
10 |
|||||||
|
12 |
12 |
|||||||
|
卡套接头-T形三通/螺纹
|
— |
R1/8 |
G1/8 |
— |
— |
— |
4,6,8 |
|
|
R¼ |
G¼ |
4,6,8,10,12 |
||||||
|
R3/8 |
G3/8 |
6,8,10,12 |
||||||
|
R½ |
G½ |
10,12 |
||||||
|
卡套接头-T形三通/螺纹
|
— |
R1/8 |
G1/8 |
— |
— |
— |
4,6,8 |
|
|
R¼ |
G¼ |
4,6,8,10,12 |
||||||
|
R3/8 |
G3/8 |
6,8,10,12 |
||||||
|
R½ |
G½ |
10,12 |
||||||










