|
快拧接头 |
|||||||||
|
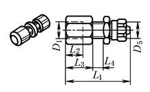
有的公司称它为套差式管接头,也有日本公司也称它为“嵌入式接头”。快拧接头的连接方式如图23-9-2所示,将气管插入到倒钩接头终点位置时,用滚花螺母拧紧在接头上,直到用手拧紧为止。该种连接方式可靠,管子不会脱落,无泄漏,尤其适用于真空。快拧接头有直通形结构、L形结构、T形结构、中空复合式分气接头结构等。
图 快拧接头的连接方式 |
|||||||||
|
型式 |
结构特点 |
接口D1 |
气管内径 |
不含铜和聚 四氟乙烯 |
|||||
|
M螺纹 |
G螺纹 |
||||||||
|
直通 结构 |
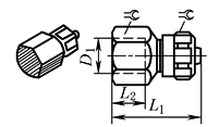
快拧接头-内螺纹,带密封圈
|
金属结构 |
G1/8 |
3,4,6 |
— |
||||
|
G¼ |
4,6 |
||||||||
|
G3/8 |
6,9 |
||||||||
|
G½ |
13 |
||||||||
|
快拧接头-外螺纹,带密封圈
|
M5 |
— |
3,4 |
— |
|||||
|
— 金属结构 |
G1/8 |
3,4,6 |
|||||||
|
G¼ |
4,6,9 |
||||||||
|
G3/8 |
6,9,13 |
||||||||
|
G½ |
13 |
||||||||
|
— 塑料结构 |
G1/8 |
3,4,6 |
— |
||||||
|
G¼ |
4,6,9 |
||||||||
|
G3/8 |
6,9 |
||||||||
|
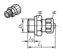
穿板式快拧接头-内螺纹,带密封圈
|
M5 |
— |
3 |
— |
|||||
|
— |
G1/8 |
4 |
|||||||
|
G¼ |
6 |
||||||||
|
G3/8 |
9 |
||||||||
|
穿板式快拧接头
|
— 金属结构 |
— |
3,4,6,9 |
— |
|||||
|
— 塑料结构 |
— |
3,4,6,9 |
— |
||||||
|
堵头,用于塑料气管接头和倒钩接头
|
— |
— |
3,4,6,9 |
— |
|||||
|
L形 |
直角快拧接头
|
— |
R1/8 |
— |
4,6 |
— |
|||
|
R¼ |
4,6 |
||||||||
|
R3/8 |
6,9 |
||||||||
|
直角快拧接头,可旋转,带两个密封圈
|
M5 |
— |
— |
3,4 |
— |
||||
|
— 金属结构 |
G1/8 |
3,4,6 |
|||||||
|
G¼ |
4,6,9 |
||||||||
|
G3/8 |
6,9,13 |
||||||||
|
G½ |
13 |
||||||||
|
— 塑料结构 |
— |
G1/8 |
4.6 |
— |
|||||
|
G¼ |
4,6 |
||||||||
|
直角快拧接头,带密封圈(360°旋转)
|
M5 |
— |
— |
3,4 |
— |
||||
|
— |
G1/8 |
3,4,6 |
|||||||
|
G¼ |
4,6 |
||||||||
|
G3/8 |
6 |
||||||||
|
T形 |
T形快拧接头,可旋转,带两个密封圈
|
M5 |
— |
— |
3,4 |
— |
|||
|
— 金属结构 |
G1/8 |
3,4,6 |
|||||||
|
G¼ |
4,6 |
||||||||
|
G3/8 |
6,9 |
||||||||
|
G½ |
13 |
||||||||
|
— 塑料结构 |
— |
G1/8 |
4,6 |
— |
|||||
|
G¼ |
4,6 |
||||||||
|
T形分气接头
|
— |
— |
— |
3 |
— |
||||
|
4 |
|||||||||
|
6 |
|||||||||
|
9 |
|||||||||
|
锁紧螺母,用于CK管接头
|
3,4,6,9,13 金属结构 |
— |
— |
— |
— |
||||
|
3,4,6,9 塑料结构 |
— |
— |
— |
— |
|||||
|
中空 复合 式分 气接 头 |
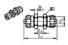
环形管接头,带两个密封
|
M5 |
— |
3,4 |
— |
||||
|
— 金属结构 |
G1/8 |
3,4,6 |
|||||||
|
G¼ |
4,6 |
||||||||
|
G3/8 |
6 |
||||||||
|
— 塑料结构 |
G1/8 |
4,6 |
— |
||||||
|
G¼ |
4,6 |
||||||||
|
环形管接头,带两个密封
|
M5 |
— |
3,4 |
— |
|||||
|
— 金属结构 |
G1/8 |
3,4,6 |
|||||||
|
G¼ |
4,6 |
||||||||
|
G3/8 |
6 |
||||||||
|
— 塑料结构 |
G1/8 |
4,6 |
— |
||||||
|
G¼ |
4,6 |
||||||||
|
中空螺栓,带1个环形管接头/ 带2个环形管接头/带3个环形管接头
|
M5 |
G1/8 |
3,4,6 |
— |
|||||
|
G¼ |
4,6 |
||||||||
|
G3/8 |
6 |
||||||||
|
M5 |
G1/8 |
3,4,6 |
— |
||||||
|
G¼ |
4,6 |
||||||||
|
G3/8 |
6 |
||||||||
|
用于带金属保护网的气管PX |
|||||||||
|
直通 结构 |
快拧接头
|
— |
G1/8 |
4 |
— |
||||
|
G¼ |
6 |
||||||||
|
G3/8 |
9 |
||||||||
|
快拧接头
|
— |
G1/8 |
4,6 |
— |
|||||
|
G¼ |
4,6 |
||||||||
|
G3/8 |
9 |
||||||||
|
L形 |
L形快拧接头
|
— |
G1/8 |
4 |
— |
||||
|
G¼ |
6 |
||||||||
|
G3/8 |
9 |
||||||||
|
T形 |
T形快拧接头
|
— |
G1/8 |
4 |
— |
||||
|
G¼ |
6 |
||||||||
|
G3/8 |
9 |
||||||||




















