|
常用的倒钩接头 |
|||||||
|
倒钩接头是一种插入式的连接方式,有直通形结构、L形结构、T形结构、V形结构、Y形结构等。可分为常用的倒钩接头、不锈钢倒钩接头、用于软管夹的倒钩接头 |
|||||||
|
型式 |
结构特点 |
接口D1 |
接口D2 |
||||
|
M螺纹 |
G螺纹 |
倒钩接头 |
气管内径 |
倒钩接头 |
气管内径 |
||
|
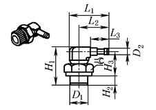
直通 结构 |
倒钩接头,带外螺纹和外六角
|
M5 |
— |
— |
— |
3.6 |
3 |
|
4.8 |
4 |
||||||
|
倒钩接头,带外螺纹和外六角
|
M3 |
— |
— |
— |
2.6,3.4 |
2,3 |
|
|
M5 |
— |
2.95,3.6,4.8 |
2,3,4 |
||||
|
— |
G1/8 |
3.6,4.8,7 |
3,4,6 |
||||
|
— |
G¼ |
4.8,7 |
4,6 |
||||
|
— |
G3/8 |
7 |
6 |
||||
|
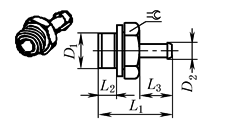
穿板式倒钩接头
|
— |
— |
2.95 |
2 |
— |
— |
|
|
3.6 |
3 |
||||||
|
4.8 |
4 |
||||||
|
7 |
6 |
||||||
|
管接头
|
— |
— |
2.95 |
2 |
2.95 |
2 |
|
|
2.95 |
3 |
2.95 |
2 |
||||
|
3.6 |
3 |
3.6 |
3 |
||||
|
3.6 |
3 |
4.8 |
4 |
||||
|
4.8 |
4 |
4.8 |
4 |
||||
|
4.8 |
4 |
7 |
6 |
||||
|
7 |
6 |
7 |
6 |
||||
|
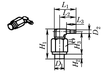
L形 |
L形倒钩接头,带外螺纹-360°旋转
|
M3 |
— |
— |
— |
2.95,3.6 |
2,3 |
|
M5 |
— |
2.95,3.6,4.8 |
2,3,4 |
||||
|
— |
G1/8 |
3.6,4.8,7 |
3,4,6 |
||||
|
— |
G¼ |
4.8,7 |
4,6 |
||||
|
— |
G3/8 |
7 |
6 |
||||
|
L形倒钩接头,带外螺纹- 延伸气管可360°旋转
|
M5 |
— |
|
— |
2.95,3.6,4.8 |
2,3,4 |
|
|
— |
G1/8 |
3.6,4.8,7 |
3,4,6 |
||||
|
— |
G¼ |
4.8,7 |
4,6 |
||||
|
— |
G3/8 |
7 |
6 |
||||
|
L形倒钩接头
|
— |
— |
2.95 |
2 |
— |
— |
|
|
3.6 |
3 |
||||||
|
4.8 |
4 |
||||||
|
7 |
6 |
||||||
|
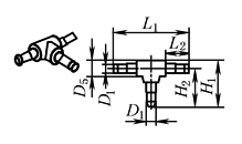
T形 |
T形倒钩接头,带外螺纹-360°旋转
|
M3 |
|
— |
— |
2.95,3.6 |
2,3 |
|
M5 |
|
2.95,3.6,4.8 |
2,3,4 |
||||
|
— |
G1/8 |
3.6,4.8,7 |
3,4,6 |
||||
|
— |
G¼ |
4.8,7 |
4,6 |
||||
|
— |
G3/8 |
7 |
6 |
||||
|
T形倒钩接头
|
— |
— |
2.95 |
2 |
— |
— |
|
|
3.6 |
3 |
||||||
|
4.8 |
4 |
||||||
|
7 |
6 |
||||||
|
V形 |
V形倒钩接头
|
— |
— |
2.95 |
2 |
— |
— |
|
3.6 |
3 |
||||||
|
4.8 |
4 |
||||||
|
7 |
6 |
||||||
|
Y形 |
Y形倒钩接头
|
— |
— |
2.95 |
2 |
— |
— |
|
3.6 |
3 |
||||||
|
4.8 |
4 |
||||||
|
7 |
6 |
||||||
|
T形 |
T形倒钩接头
|
— |
— |
2.95 |
2 |
2.95 |
2 |
|
3.6 |
3 |
3.6 |
3 |
||||
|
3.6 |
3 |
2.95 |
2 |
||||
|
4.8 |
4 |
4.8 |
4 |
||||
|
4.8 |
4 |
3.6 |
3 |
||||
|
7 |
6 |
7 |
6 |
||||
|
7 |
6 |
4.8 |
4 |
||||












