|
硬管快插接头 |
|||||||
|
型式 |
结构特点 |
接口D1 |
接口D2 |
||||
|
G螺纹 |
气管 硬管外径 |
插入套管 直径f |
气管 硬管外径 |
插入套管 直径f |
|||
|
直通 结构 |
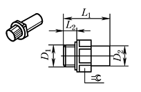
快插接头-外螺纹
|
G3/8 |
— |
— |
12 |
— |
|
|
G½ |
12,15,18 |
||||||
|
G¾ |
22 |
||||||
|
快插接头,带套管
|
G3/8 |
— |
— |
12,15 |
— |
||
|
G½ |
12,15,18,22 |
||||||
|
G¾ |
22 |
||||||
|
G1 |
28 |
||||||
|
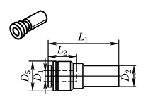
快插接头
|
— |
12 |
— |
— |
— |
||
|
15 |
|||||||
|
18 |
|||||||
|
22 |
|||||||
|
28 |
|||||||
|
快插接头,带套管
|
— |
12 |
— |
— |
15 |
||
|
15 |
18 |
||||||
|
15 |
22 |
||||||
|
18 |
22 |
||||||
|
22 |
28 |
||||||
|
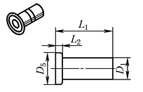
插入式套管
|
— |
— |
15 |
— |
12 |
||
|
18 |
16 |
||||||
|
22 |
16 |
||||||
|
堵头
|
— |
— |
12 |
— |
— |
||
|
15 |
|||||||
|
18 |
|||||||
|
22 |
|||||||
|
28 |
|||||||
|
L形 |
L形快插接头
|
— |
12 |
— |
— |
— |
|
|
15 |
|||||||
|
18 |
|||||||
|
22 |
|||||||
|
28 |
|||||||
|
T形 |
T形快插接头
|
— |
12 |
— |
— |
— |
|
|
15 |
|||||||
|
18 |
|||||||
|
22 |
|||||||
|
28 |
|||||||
|
— |
18 |
— |
15 |
— |
|||
|
22 |
15 |
||||||
|
直通 结构 |
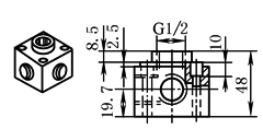
分气块
|
— |
|||||
|
水分离器
|
|
22 |
— |
— |
— |
||
|
28 |
|||||||










